Brake lights not working

Tiny
NSTALL6996
  • MEMBER
  • 1998 CHEVROLET SILVERADO
  • V8
  • 2WD
  • 100,000 MILES
Every time I touch the brake pedal it blows the fuse instantly.
Thursday, October 21st, 2021 AT 8:39 PM

1 Reply

Tiny
KASEKENNY
  • MECHANIC
  • 18,907 POSTS
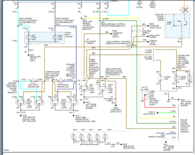
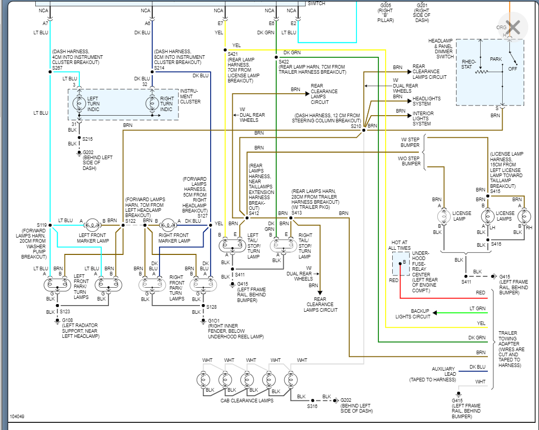
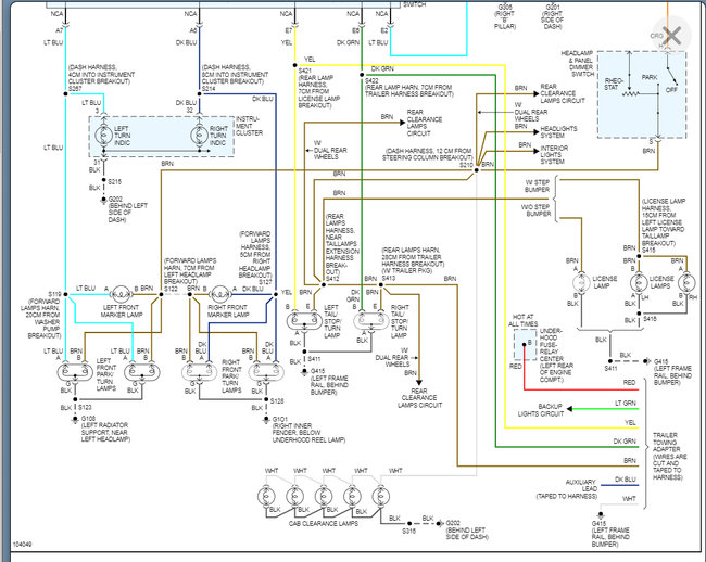
The most likely cause of this is a short in a bulb, brake light switch, or the turn switch.

Basically, when you press the pedal, you are closing the stop lamp switch and if the fuse blows at that point, then you are introducing a path straight to ground without passing through a load (bulbs in this case). This causes too much current to flow through this circuit and the fuse is the weakest point and it blows.

What I would do is check the circuit for a short to ground and then start tracing the circuit to find where that short is.

https://www.2carpros.com/articles/how-to-check-wiring

I attached the wiring diagram below that will assist with this.

Please run through this and let me know what questions you have. Thanks
Was this
answer
helpful?
Yes
No
Friday, October 22nd, 2021 AT 8:34 AM

Please login or register to post a reply.