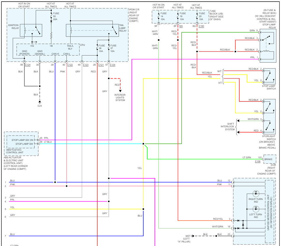
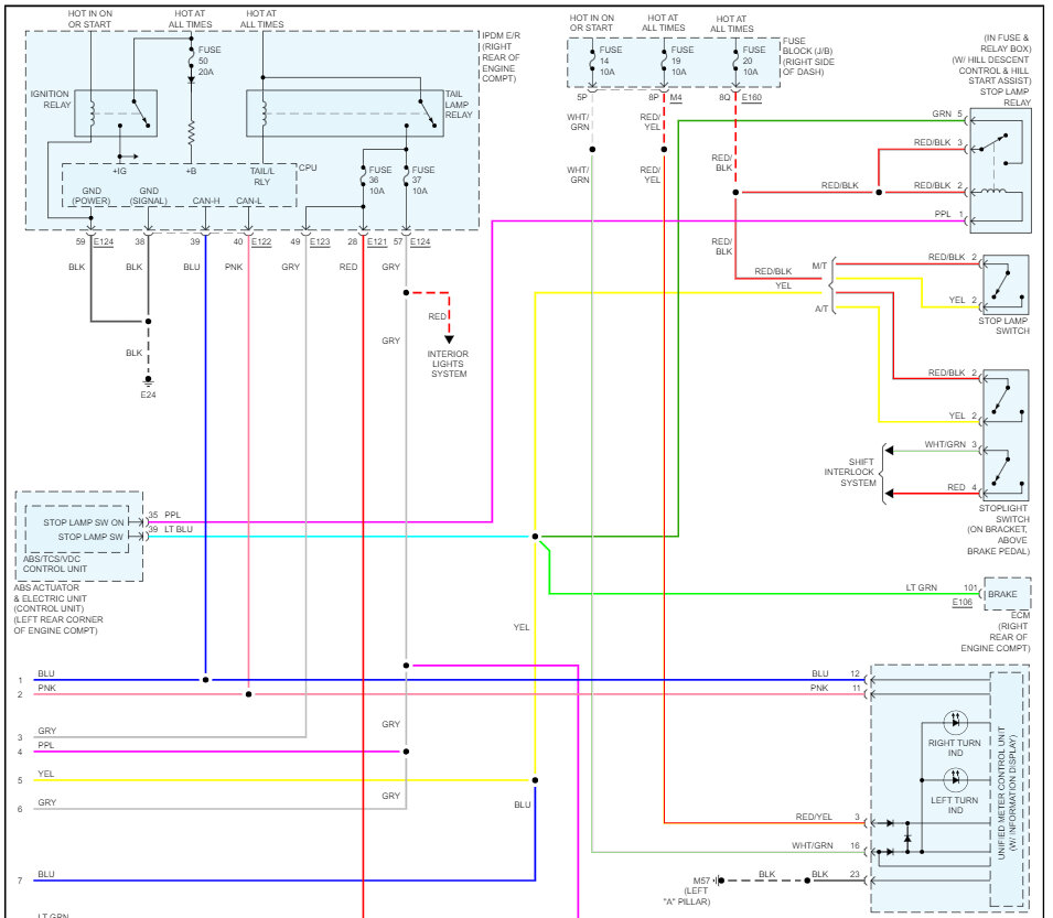
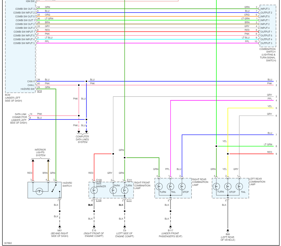
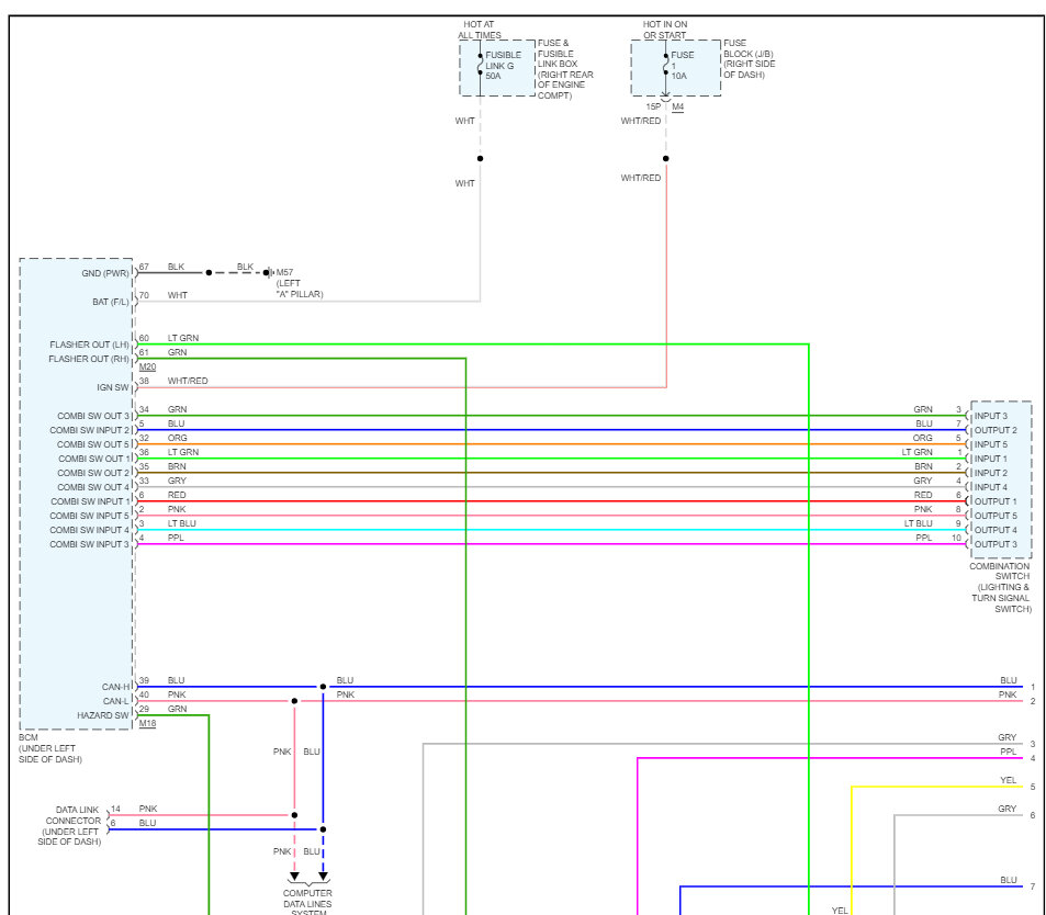
Thursday, August 10th, 2023 AT 4:31 PM
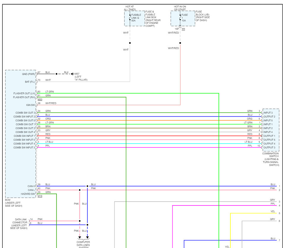
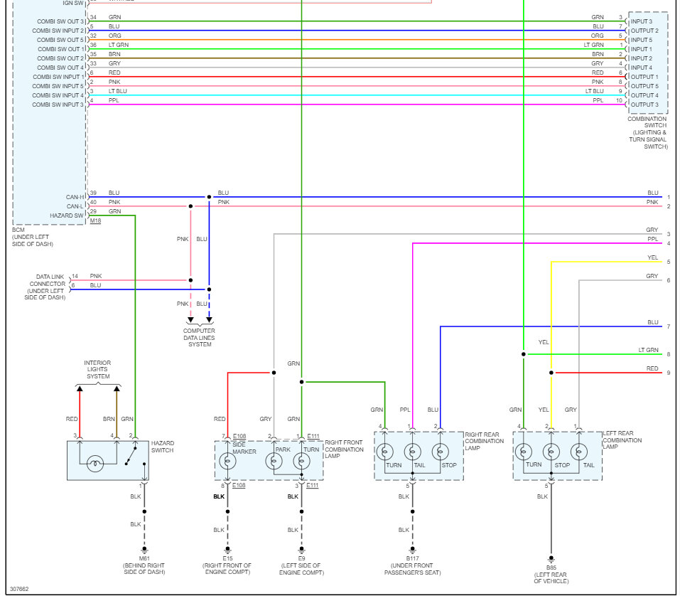
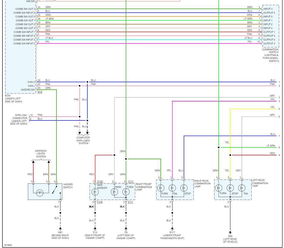
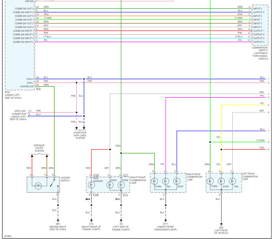
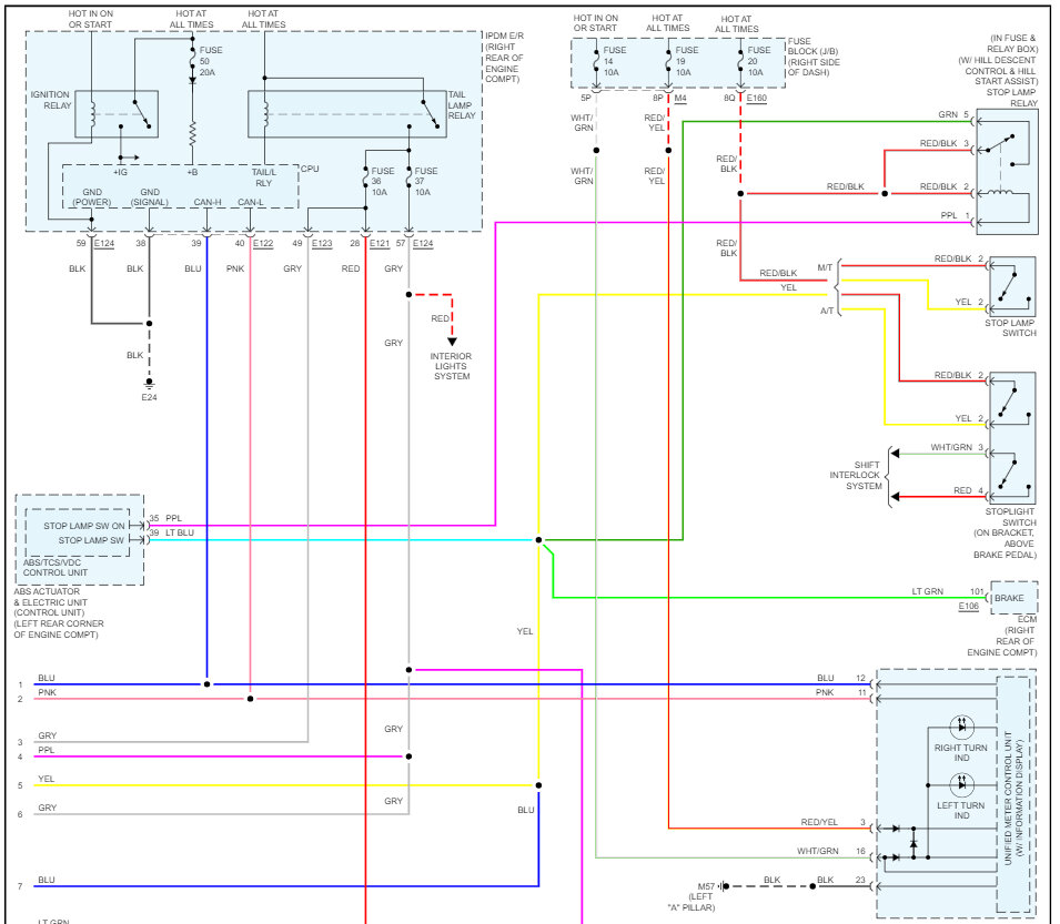
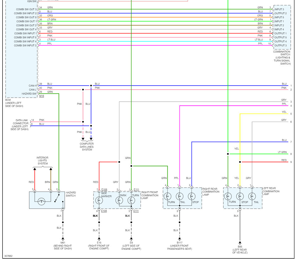
I’ve recently changed the brake lights on my vehicle; the issue is that they work as hazards, but not actual brake lights. There’s continuity on all the breakers the socket itself, and my battery is running at a bit low. Low enough to take a few seconds to start, but fine otherwise. Is there any other diagnostic criteria that I’m missing?






