Tuesday, January 26th, 2021 AT 7:07 AM
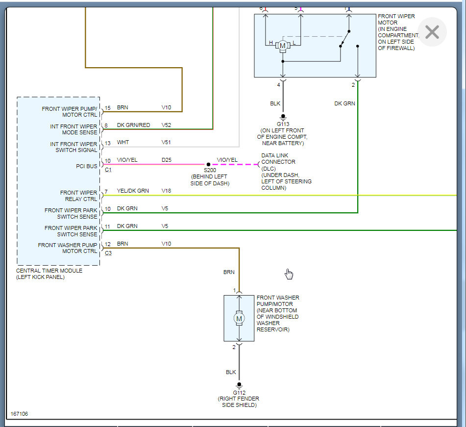
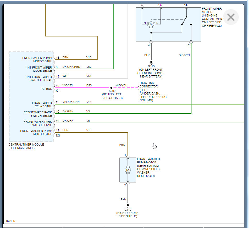
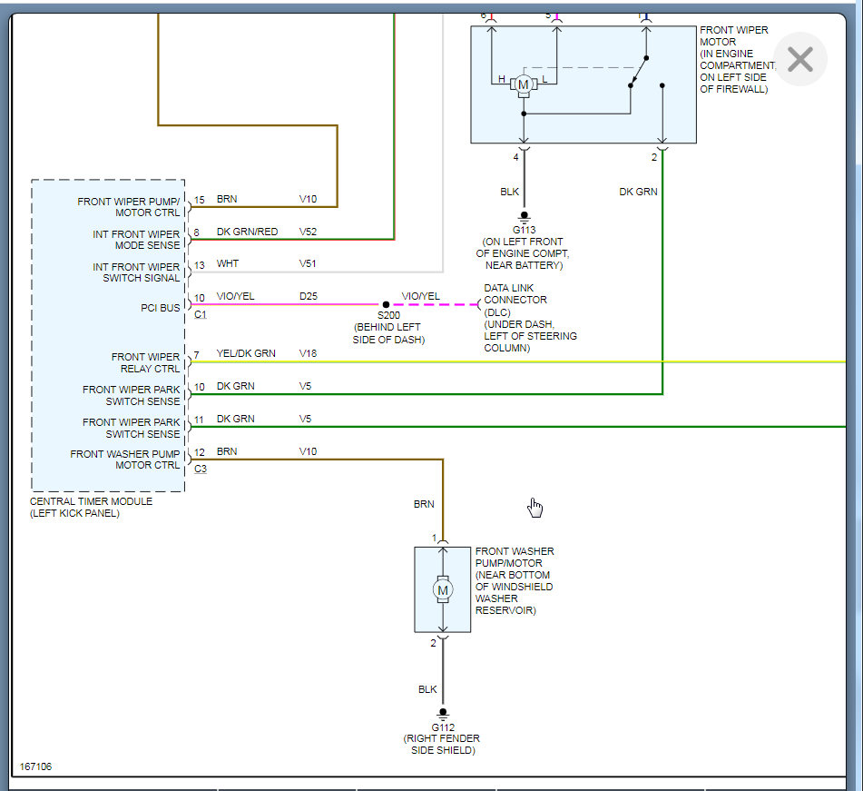
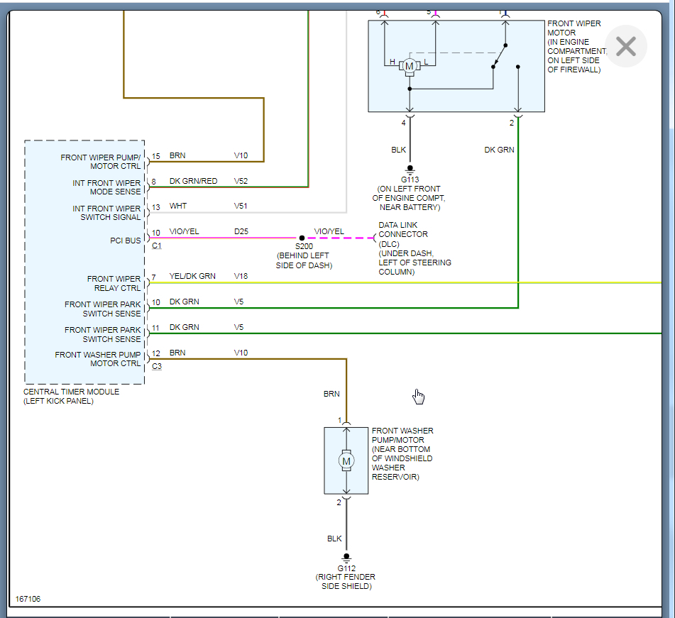
Replaced bulbs and fuses relays and brake switch and wiper motor. All other lights work. Just no brake lights. But let me tell you when I got the truck my brake pedal was sticking had to pull back with my foot let off the brakes bright lights work then okay. The windshield was leaking and the floor was wet. I don't know if it has anything to do with it. Okay, we change the brake switch in the floorboard and the gear shifter would not go into gear once started had to put in neutral then start drive the vehicle. That was after the bright lights went out wipers went out and same time. Please help.





