Brake lights

Tiny
GRUMPY67
  • MEMBER
  • 2006 DODGE CALIBER
  • 1.8L
  • 2WD
  • MANUAL
  • 82,000 MILES
I have side lights but no brake lights except the one in the rear window and everything else seems to work.
Tuesday, July 11th, 2017 AT 2:15 PM

7 Replies

Tiny
CARADIODOC
  • MECHANIC
  • 34,433 POSTS
Since the center high-mount brake light works, we know the brake light switch is okay. That only leaves a break in a wire, which is not real likely, or a problem with the "TIPM", (Totally Integrated Power Module). This is another case of the insane engineers hanging an unnecessary, unreliable, expensive computer where it is not needed. The two rear brake lights are switched on and off by that computer. Common sense would have connected all three lights together and have them switched by the brake light switch. That seemed to work pretty well for almost one hundred years!
Was this
answer
helpful?
Yes
No
+1
Tuesday, July 11th, 2017 AT 11:08 PM
Tiny
GRUMPY67
  • MEMBER
  • 4 POSTS
Thank you very much. How much is the module?
Was this
answer
helpful?
Yes
No
Wednesday, July 12th, 2017 AT 1:30 AM
Tiny
KEN L
  • MASTER CERTIFIED MECHANIC
  • 55,046 POSTS
Hello,

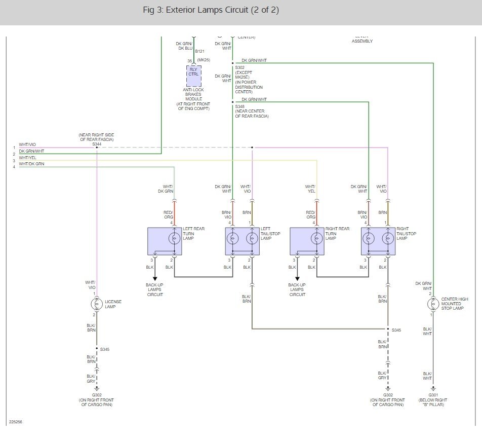
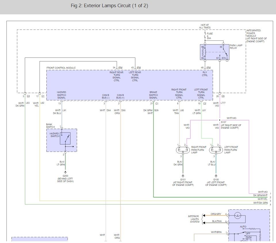
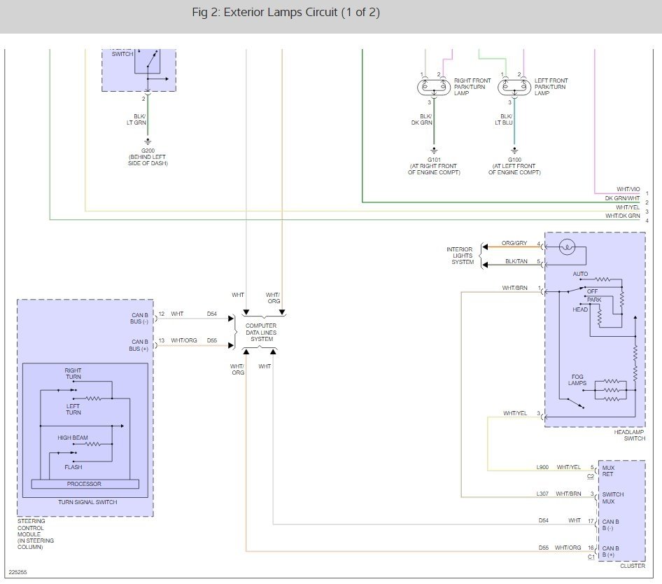
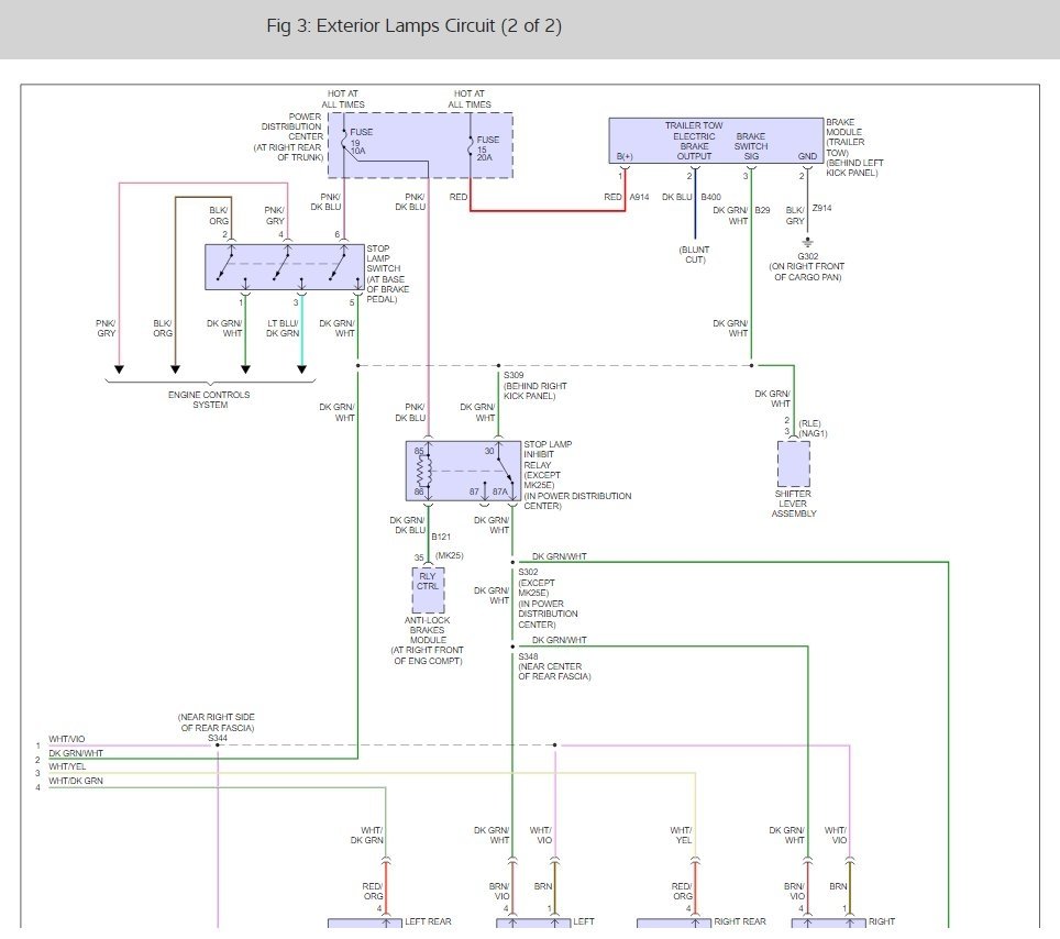
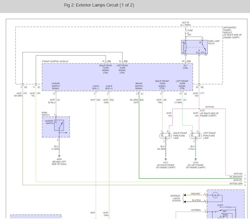
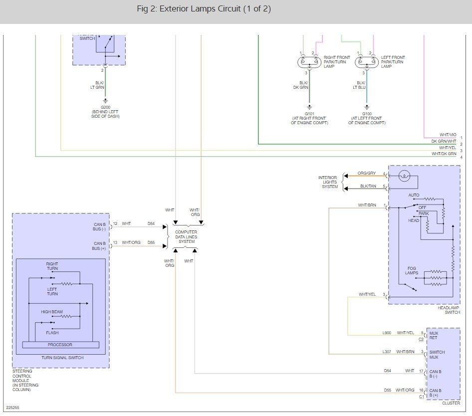
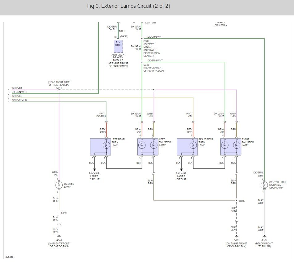
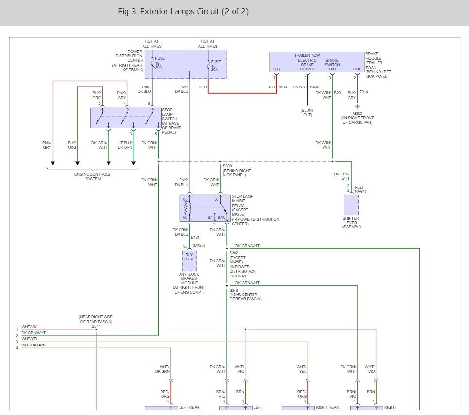
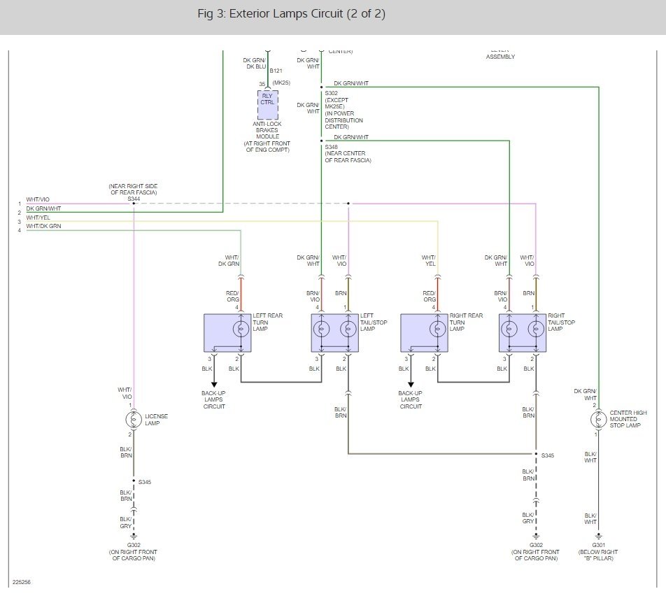
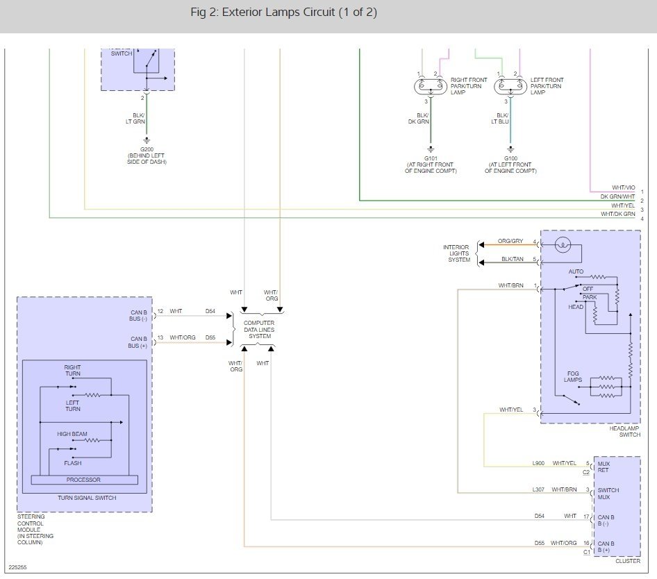
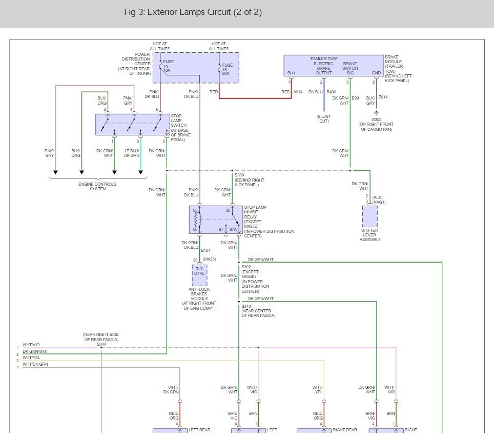
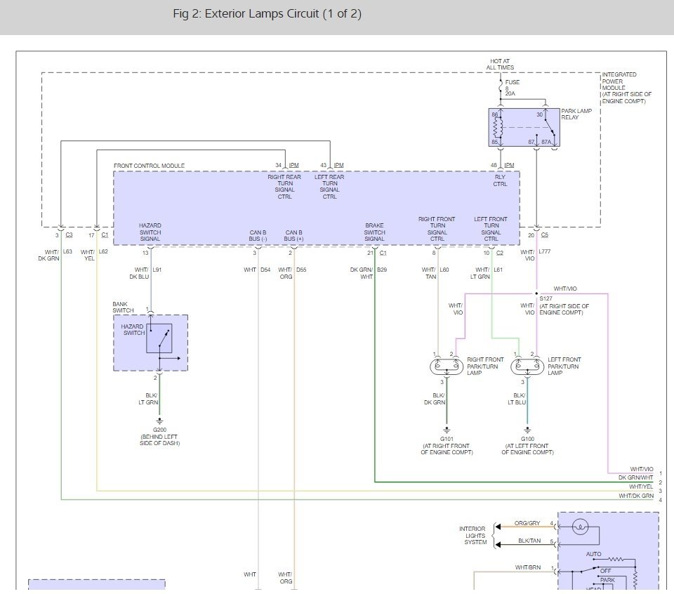
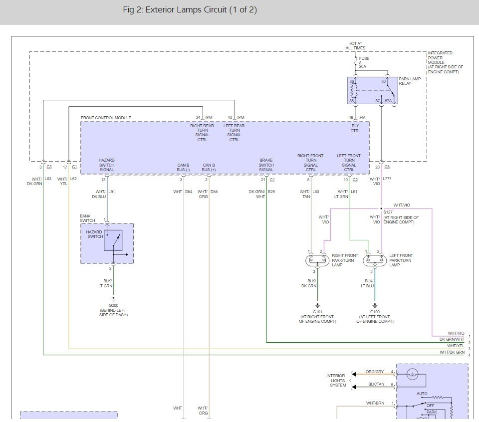
Don't rule out the brake light bulbs are out on both. Here are some guides and wiring diagrams to help you get the problem fixed.

https://www.2carpros.com/articles/brake-lights-not-working

and

https://www.2carpros.com/articles/how-to-use-a-test-light-circuit-tester

and

https://www.2carpros.com/articles/how-to-check-a-car-fuse

and

https://www.2carpros.com/articles/how-to-check-an-electrical-relay-and-wiring-control-circuit

Please run some tests and get back to us we are interested to see what it is.

Cheers, Ken

Was this
answer
helpful?
Yes
No
Wednesday, July 12th, 2017 AT 11:37 AM
Tiny
GRUMPY67
  • MEMBER
  • 4 POSTS
Hi Ken, I am not very technical when it comes to diagrams and stuff but I have put two new bulbs in I am right in saying the side lights are connected to the brake
light when they are one in the same bulb?
Was this
answer
helpful?
Yes
No
Wednesday, July 12th, 2017 AT 3:12 PM
Tiny
KEN L
  • MASTER CERTIFIED MECHANIC
  • 55,046 POSTS
Yes they look like they are the same bulb.
Was this
answer
helpful?
Yes
No
+1
Wednesday, July 12th, 2017 AT 3:51 PM
Tiny
GRUMPY67
  • MEMBER
  • 4 POSTS
Thank you will let you know how it goes.
Was this
answer
helpful?
Yes
No
Wednesday, July 12th, 2017 AT 11:25 PM
Tiny
KEN L
  • MASTER CERTIFIED MECHANIC
  • 55,046 POSTS
Please let us know what happens.

Cheers, Ken
Was this
answer
helpful?
Yes
No
Thursday, July 13th, 2017 AT 12:03 PM

Please login or register to post a reply.