When my headlights are on my brake lights will not work?

Tiny
MRJONES812
  • MEMBER
  • 2007 CADILLAC STS
  • 4.6L
  • V8
  • 4WD
  • AUTOMATIC
  • 200,000 MILES
However, when my headlights are off my brake lights work just fine. Please help.
Tuesday, December 8th, 2020 AT 8:50 PM

6 Replies

Tiny
KASEKENNY
  • MECHANIC
  • 18,907 POSTS
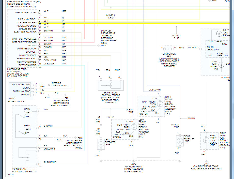
Does the center high mount stop working as well? If it does then the most likely issue is the instrument panel module. The way we need to confirm this is test the power coming out of it from the stop lamp switch signal. Clearly you will have power with the headlights off but we need to know when they are on.

Here is a guide that will help with this:

https://www.2carpros.com/articles/how-to-check-wiring

I am pretty sure this is the issue because if the center high mount works with the headlights off and then not when they are on, the only common thing is the module. However, it is nice to test it and confirm this as there is a chance that the multifunction switch is the issue but it is unlikely.

Let me know what questions you have. Thanks
Was this
answer
helpful?
Yes
No
Wednesday, December 9th, 2020 AT 4:46 PM
Tiny
MRJONES812
  • MEMBER
  • 4 POSTS
The middle brake light works all the time with the headlights on or off. In the morning I will go out and try to test it. I just recently changed the turn signal switch or multifunction switch about 2 months ago, so I don’t thinks it’s that.
Was this
answer
helpful?
Yes
No
Thursday, December 10th, 2020 AT 6:30 PM
Tiny
KASEKENNY
  • MECHANIC
  • 18,907 POSTS
Okay. So if the center light works properly then it is the switch or the module. I would tend to agree that if the switch was just changed then it is most likely not it. However, it does make me nervous because new parts do fail. However, you can test the wiring as stated above or if you still have a warranty on the switch then you can try and get it exchanged. I would like it if we proved out the wiring but if you are not comfortable doing that then I understand. Otherwise, I would replace the module as shown above.

Let us know what questions you have. Thanks
Was this
answer
helpful?
Yes
No
Friday, December 11th, 2020 AT 5:57 PM
Tiny
MRJONES812
  • MEMBER
  • 4 POSTS
I have no problem testing the wires I just need some step to step instructions and what all do I need to test it. I have a test light a multi meter. Do I need anything else? Thank you
Was this
answer
helpful?
Yes
No
Saturday, December 12th, 2020 AT 7:12 AM
Tiny
MRJONES812
  • MEMBER
  • 4 POSTS
I’m not sure what module you're saying I need to change. Are you saying I need to change my whole dash more less?
Was this
answer
helpful?
Yes
No
Saturday, December 12th, 2020 AT 7:39 AM
Tiny
KASEKENNY
  • MECHANIC
  • 18,907 POSTS
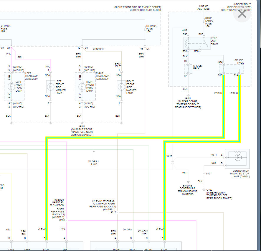
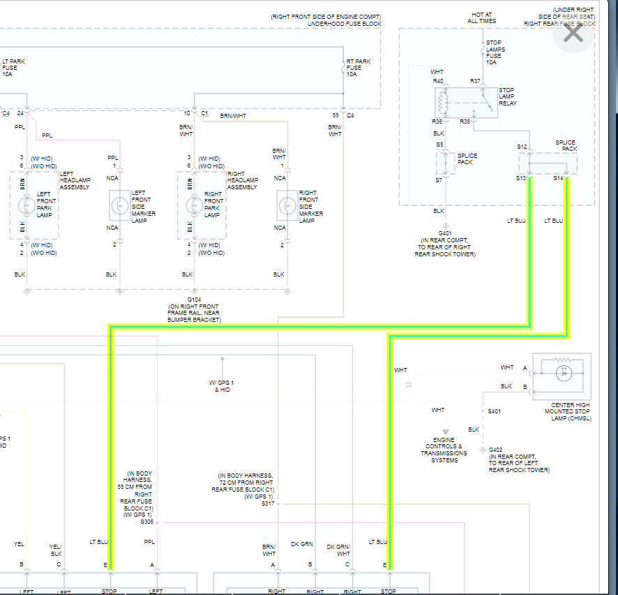
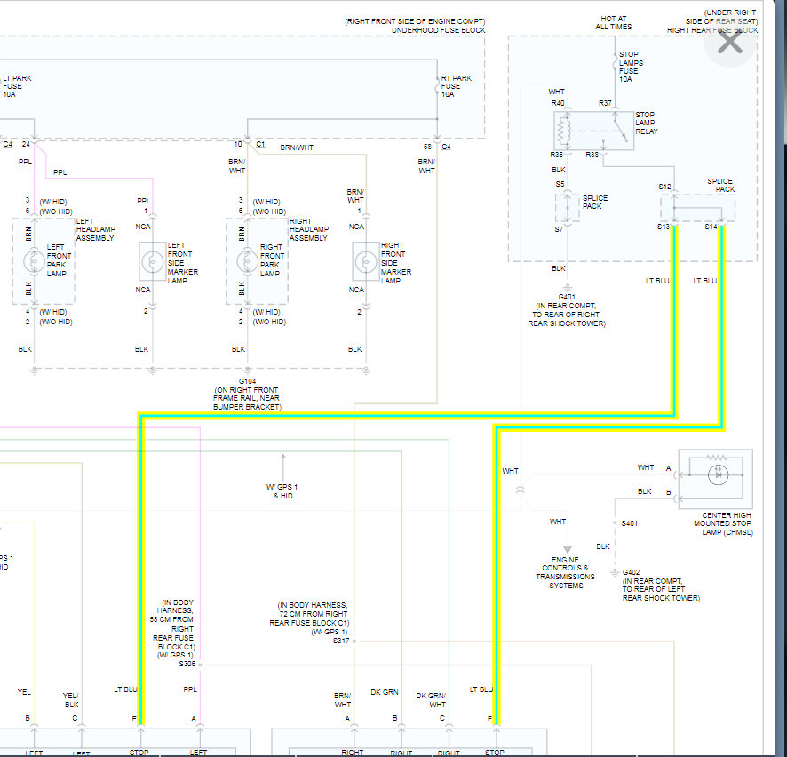
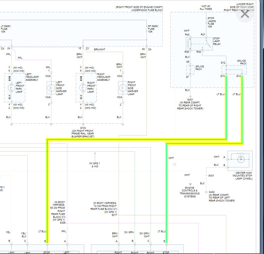
So I think to test this we need to test voltage coming out of the fuse block or at the taillight assembly on the light blue wire. Test this with the head lights off and on. Clearly there should only be voltage there when you press the brakes.

You can you a test light for this as it would be easy to use this rather then the meter. Here is a guide that helps with this:

https://www.2carpros.com/articles/how-to-use-a-test-light-circuit-tester

Also, did this just start one day or did you just notice it? Since the third brake light is not affected, I am wondering if there is just a wiring issue where someone wired the park lamps to the brake lamp circuit. So we need to make sure we have voltage on the stop lamp circuit when this happens.

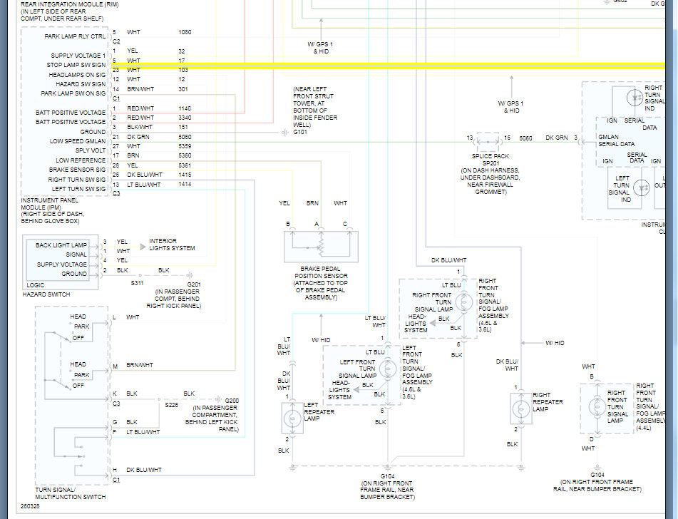
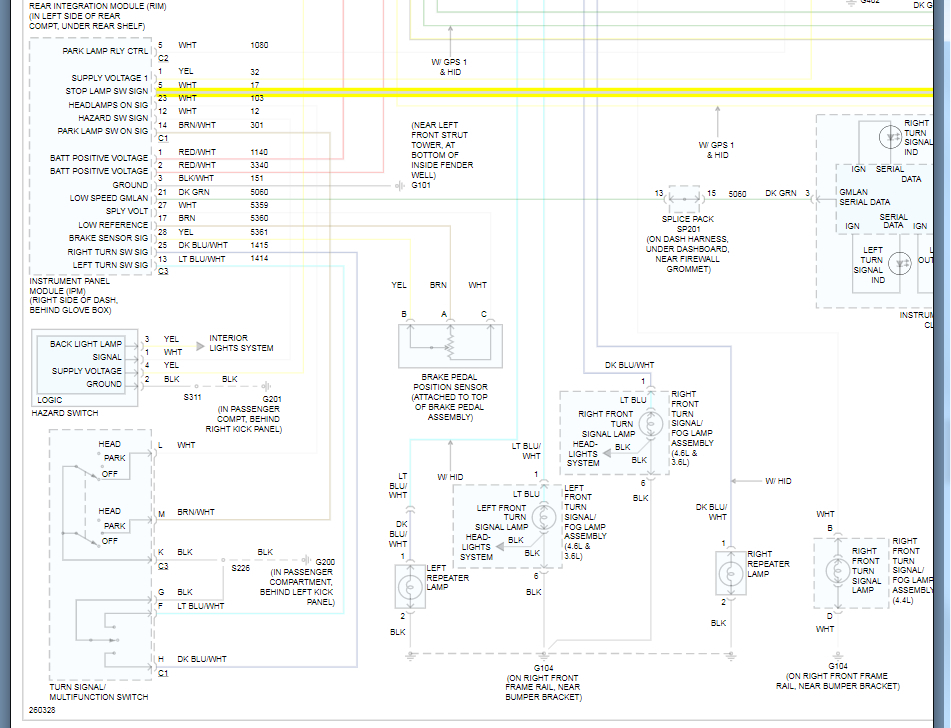
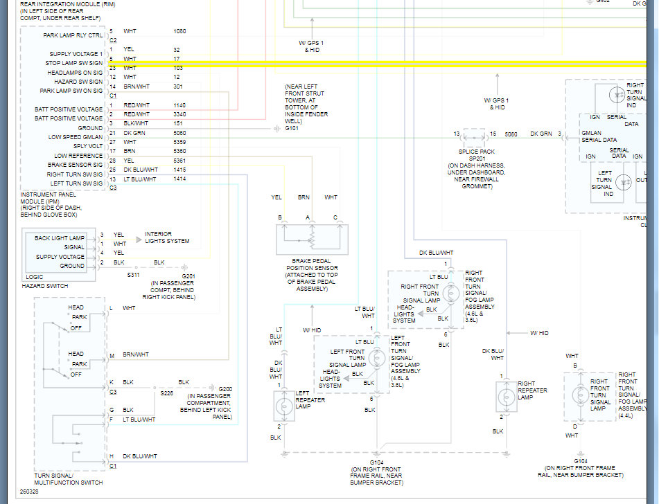
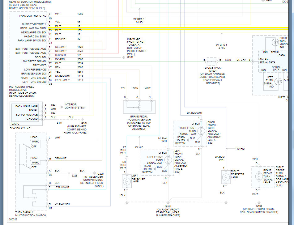
Here is the wiring diagram for your review.
Was this
answer
helpful?
Yes
No
Saturday, December 12th, 2020 AT 5:09 PM

Please login or register to post a reply.