Monday, December 21st, 2020 AT 3:02 PM
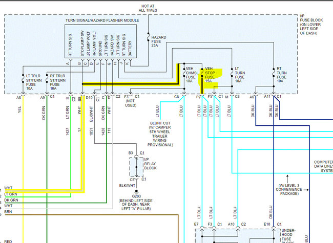
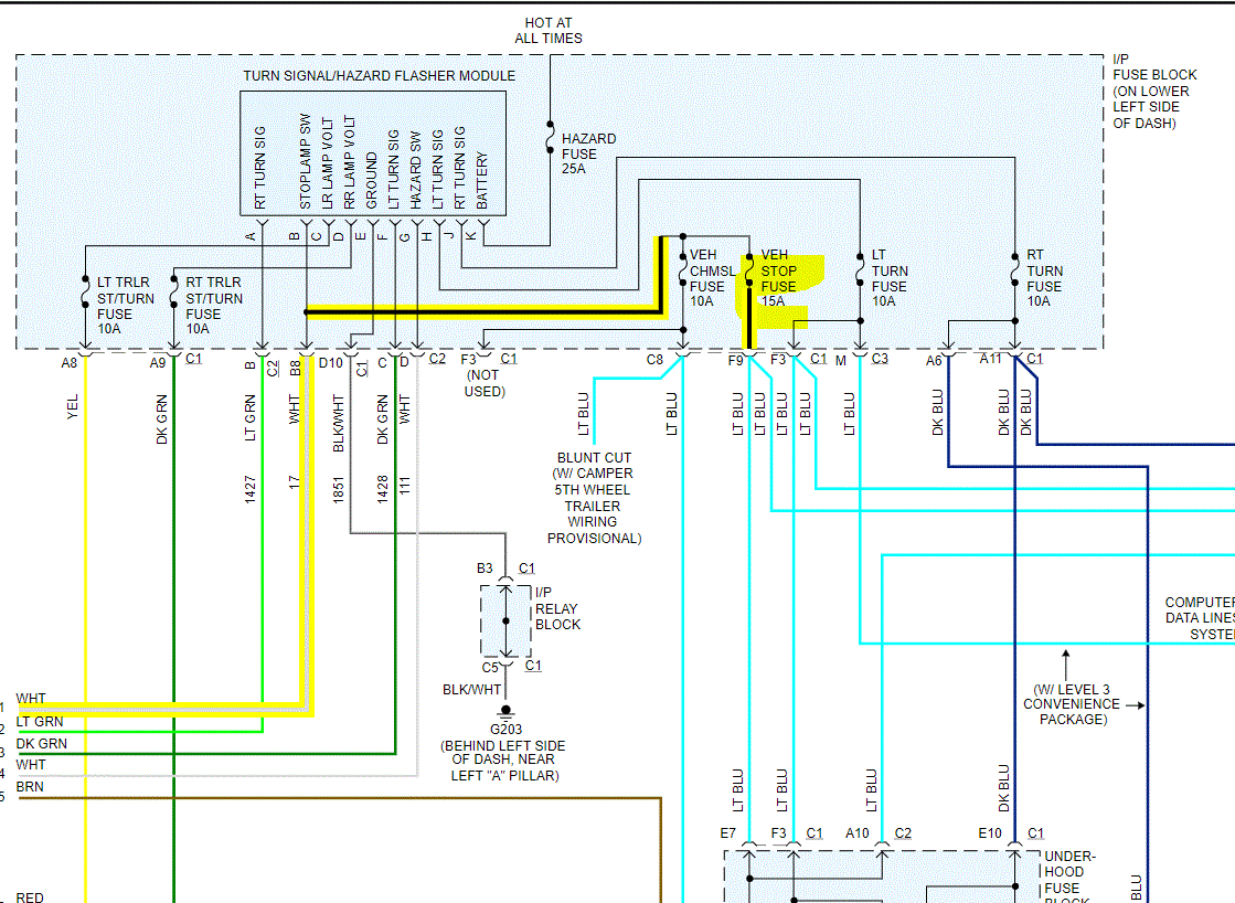
Recently I replaced my hydro booster. I forgot to plug my brake light switch back up and fixed the problem, but every time I plug my switch back up it locks my shifter and wont come out of park. I have replaced my brake light switch and checked my cruse, and brake fuses but all look good. I don't have any lights coming up on the dash. I don't know what else could be causing the shifter to lock up when I plug the switch up.






