Brake and battery lights turned on

Tiny
BRANDI RENAE CRIGGER
  • MEMBER
  • 2010 NISSAN MURANO
  • 3.5L
  • V6
  • 4WD
  • AUTOMATIC
  • 137,000 MILES
It completely shut off on me a couple weeks ago. Since then we have replaced the alternator 2 times (the first one was bad), installed a brand new battery, also put a brand new serpentine belt on while we were at it. The car starts and runs fine, we ran tests on the battery and alternator and they're both showing high output, but the brake and battery lights are illuminated on the dash. They burn solid, they don't flicker when you give it gas or turn on more loads. We have also replaced the alternator plug in since that's the only other thing we could think to replace but the lights are still on. We also checked all the fuses and none are blown. It is showing absolutely no other lights or service engine codes. What could it be? How do we get these lights to go off?
Monday, August 24th, 2020 AT 12:15 PM

6 Replies

Tiny
ASEMASTER6371
  • MECHANIC
  • 52,796 POSTS
Good evening,

What is the voltage at the battery with the engine running?

https://www.2carpros.com/articles/how-to-check-a-car-alternator

I attached a diagram of the charging system. With the key on, can you give me the voltage on each at the alternator?

https://www.2carpros.com/articles/how-to-check-wiring

Roy
Was this
answer
helpful?
Yes
No
Monday, August 24th, 2020 AT 4:27 PM
Tiny
BRANDI RENAE CRIGGER
  • MEMBER
  • 4 POSTS
It has been running 15.6 volts with engine running, A/C, radio and high beams on.
Was this
answer
helpful?
Yes
No
Saturday, August 29th, 2020 AT 6:36 AM
Tiny
ASEMASTER6371
  • MECHANIC
  • 52,796 POSTS
Thank you. That is too high. The voltage regulator is not working correctly.

I would replace the alternator.

https://www.2carpros.com/articles/how-to-replace-an-alternator

Roy

ALTERNATOR

Removal and Installation

REMOVAL
1. Disconnect the negative battery terminal.
2. Remove engine cover.
3. Remove front wheel and tire (RH).
4. Remove splash guard (RH) See: Front Fender Liner > Removal and Replacement > Exploded View.
5. Remove air cleaner and air duct assembly. See: Air Cleaner Housing > Removal and Replacement > Removal And Installation.
6. Remove drive belt. See: Drive Belt > Removal and Replacement > Removal And Installation.
7. Remove A/C compressor. See: Compressor HVAC > Removal and Replacement > Removal and Replacement.
8. Remove idler pulley.
9. Disconnect the oil pressure switch.
10. Disconnect the alternator harness connectors.
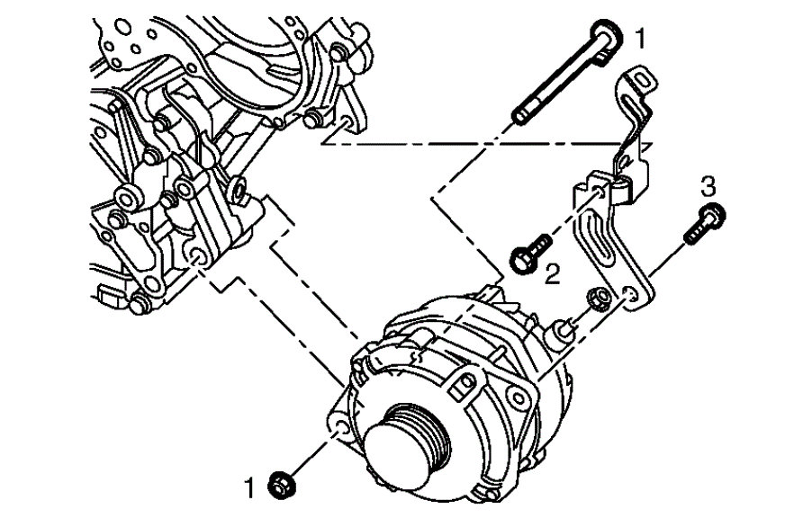
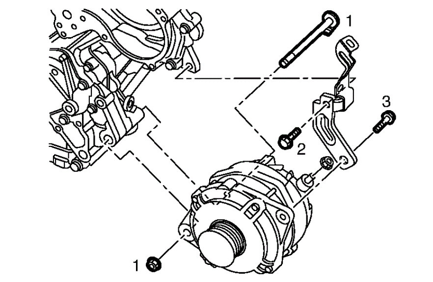
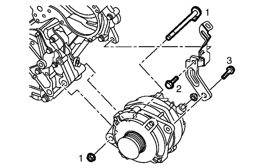
11. Remove the alternator bolt and nuts, using power tools.
12. Slide the alternator out and remove.

INSTALLATION
Installation is in the reverse order of removal.

CAUTION:

imageOpen In New TabZoom/Print

Temporarily tighten all of alternator bolt and nuts. And then tighten them in numerical order shown in the figure.
Be sure to tighten "B" terminal nut carefully.
Install alternator and check tension of belt. See: Drive Belt Tensioner > Removal and Replacement > Exploded View.
For this model, the power generation voltage variable control system that controls the power generation voltage of the alternator has been adopted. Therefore, the power generation voltage variable control system operation inspection should be performed after replacing the alternator, and then make sure that the system operates normally. See: Charging System > Initial Inspection and Diagnostic Overview > Power Generation Voltage Variable Control System Operation Inspection.
Was this
answer
helpful?
Yes
No
Saturday, August 29th, 2020 AT 12:00 PM
Tiny
BRANDI RENAE CRIGGER
  • MEMBER
  • 4 POSTS
We replaced the alternator twice. The first alternator was refurbished from the parts store and didn't work. The second time we ordered one we insisted they give us a brand new one and bought a brand new battery. But it is still showing the battery and brake lights, but now the tire pressure light is also on. Also, not sure if it is related or not, but the exhaust sounds louder than it did before this problem happened and it doesn't seem to be running right. Could that be cause by the alternator as well or a different issue?
Was this
answer
helpful?
Yes
No
Saturday, August 29th, 2020 AT 12:26 PM
Tiny
BRANDI RENAE CRIGGER
  • MEMBER
  • 4 POSTS
Also, what should the voltage be ideally?
Was this
answer
helpful?
Yes
No
Saturday, August 29th, 2020 AT 12:27 PM
Tiny
ASEMASTER6371
  • MECHANIC
  • 52,796 POSTS
Not the exhaust or the tire monitor light.

The voltage should be 14 to 14.5 volts.

Did you verify the fuses in the first diagram I sent you?

https://www.2carpros.com/articles/how-to-check-a-car-fuse

Roy
Was this
answer
helpful?
Yes
No
Saturday, August 29th, 2020 AT 4:21 PM

Please login or register to post a reply.