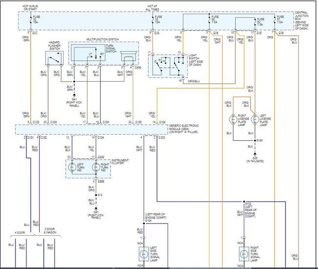
Troubleshooting:
1. Visually inspected wiring for bad wires or corrosion - Nothing found, Visual checks out okay.
2. Replaced both bulbs with new bulbs. - No change.
3. Replaced Brake light switch - No change.
4. Replaced Blinker switch in steering console. - No change.
5. Checked fuses - fuses good.
What's next? What else is there?
Monday, June 17th, 2019 AT 1:53 PM




