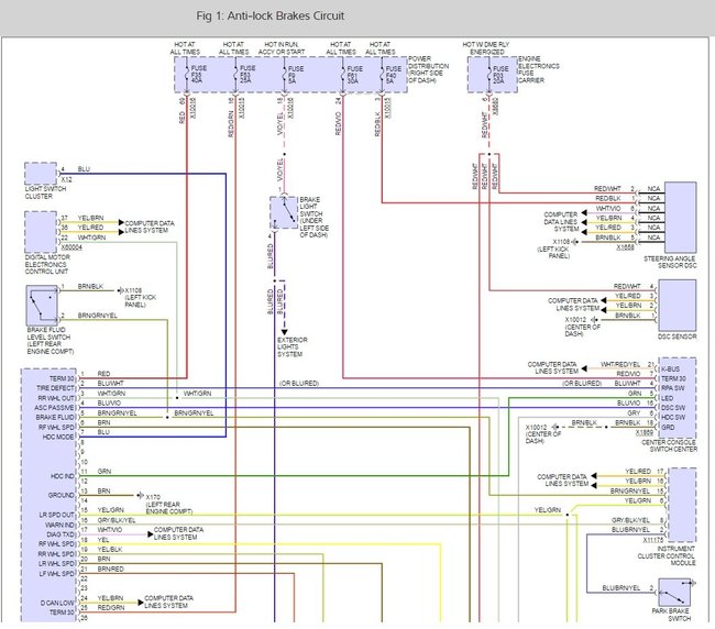
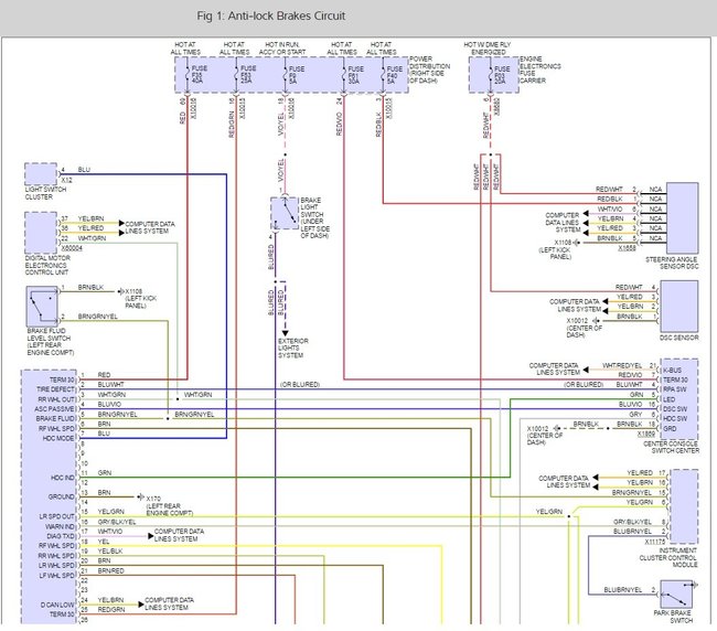
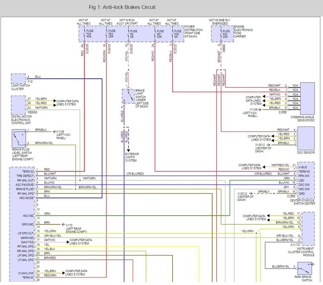
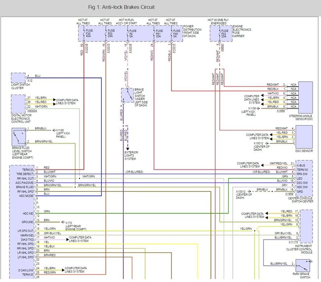
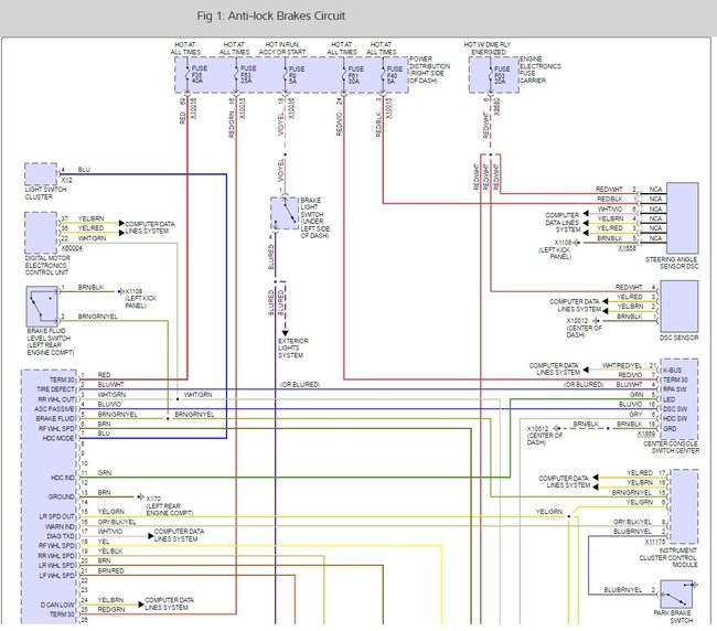
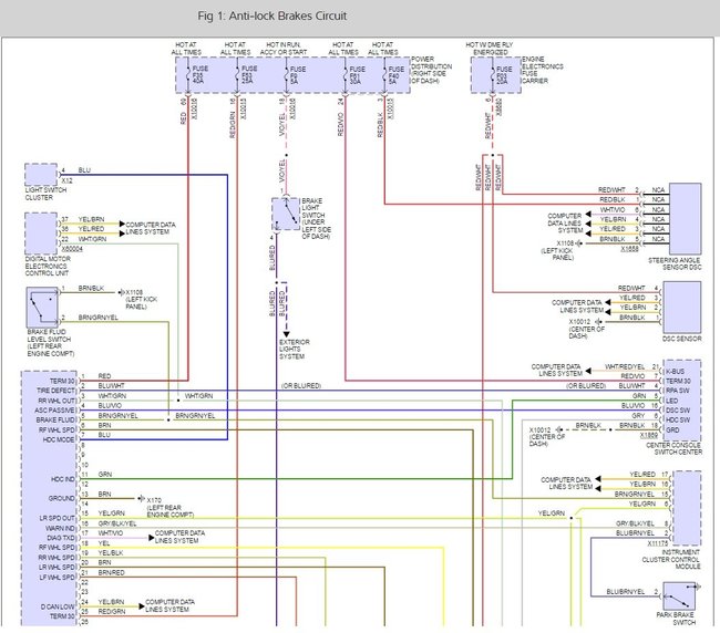
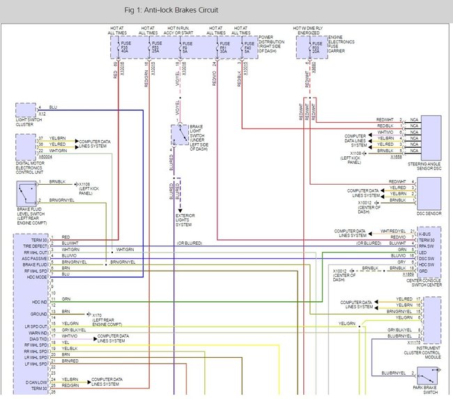
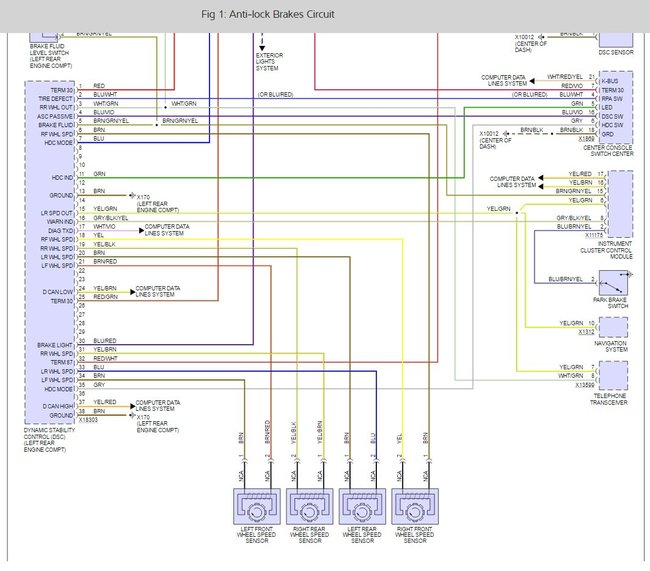
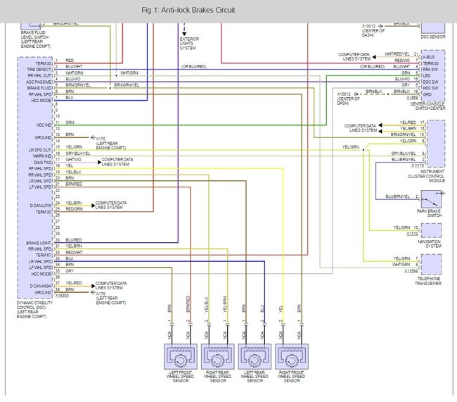
I had my e83 brake, 4WD and tire-pressure light orange, day after a big storm. I used a friend's diagnostic BMW computer and it said front left "speed sensor" issue.
I ordered one and replaced it. Then all light shut down and now as I drive few meters then light up again until I shut the car off. When I cycle the key there nothing and when I drive a bit it comes again.
I replaced the right speed sensor to see and then.
I ordered an icarsoft 910 diagnostic case and it says "left speed sensor air gap" and same fault ont right.
I imagine there is plug-in problem or the reluctor is bad or I have something to do with the speed sensor to make it work again, as you wrote :
Curve ball: Honda, Acura and BMW
On some newer vehicles, when the sensor is unplugged, the power or bias is turned off. If the sensor was plugged in and the key was cycled, it would appear again. In these cases, back probing the sensor would be the best way to test the sensor."
Can you help me please?
Thursday, April 6th, 2017 AT 12:57 AM




