Sunday, July 23rd, 2023 AT 6:12 PM
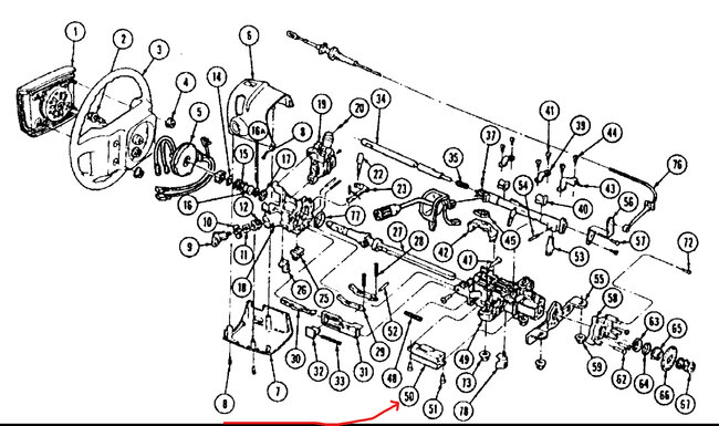
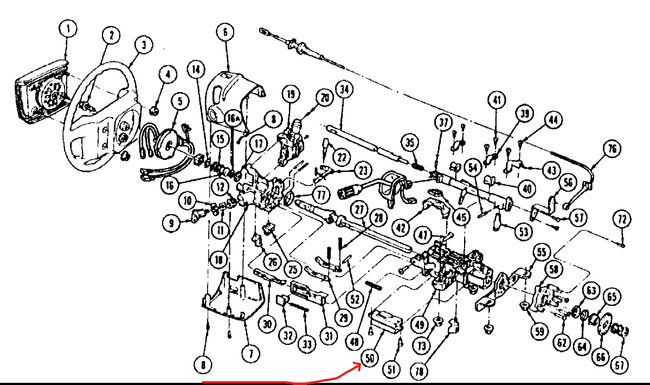
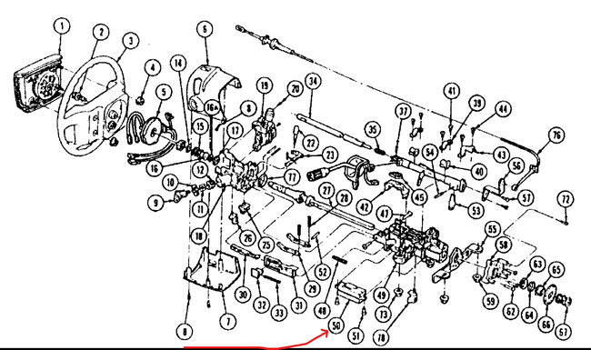
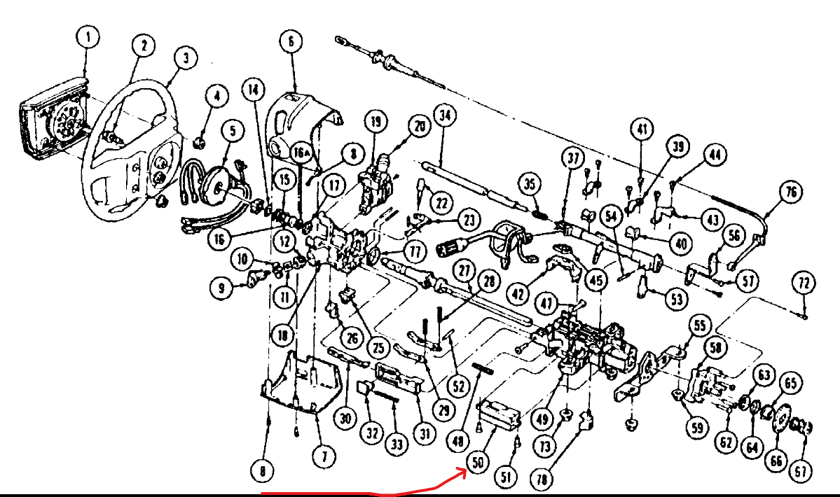
When I'm able to start my van it will run and drive when it's cold, but once it gets to normal running temperature it just shuts off and won't start back up, until fully cold. I've replaced the ignition control module, thermostat and housing and the temperature sensor that's in the housing and the coil. I haven't been able to start the van yet because I believe the battery is low (reading about 8 amps or so when trying to start) so I need to charge it. I'm not a mechanic by all means and this van is starting to irritate me bad, and I need my van running and driving, hope you can help. Thanks


