Both low beam headlights are not working

Tiny
DDARRYLJK
  • MEMBER
  • 2015 JEEP CHEROKEE
  • 2.4L
  • 4 CYL
  • 2WD
  • AUTOMATIC
  • 113,000 MILES
Getting a message that low beam light out from dashboard, Changed both headlights neither light up. I checked the connection. Cannot figure out the relay or fuses, can you help?
Monday, June 6th, 2022 AT 2:44 AM

1 Reply

Tiny
KEN L
  • MASTER CERTIFIED MECHANIC
  • 55,488 POSTS
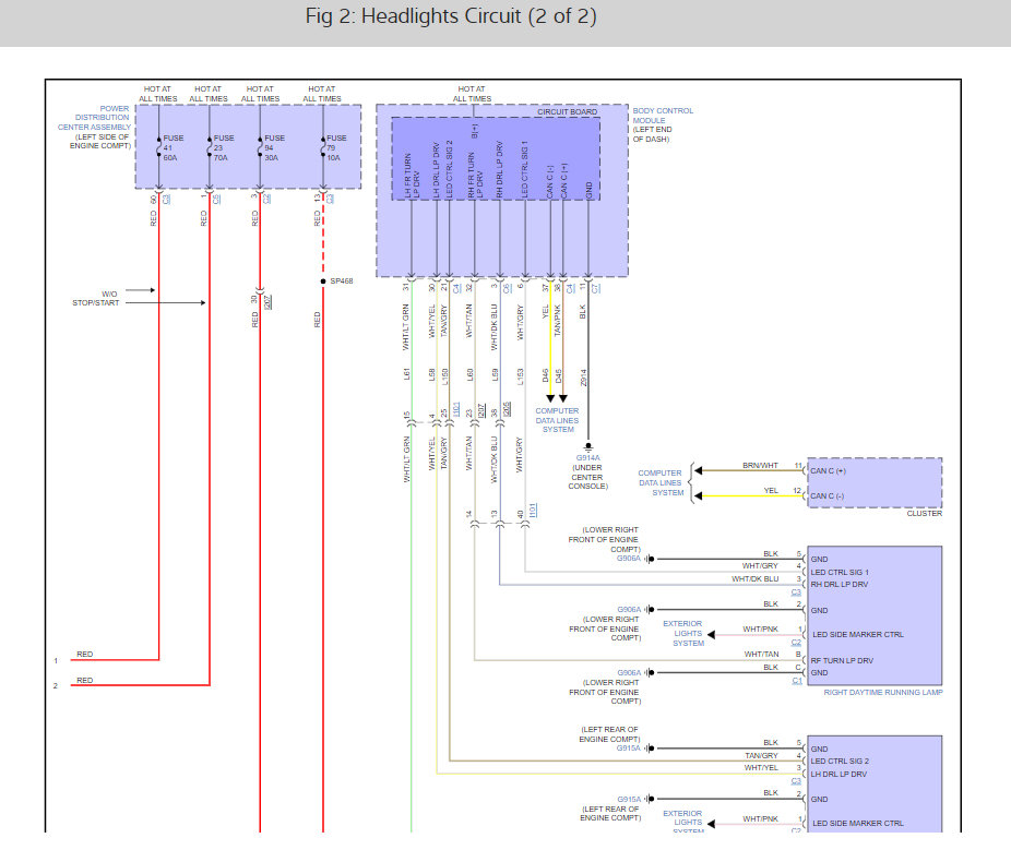
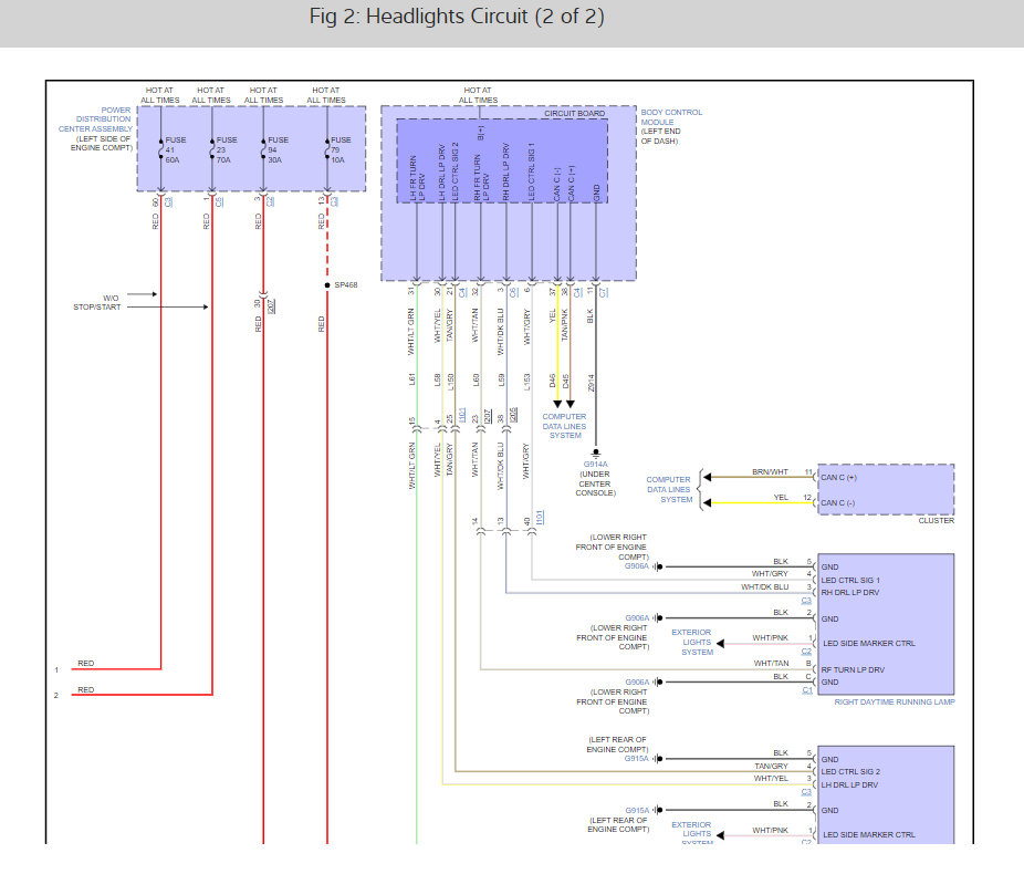
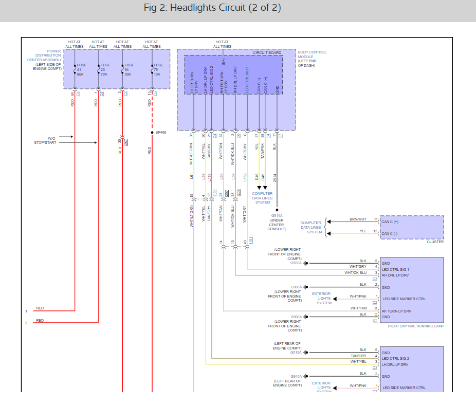
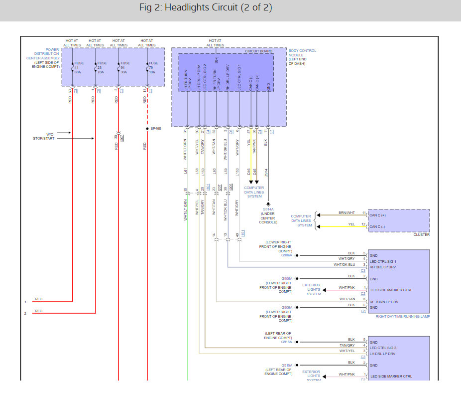
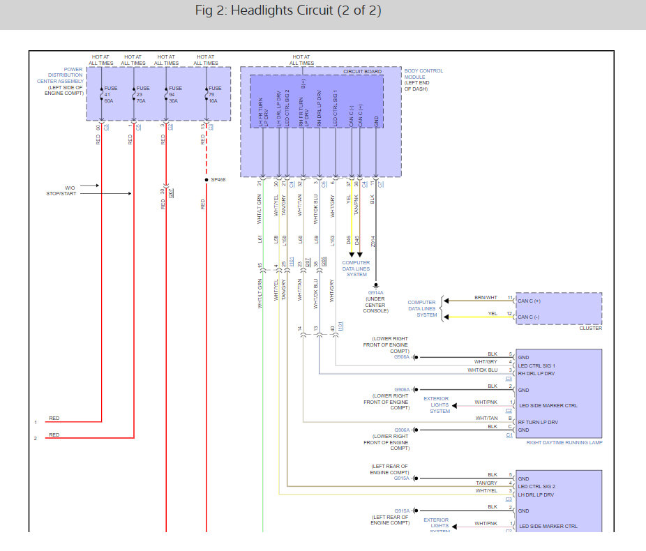
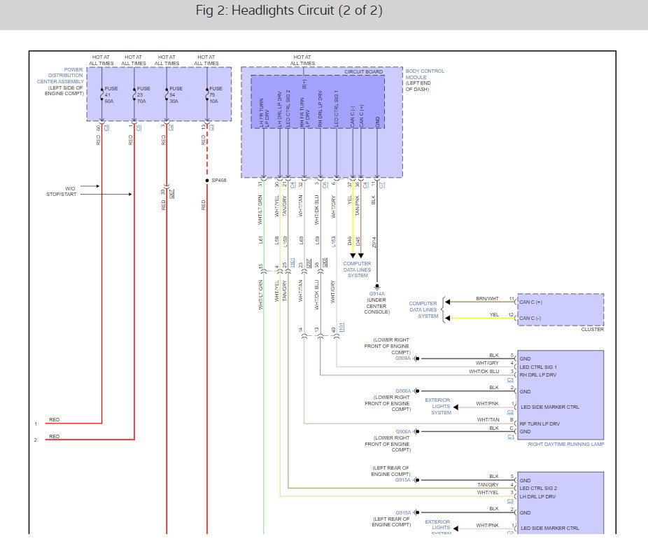
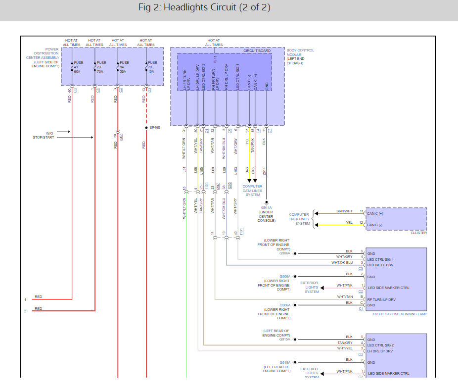
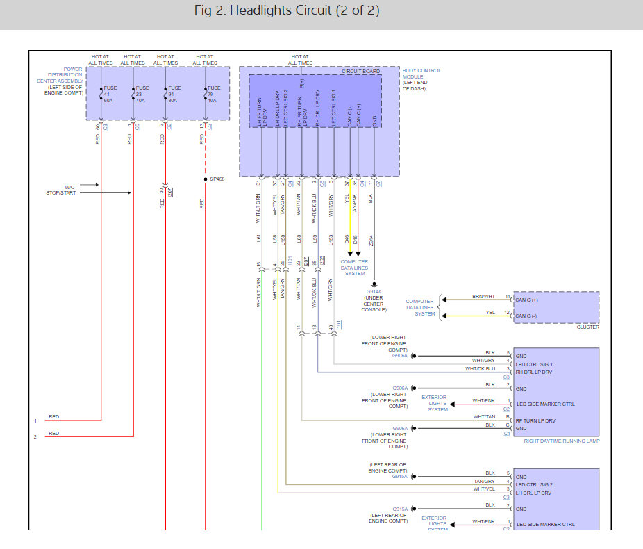
It sounds like you have a fuse out # 41, 23, 94 and 79 under the hood, or the BCM is not working. here is a guide to help you check the fuses and the fuse locations in the diagrams below:

https://www.2carpros.com/articles/how-to-check-a-car-fuse

If the fuses check out okay, we can do a CAN scan which will run the codes on the BCM to see if it is bad. Here is a guide/video:

https://www.2carpros.com/articles/can-scan-controller-area-network-easy

I have also included the headlight wiring diagrams so you can see how the system works. Check out the diagrams (below). Let us know what happens and please upload pictures or videos of the problem.

Was this
answer
helpful?
Yes
No
Monday, June 6th, 2022 AT 7:23 PM

Please login or register to post a reply.