Both blend door actuator locations needed

2007 FORD FUSION
230,000 MILES • 3.0L • 6 CYL • 2WD • AUTOMATIC
Avatar
DRYNOODLE
  • MEMBER
  • 28 POSTS
Are both behind glove box? I am trying to do this with a bad shoulder. Any advice would be greatly appreciated. Thanks
Mar 8, 2021 at 5:55 PM
Advertisement
Avatar
STEVE W.
  • CAR REPAIR CONTRIBUTOR
  • 15,151 POSTS
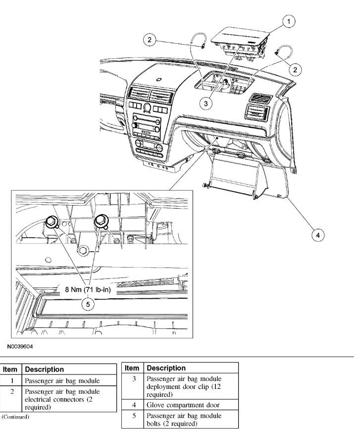
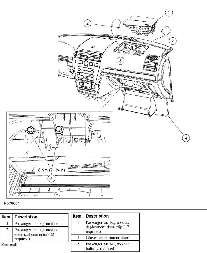
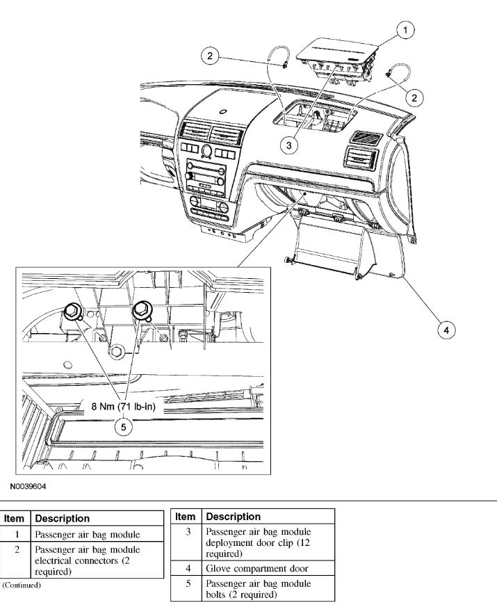
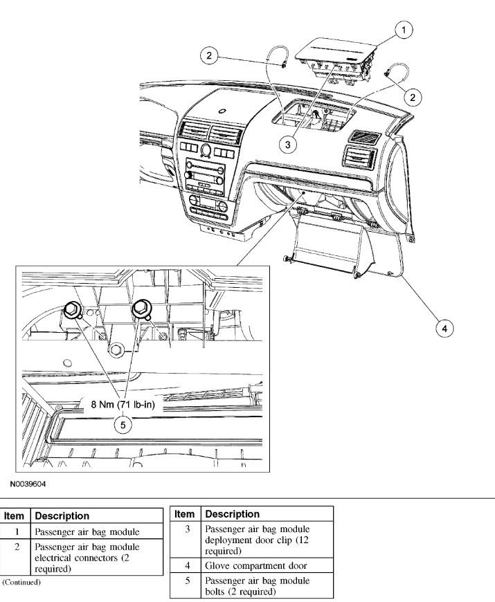
The left side actuator is on the left side of the HVAC case, you can get to it from the drivers footwell. It's above the accelerator pedal. Remove the screws and it comes free. Install the new one and tighten the screws. The right side is a bit harder. It's behind the airbag module. To get to it you open the glove box, remove the two bolts that hold the airbag in the dash and push up on the air bag module. With it held out of the way you remove the screws from the actuator, reverse the process to install the new one.
Mar 9, 2021 at 3:32 AM
Advertisement
Avatar
DRYNOODLE
  • MEMBER
  • 28 POSTS
Would messing with the airbag make it go off?

User comment: No because on are 2007 Ford Fusion they’re both on driver side. The passenger side is on top of the driver side.
Mar 9, 2021 at 5:03 AM
Avatar
STEVE W.
  • CAR REPAIR CONTRIBUTOR
  • 15,151 POSTS
Nope. The bag itself has no sensors in it. If you wish you can pull the fuse for the bag system, it's in the fuse block under the left side of the dash. It's fuse F25. With it out the bags will not have trigger power. Just be sure to reinstall it.
Mar 9, 2021 at 6:28 AM
Avatar
DRYNOODLE
  • MEMBER
  • 28 POSTS
Thank you very much. I have Googled for days and still couldn't find answer. You are a blessing. Thank you Steve :)
Mar 9, 2021 at 6:47 AM
Avatar
STEVE W.
  • CAR REPAIR CONTRIBUTOR
  • 15,151 POSTS
You are welcome. Please return anytime.
Mar 9, 2021 at 9:24 AM
Avatar
DRYNOODLE
  • MEMBER
  • 28 POSTS
That didn't work. Without pulling dash out it's impossible. Thanks anyways.
Mar 11, 2021 at 4:10 PM
Avatar
STEVE W.
  • CAR REPAIR CONTRIBUTOR
  • 15,151 POSTS
Take a look in through the glove box opening. The actuator you are looking for will be on the left side of the opening. Behind the area the airbag was mounted.
Mar 11, 2021 at 5:29 PM
Avatar
DRYNOODLE
  • MEMBER
  • 28 POSTS
I promise you there is no actuator where you're telling me. It's where that picture is and one above gas pedal. I have looked and looked. Wish it was where you're saying it is but it isn't.
Mar 12, 2021 at 6:35 AM
Avatar
DRYNOODLE
  • MEMBER
  • 28 POSTS
This is from Ford when i picked up parts. Thumb is actuator and index finger is where it goes.
Mar 12, 2021 at 6:52 AM
Avatar
STEVE W.
  • CAR REPAIR CONTRIBUTOR
  • 15,151 POSTS
There is one on the end where you show but that is the recirculate actuator. The image shows looking at the rear of the dash. The one you have in your pictures is the recirculate actuator at the far left of the image. The temperature actuator is farther over. It should be visible in the top left of the glove box opening. The second image shows the blend door at bottom left, mode actuator above it. Then the passenger blend door on the opposite side of the case and the fresh/recirculate actuator at the top right.
BUT something I didn't ask and just assumed from you asking for both blend doors, Does your car have dual zone heating where you can set passenger and drivers sides at different temps? If not then that is the problem, it only has the single blend door actuator above the gas pedal. Then the mode door above that and the recirculate on the other end.
Mar 12, 2021 at 11:16 AM
Avatar
DRYNOODLE
  • MEMBER
  • 28 POSTS
Later this evening when i get home i will look. I haven't seen one on glove box left but i will double check. I honestly hope the one on top right isn't the only one. Ford said they were only two. I will update later this evening. Thank you very much for helping me thru this. My left shoulder needs surgery and i can't get any help. If i could pay you Steve, I would. Will be back this evening. Thanks
Mar 12, 2021 at 12:35 PM
Avatar
DRYNOODLE
  • MEMBER
  • 28 POSTS
Oh, its single zone.
Mar 12, 2021 at 12:35 PM
Avatar
DRYNOODLE
  • MEMBER
  • 28 POSTS
I'm about to just set it on fire. It's not where you're saying it is. Thanks anyways.
Mar 12, 2021 at 4:25 PM
Avatar
STEVE W.
  • CAR REPAIR CONTRIBUTOR
  • 15,151 POSTS
Okay, if it's single zone there are a total of three actuators. There are two on the left end of the HVAC case above the gas pedal. The bottom one is the blend door which controls the air temperature out of the case. The one above it is the mode actuator, it controls where the air goes, either floor, dash vents or defrost (or mixes of those depending on setting) the one on the far right that you took a picture of is the recirculate actuator. It controls where the air comes from. With it in the normal position the air comes through the outside vents and into the case, with it in the other position it pulls air from inside that cars body and runs that through the case.
If you cannot select floor/dash/defrost air then it's the top unit over the gas pedal.
If it's that you cannot control hot/cold air temp then it would be the lower one on that same side.
If you cannot control if it's outside air or inside air then it would be the one that you had in your picture.
The sheet you got from Ford shows the blend actuator on the left side and the recirculate actuator on the right.
What is the actual issue you are having with the heat/AC?
Mar 12, 2021 at 4:32 PM
Avatar
DRYNOODLE
  • MEMBER
  • 28 POSTS
It now blows hot when the A/C is on and the defrost quit blowing. Both started at same time. I have hot air coming from vents but no defrost and no cold air.
Mar 12, 2021 at 4:36 PM
Avatar
STEVE W.
  • CAR REPAIR CONTRIBUTOR
  • 15,151 POSTS
Okay, that would be the two actuators on the drivers side. The blend and mode. You should be able to watch the linkage on the mode actuator and see if it's moving as they use external plastic pieces to move the various doors. The blend one however just slides over the shaft behind it so nothing to really see.
Mar 12, 2021 at 4:42 PM
Avatar
DRYNOODLE
  • MEMBER
  • 28 POSTS
I looked on the one i thought on passenger. It opens/shuts so its the ones on driver sides. Now i wonder if ford ordered wrong part? Passenger side works. But by this Ford diagram i have the passenger one.
Mar 12, 2021 at 4:45 PM
Avatar
STEVE W.
  • CAR REPAIR CONTRIBUTOR
  • 15,151 POSTS
The passenger side would be the recirculate door and it's working. Except if you had the dual zone heat/AC. then there would be an actuator as I originally said.

The blend door number for your car should be # 6E5Z-19E616-B and is in the second image while the mode door unit is # 6E5Z-19C772-A and the last two images
The blend door part is a bare actuator but the mode door has a cam assembly attached and those like the come off or break.
To replace them you need to remove the lower motor first, so the blend door, then the mode actuator. To reinstall you want the mode door pins to fit into the slots on the cam on the back of the actuator.
Mar 12, 2021 at 8:35 PM
Avatar
DRYNOODLE
  • MEMBER
  • 28 POSTS
I finally got the right part. Now the big question.. Can i remove the lower dash or do i have to shrink my arms and hands to lay upside down to get to the actuators? I removed driver seat but it looks impossible. Borrowed 6" lifts thinking if the car was up more i could get a better angle but that's a negative. Thanks for your advice.
Mar 19, 2021 at 4:03 PM
Avatar
STEVE W.
  • CAR REPAIR CONTRIBUTOR
  • 15,151 POSTS
You should be able to get to it from underneath, it's a tight fit but doable. You can pull the lower trim if it has that panel, some do others don't. Then you remove the lower actuator, it's in the way, once it's out then it's just the screws that hold the upper one you need to change. I normally do them laying on my back on a board stuck between the seat and door. That way you don't need joints that bend the wrong way.
Mar 19, 2021 at 6:19 PM
Avatar
DRYNOODLE
  • MEMBER
  • 28 POSTS
I didn't even think about a board. I'm going to work on it tomorrow . Hopefully i can get it. Thank you very much. Have a great night.
Mar 19, 2021 at 7:41 PM
Avatar
STEVE W.
  • CAR REPAIR CONTRIBUTOR
  • 15,151 POSTS
Friend of mine actually bought a fancy low level creeper that does the same thing. I just use a chunk of 1X8 6 foot long and put the free end on a small step stool. His has a folding leg that can be adjusted, and it's padded. Mine was $10.00, his was like $150.00 off the truck..
Mar 19, 2021 at 7:47 PM
Avatar
DRYNOODLE
  • MEMBER
  • 28 POSTS
I put a trash bag down earlier but that made it worse. Kept sticking to me. I have a bunch of 3' 1x4 that was salvaged from old fence i can use. Might break out Sawzall if that fails, lol. Something so simple has been a nightmare. i will let you know once i got it.
Mar 19, 2021 at 7:57 PM
Avatar
STEVE W.
  • CAR REPAIR CONTRIBUTOR
  • 15,151 POSTS
Have been there myself. The way some vehicles are made these days makes you want to scream. Want to do a simple tune up, sure, just tear out half of the engine to be able to reach the plugs. Want to check the transmission fluid, sure, just put the thing on a lift, measure the fluid temperature and use a special tool to see if it leaks out, Why? Because that 20 cent dip stick is just too much.
Mar 19, 2021 at 9:15 PM
Avatar
DRYNOODLE
  • MEMBER
  • 28 POSTS
They want you to pay the dealership. I remember sitting in motor well while working on the motor. Now you have to pull 500 things apart just to get to a sensor. Hopefully tomorrow i will get it . I will let you know.

Thanks
Mar 19, 2021 at 9:25 PM
Avatar
DRYNOODLE
  • MEMBER
  • 28 POSTS
Do i pull the actuator off of this before i install? It's hanging on that in between steering column to get off.
Mar 20, 2021 at 10:54 AM
Avatar
STEVE W.
  • CAR REPAIR CONTRIBUTOR
  • 15,151 POSTS
You have a temperature issue correct? The part you have pictured is the mode door part, selects between floor/dash/defrost. The temperature control part is the one below it that comes as a bare actuator without the cam housing.
Mar 20, 2021 at 11:34 AM
Avatar
DRYNOODLE
  • MEMBER
  • 28 POSTS
Both are not working. I pulled the temp out. The mode is another one not working. It blows hot air and defrost doesn't work. They both are getting replaced. The mode is unscrewed/unwired but isn't coming out due to that darn steering wheel column being in the way. Any advice on getting it out and new one back in? I mean brake lever not steering column.
Mar 20, 2021 at 11:39 AM
Avatar
STEVE W.
  • CAR REPAIR CONTRIBUTOR
  • 15,151 POSTS
Okay, you already removed the blend door at the bottom correct? With it out the mode door takes a bit of wiggling around to move it, worst case you could disconnect the pedal from the hanger and pull it sideways, or just brute force it out a bit. Just be aware of the switches on it.
Mar 20, 2021 at 11:46 AM
Avatar
DRYNOODLE
  • MEMBER
  • 28 POSTS
It keeps hanging on the levers that opens up/shuts it etc. How much would an able-bodied mechanic usually charge to do this?
Mar 20, 2021 at 11:54 AM
Avatar
DRYNOODLE
  • MEMBER
  • 28 POSTS
Here it is. It's hitting the welded bracket.
Mar 20, 2021 at 11:56 AM
Avatar
DRYNOODLE
  • MEMBER
  • 28 POSTS
Got it in but the defrost still not kicking on. It's stuck on the vents blowing towards me. It gets cold/hot but no defrost. Any advice?
Mar 20, 2021 at 3:57 PM
Avatar
STEVE W.
  • CAR REPAIR CONTRIBUTOR
  • 15,151 POSTS
Sounds like the mode cam isn't seated properly. It moves all of the doors in sequence and can be a pain to get just right when you're standing on your head because of the pins and levers that need to follow the correct tracks inside the cam. I normally try to look at the timing marks on the cam and then set the arms to match them. Even then it can take a couple tries when they don't cooperate.
Mar 20, 2021 at 5:13 PM
Avatar
DRYNOODLE
  • MEMBER
  • 28 POSTS
I'm going to take it to dealership Monday. Hours and hours and all i want to do is set it on fire. I have never cussed that much in my life. Thank you for your help though. Take care
Mar 20, 2021 at 5:16 PM
Avatar
STEVE W.
  • CAR REPAIR CONTRIBUTOR
  • 15,151 POSTS
Sometimes it's better for your head to let someone else fight it. I know the feeling, just usually don't have the option to have someone else do it. Let us know the results please, Thank you for using 2CarPros.
Mar 20, 2021 at 6:14 PM
Avatar
DRYNOODLE
  • MEMBER
  • 28 POSTS
You have been a great help. I'm just not young like i use to be. Upside down with door jamb in my back doesn't work for me anymore. Thank you very much Steve :). I will update once its going right. At least the cold air is blowing. :)
Mar 20, 2021 at 6:29 PM
Avatar
JACOBANDNICKOLAS
  • CAR REPAIR CONTRIBUTOR
  • 110,190 POSTS
Hi,

I noticed we haven't heard from you for a couple of days. Have you made any progress? Also, I agree. It isn't fun to work under the dash.

Let us know.

Joe
Mar 22, 2021 at 6:38 PM
Avatar
DRYNOODLE
  • MEMBER
  • 28 POSTS
I found out by pulling very top storage thing that's in middle out i can get to top of the mode actuator but i haven't messed with it anymore. It's a mess and Ford charges $800.00 and Ford service manuals are $160.00 plus shipping. I will work on it some more soon. Might cut dash out to get to it. Its has around 240,000 miles so looks are not important. Thanks for checking on me. I told my brother about you guys. He has newer Fusion with A/C problems too. Maybe he will be in touch. I will contact if i have anymore problems.

Thanks,
Billy
Mar 22, 2021 at 7:10 PM
Avatar
JACOBANDNICKOLAS
  • CAR REPAIR CONTRIBUTOR
  • 110,190 POSTS
Billy, if there is something as far as directions that you need, let me know. I have access to several different manuals. Also, let me know if you have already replaced the blend door actuator or if you need help with that as well. If I recall, you need to disconnect the steering column for the blend door.

Let is know if there is something we can do to help.

Joe
Mar 22, 2021 at 8:28 PM
Avatar
DRYNOODLE
  • MEMBER
  • 28 POSTS
I replaced mode and blend door but the cam arms are wrong. I didn't know i needed to have those set and i don't know where to set them. There is a white one higher up and a black one on lower part. The air is blowing a bit cooler but it's a lot of trouble. Arthritis in both hips and back and left shoulder needs surgery so its a struggle. I'm not young anymore. I'm not giving up but i'm taking a break.

Thanks
Mar 22, 2021 at 8:37 PM
Repair Safety Notice: This information is for general instructional purposes only. Vehicle repair can be dangerous. Verify all information, follow manufacturer service procedures, use proper tools and safety equipment, and consult a qualified repair shop when needed.