Saturday, January 5th, 2008 AT 10:17 AM
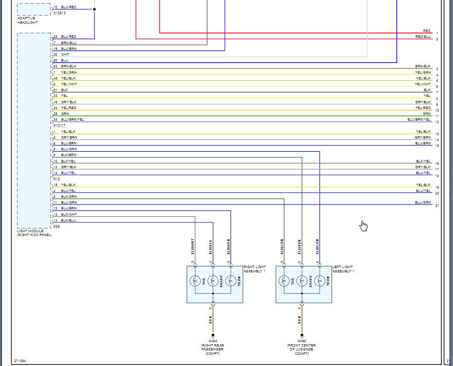
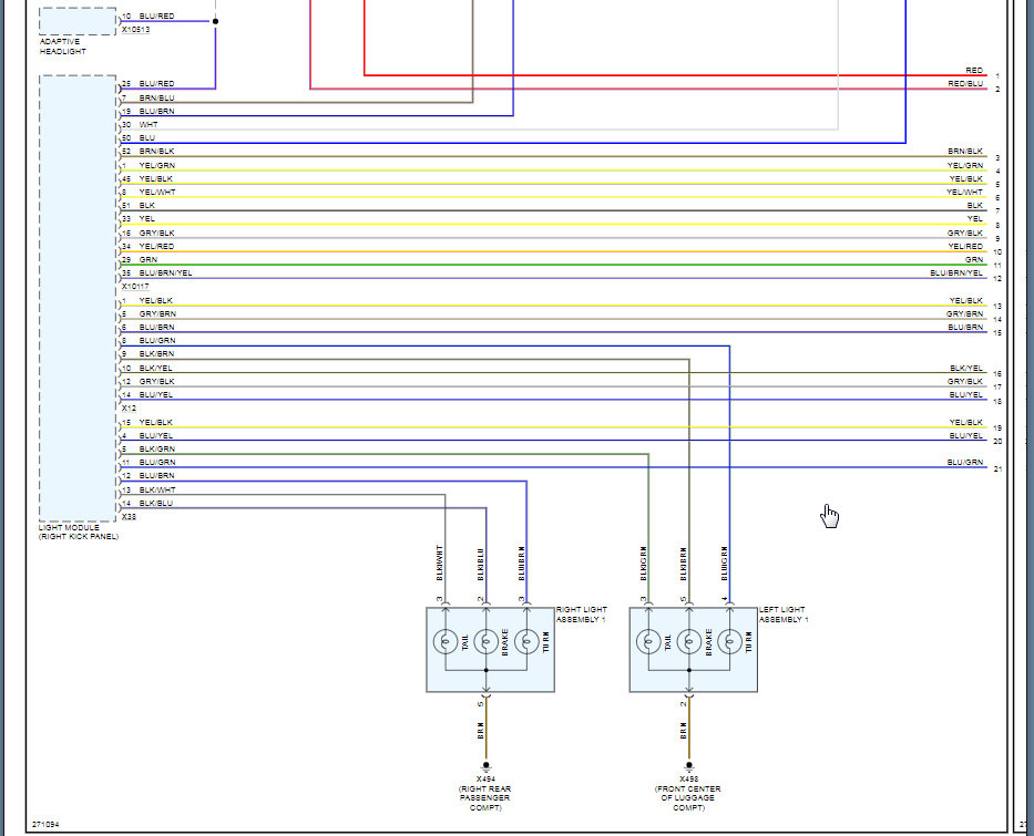
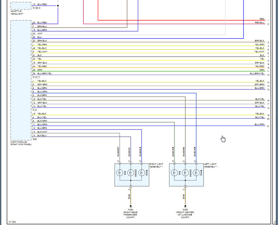
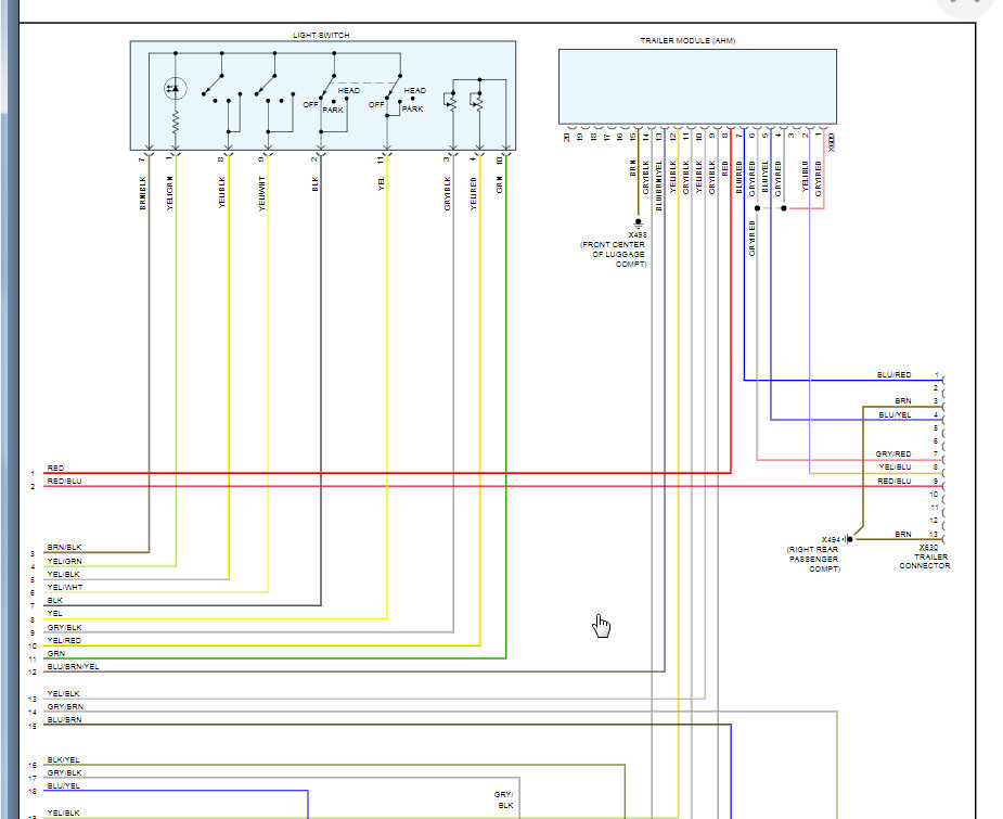
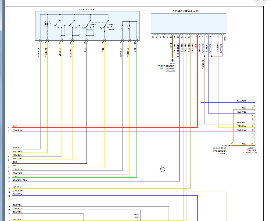
My check park lights fault has come up, when my side lights are on the driver side indicator stays on and the driver side side beam is not on, but when my main beam is on the indicator light goes off, the indicators are all working fine just think it's a loose connection. Can you advise/





