Sunday, October 20th, 2019 AT 4:26 AM
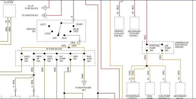
I did the check to see if it was any good checking said fuses in the fuse box and it failed test. I now I noticed under the hood where the other fuse box is that the A/C fuse was blown. Change the fuse and it blew too. What is the problem making the fuse to keep blowing?

