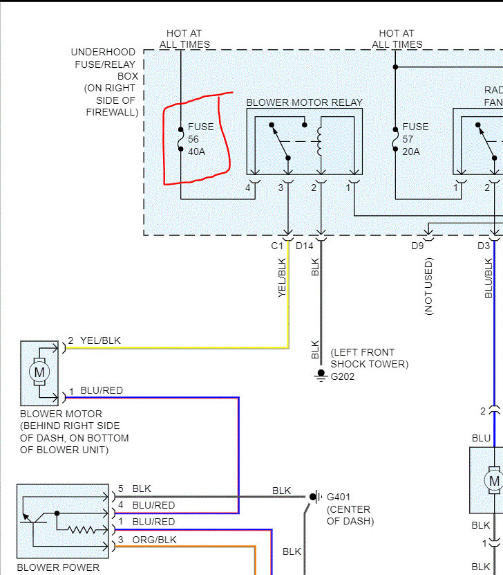
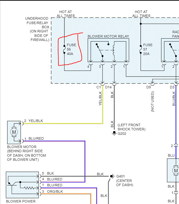
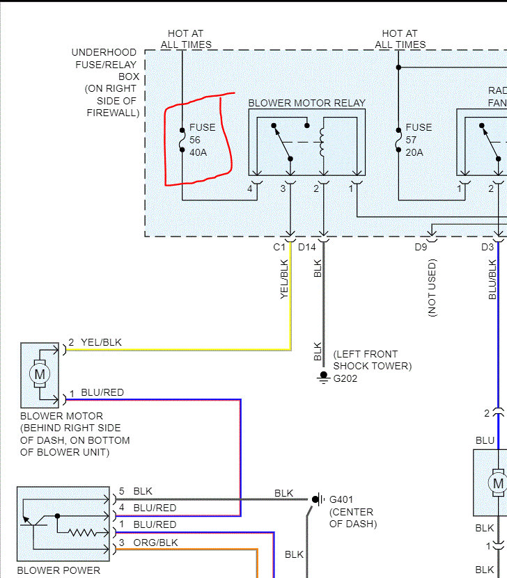
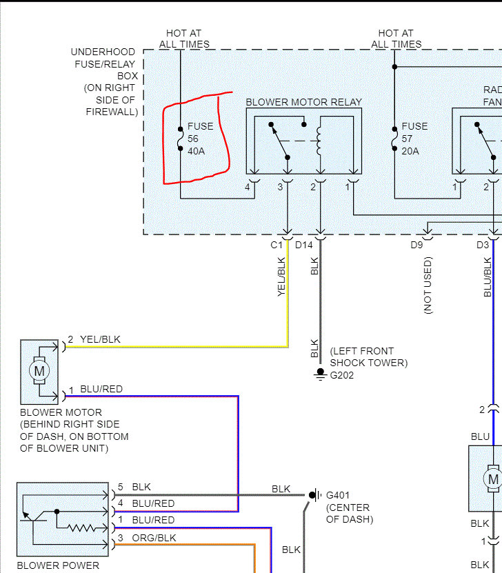
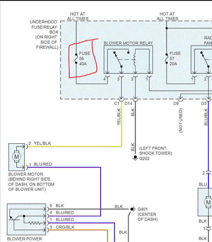
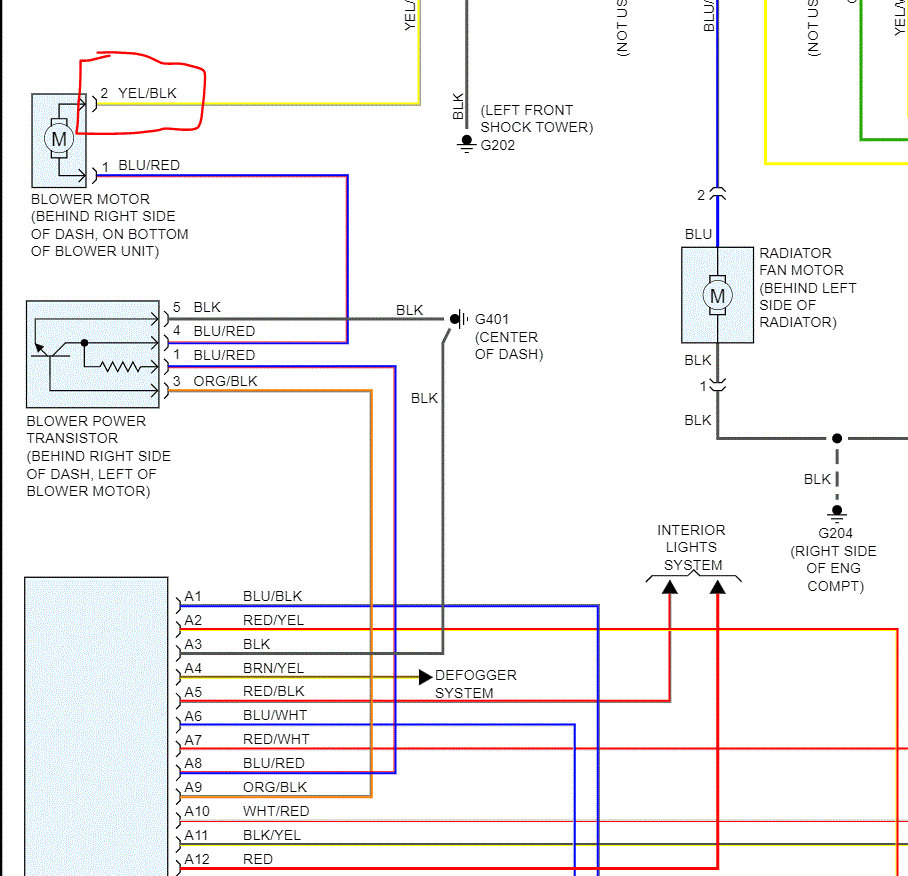
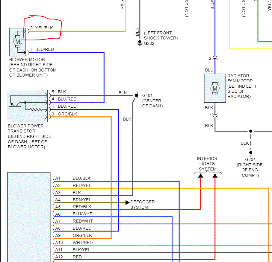
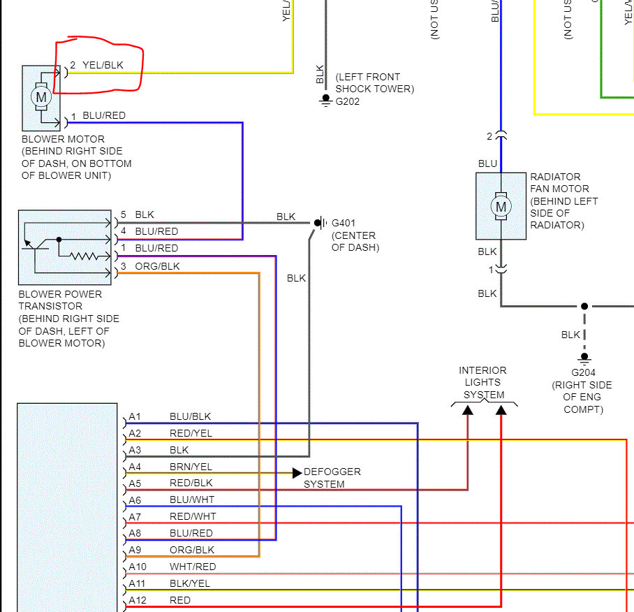
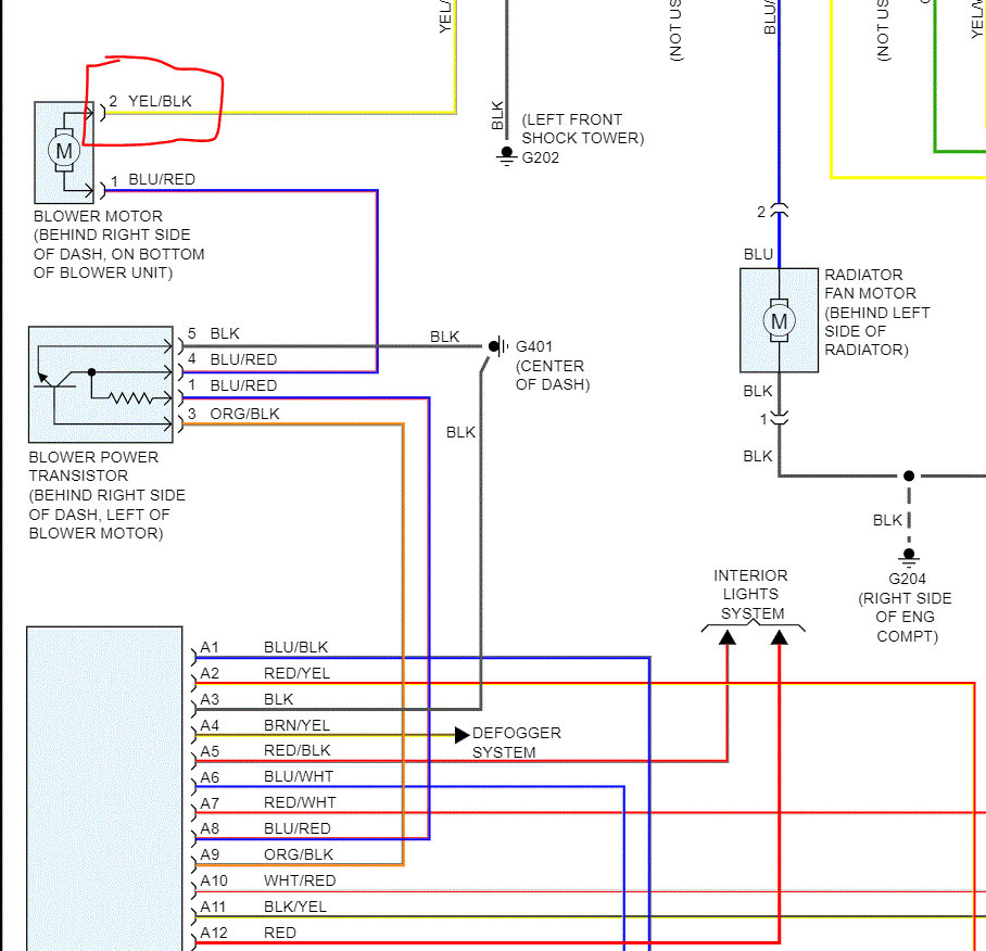
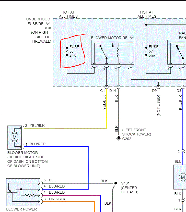
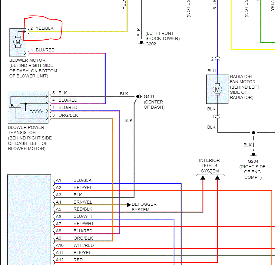
Monday, July 6th, 2020 AT 8:33 AM
I was using my A/C earlier that day worked fine. Then the same day nothing. I checked the connectors all good. Replaced the resistor nothing. Fuses and relay's seem to be fine. I have already replaced blower motor and fan 2 years ago.




