Wednesday, November 4th, 2020 AT 2:52 PM
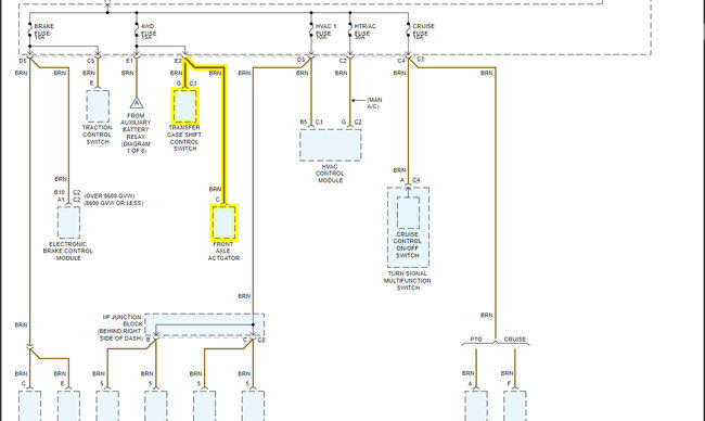
My 4x4 worked when I got the truck a month ago, but here recently just got a "Service 4x4" code show up. I replaced the actuator and then noticed that the 4x4 fuse in the vehicle was blown. As soon as I replaced it, it just kept blowing once I turned the ignition on. Any clues or ideas?





