Thursday, January 6th, 2022 AT 5:58 PM
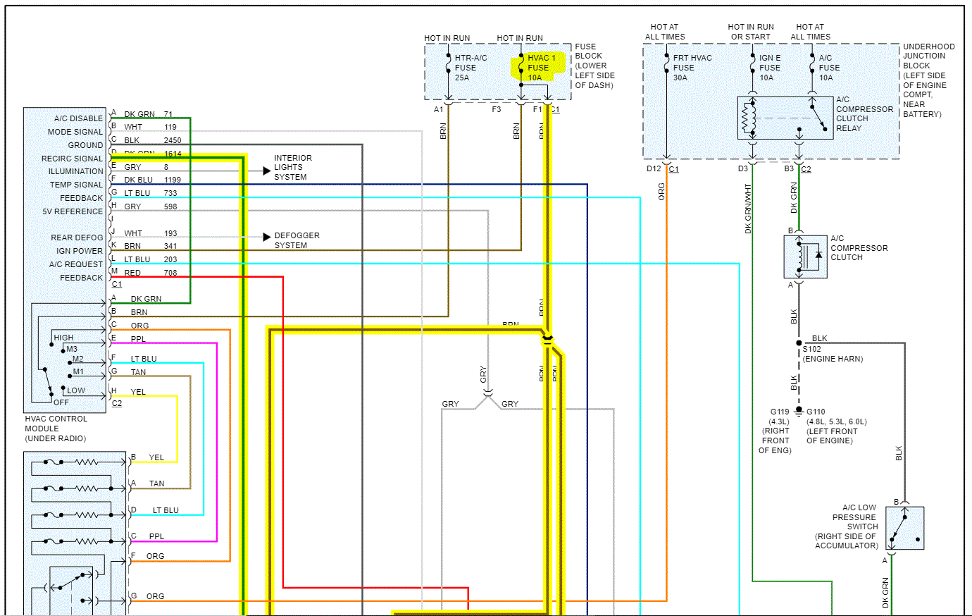
So, I got in my truck to drive to work today. As I'm driving, I realize that even though my temperature sending unit says my truck is warm it's still blowing cold air. I have no control over the blend door, or the temperature control. But the fan acts normal. I have been at work all day and have found virtually nothing to explain this. I'm off at 11:30pm. It's 9:00pm now. The temperature outside is 13°F and my windshield is frosted. Is there a fuse that could be blown or did the head go bad while I drove? Oh yeah, one last thing, the recirculation button didn't have a light as it normally does. Thanks in advance.



