Rear blower does not turn off

Tiny
BRIAN MAHER
  • MEMBER
  • 1999 CHEVROLET SUBURBAN
  • 0.8L
  • V8
  • 4WD
  • MANUAL
  • 214,000 MILES
The rear blower won't turn off.
Wednesday, January 20th, 2021 AT 7:50 AM

1 Reply

Tiny
ASEMASTER6371
  • MECHANIC
  • 52,796 POSTS
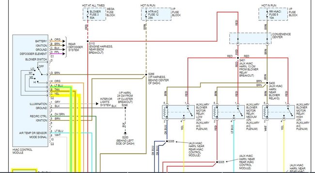
Good morning,

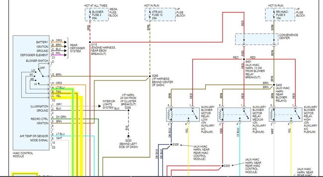
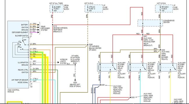
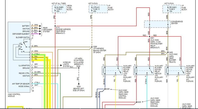
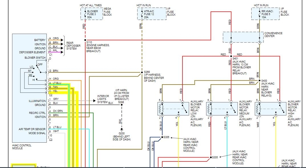
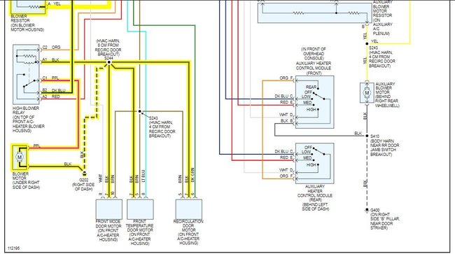
I attached the wiring diagram for you to view. This could be either a bad blower relay or the blower resistor is shorted to power.

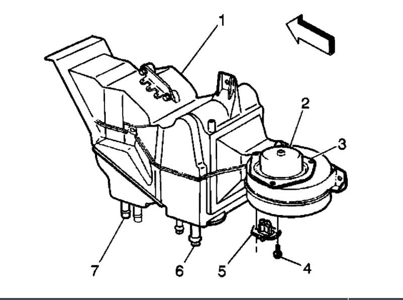
Behind the IP compartment box, on the HVAC plenum

https://www.2carpros.com/articles/how-to-check-wiring

https://www.2carpros.com/articles/how-to-check-an-electrical-relay-and-wiring-control-circuit

Roy

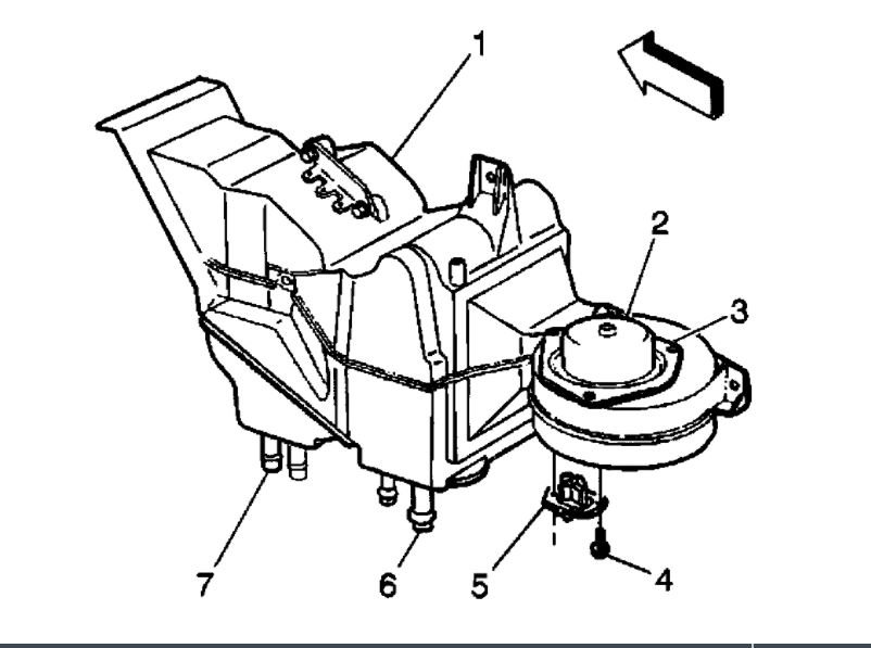
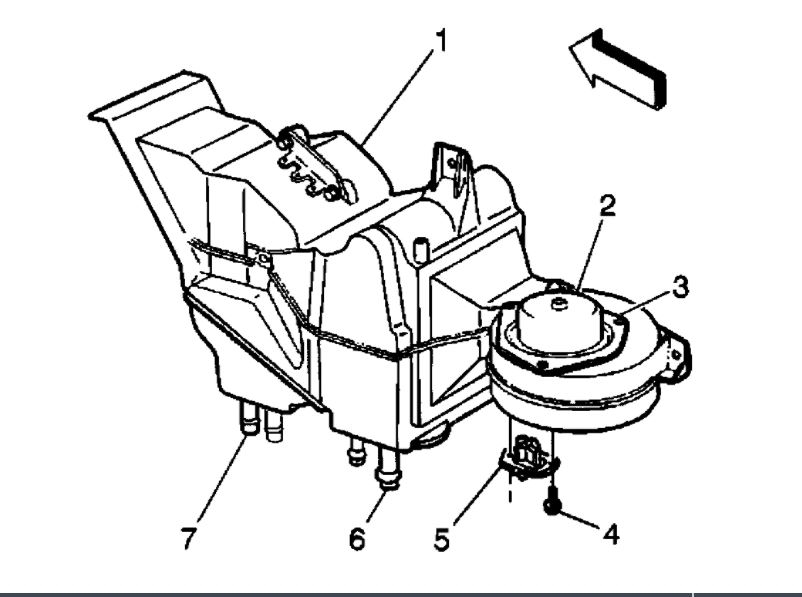
REMOVAL PROCEDURE

CAUTION: Refer to Battery Disconnect Caution in Cautions and Notices.

1. Disconnect the negative battery cable.
2. Remove the instrument panel compartment.
3. Disconnect the electrical connectors as necessary.
4. Remove the relay (3) from the relay bracket.

INSTALLATION PROCEDURE
1. Install the relay (3) to the relay bracket.
2. Connect the electrical connectors, as necessary.
3. Install the instrument panel compartment.
4. Connect the negative battery cable.
5. Test the circuit operation.

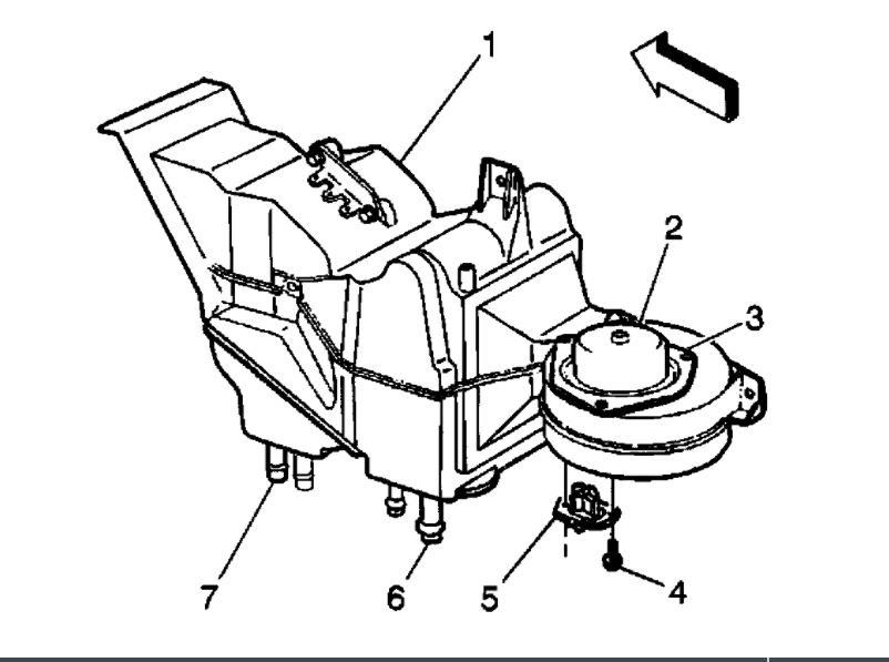
Rear blower resistor

REMOVAL PROCEDURE

CAUTION: Refer to Battery Disconnect Caution in Cautions and Notices.

1. Disconnect the negative battery cable.
2. Remove the right rear quarter trim panel.
3. Disconnect the electrical connectors, as necessary.
4. Remove the screws (4) securing the blower motor resistor (5).
5. Remove the blower motor resistor.

INSTALLATION PROCEDURE
1. Install the blower motor resistor (5).

NOTE: Refer to Fastener Notice in Cautions and Notices.

2. Install the screws (4) in order to secure the blower motor resistor.

Tighten
Tighten the screws to 1.4 N.m (12 lb in).

3. Connect the electrical connectors, as necessary.
4. Install the right rear quarter trim panel.
5. Connect the negative battery cable.
6. Test the circuit operation.
Was this
answer
helpful?
Yes
No
-1
Thursday, January 21st, 2021 AT 6:14 AM

Please login or register to post a reply.