Blower motor relay replacement

Tiny
MIKEBUSH1!
  • MEMBER
  • 2006 KIA AMANTI
  • 6 CYL
  • 130,000 MILES
Blower only runs on high. How do I replace blower motor relay?
Friday, August 24th, 2018 AT 8:24 AM

5 Replies

Tiny
PATENTED_REPAIR_PRO
  • MECHANIC
  • 1,853 POSTS
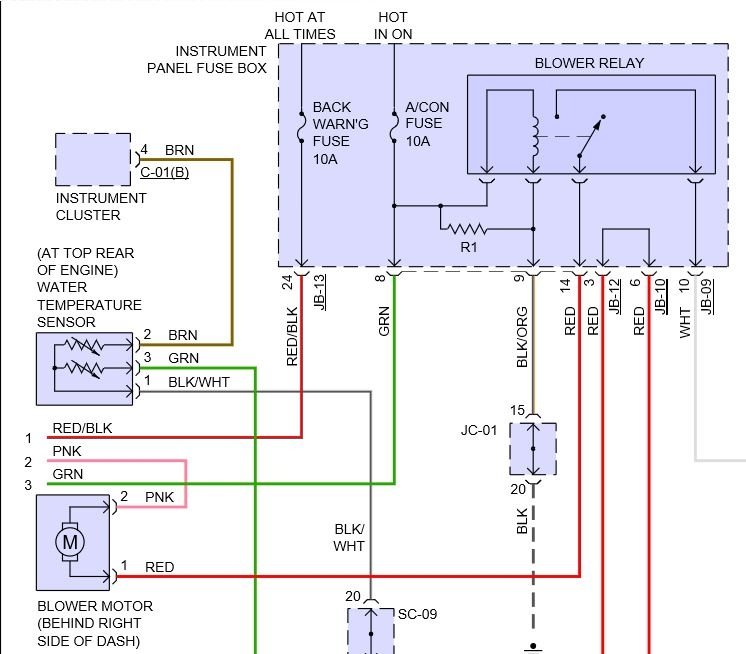
It is located in the instrument panel fuse box, which is shown in this diagram. I see this also has a blower high relay located right side of dash. Motor.
Was this
answer
helpful?
Yes
No
+1
Friday, August 24th, 2018 AT 10:37 AM
Tiny
MIKEBUSH1!
  • MEMBER
  • 3 POSTS
Mechanic told me that AC compressor was bad and there was no use charging Freon when my AC started blowing hot air that it was the compressor. How did he figure that out? Compressor was not making any noises. He wanted $900.00 to repair with $430.00 for compressor itself. I can order a Delphi for much cheaper. Saw all of your cooling system literature about system, compressor replacement and parts tips which were good. Compressor part looked like it could be doable for me. Mechanic was at a Mr Tire. Where different guy had first told that they would start out charging AC then could diagnose any other possible problems. Does that sound right? Yes, I have trust issues with car mechanics. Please advise.
Was this
answer
helpful?
Yes
No
Saturday, August 25th, 2018 AT 4:38 AM
Tiny
PATENTED_REPAIR_PRO
  • MECHANIC
  • 1,853 POSTS
First of all, how did you go from wanting to replace a blower relay to a bad AC compressor? He might have just meant the AC compressor clutch was bad. If so, they can usually be replaced alone. Here is a simple test for that clutch.
Was this
answer
helpful?
Yes
No
Saturday, August 25th, 2018 AT 9:08 AM
Tiny
MIKEBUSH1!
  • MEMBER
  • 3 POSTS
Okay, car first started putting out cold air but a couple months go blower would only work on high. Then all of a sudden last week it started putting out only hot air. Naturally I was hoping it only needed a charge of Freon. That is when the mechanic told me it was compressor which he would fix for $900.00 and the compressor it self would cost $430.00. Found new Delphi on Amazon for $159.00. Have a friend who knows what he is doing. Going to replace the whole thing because there is a lot of stuff I have to take off to get at it. Car has 130,000 on it. I hate to put a clutch on it and then have the whole thing go up. Thanks a lot, you guys perform a great service.
Was this
answer
helpful?
Yes
No
Saturday, August 25th, 2018 AT 12:21 PM
Tiny
PATENTED_REPAIR_PRO
  • MECHANIC
  • 1,853 POSTS
Okay, thank you for using 2CarPros.
Was this
answer
helpful?
Yes
No
Saturday, August 25th, 2018 AT 12:52 PM

Please login or register to post a reply.