Blower motor only blows air on low

Tiny
ZFAR56
  • MEMBER
  • 2006 CHEVROLET IMPALA
  • 3.5L
  • V6
  • 2WD
  • AUTOMATIC
  • 181,000 MILES
Blower motor only blows at low speed or barely at all no matter the setting on climate control dial. I noticed that if I turn off my head lights then the fan will start blowing at the speed it is set on the dial. Any ideas as to what could be the issue?
Thursday, March 31st, 2022 AT 5:56 PM

6 Replies

Tiny
STEVE W.
  • MECHANIC
  • 15,700 POSTS
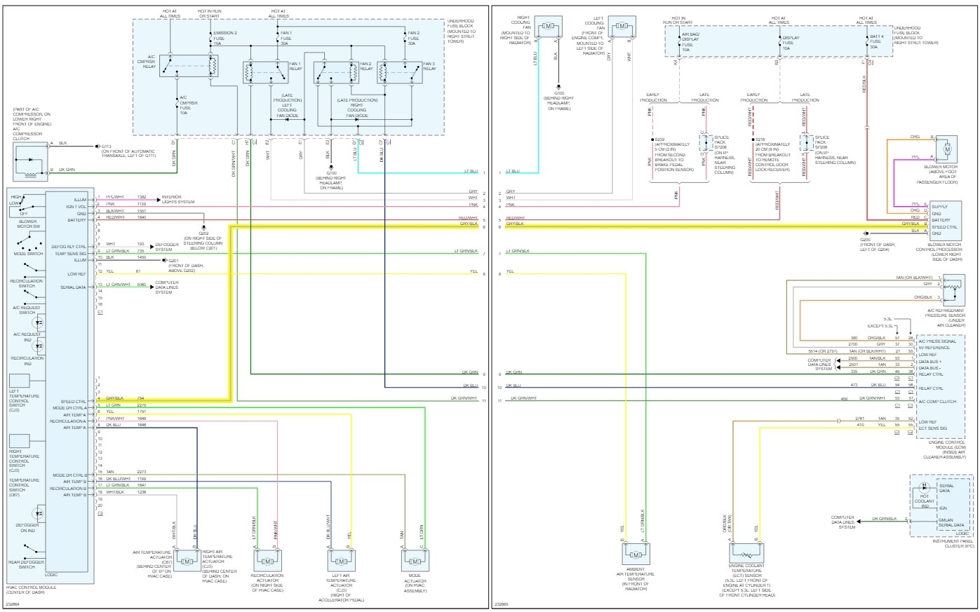
Your description sounds like a failed blower motor speed control. It takes the place of the old blower speed resistor. In the old version the resistor would drop the voltage to the blower to control the speed. The new units do something similar using pulse width modulation, in effect it turns the power on and off rapidly and changes the length of time for both the on and off times to control the blower speed. Attached is the wiring diagram for the blower in your vehicle. To test it easily you can use a simple test light. First find the blower speed control mounted next to the blower motor under the dash on the passenger side. You can unplug the wiring plug from the box, then take a test light and verify that you have battery power on the pin with the red wire. Then connect the test light to battery power and check for ground on the black wire. From your description it sounds like they both work, but the ground could be starting to fail as you say the module sometimes works when you turn off the lights however, I think it may only be the voltage spike from turning off the lights that triggers the module. So, the easiest method is probably to get another module and test using it.
Was this
answer
helpful?
Yes
No
+1
Thursday, March 31st, 2022 AT 10:15 PM
Tiny
ZFAR56
  • MEMBER
  • 4 POSTS
Thanks, I'll try replacing the resistor. I've done it once before after water damage from a leak. Do you know what the part is for the speed control you mentioned? I actually have a resistor on order since I originally thought that was the issue like it was before.
Was this
answer
helpful?
Yes
No
Thursday, March 31st, 2022 AT 11:06 PM
Tiny
STEVE W.
  • MECHANIC
  • 15,700 POSTS
The control you are referring to is the same part. Many places call it a resistor even though it isn't one.
Was this
answer
helpful?
Yes
No
+1
Thursday, March 31st, 2022 AT 11:21 PM
Tiny
ZFAR56
  • MEMBER
  • 4 POSTS
Thank you for the clarification!
Was this
answer
helpful?
Yes
No
Friday, April 1st, 2022 AT 4:20 AM
Tiny
ZFAR56
  • MEMBER
  • 4 POSTS
Steve, I replaced the resistor with a new one and now the blower motor will intermittently jump between low to whatever the climate control is set at for fan speed for a few seconds and then back down to low. I still have the factory harness in place and never cut and spliced new wires when I replaced the unit. Could there be an issue in the factory harness somewhere?
Was this
answer
helpful?
Yes
No
Friday, April 1st, 2022 AT 1:36 PM
Tiny
STEVE W.
  • MECHANIC
  • 15,700 POSTS
Okay, if it is jumping that way, I would check the connection from the control head. The hard thing is that there isn't much of a way to test the system without a higher end scan tool that can talk to the HVAC module to do the tests. It sounds like it could be a loose connector. Hmm try this, not sure it will work but, turn the blower motor to a speed and give the dash a couple smacks to see if the impacts cause the speed to change or drop. Then start looking at the connectors. Bad solder joints in components are common but usually it's in the module you swapped as it carries higher currents.
Was this
answer
helpful?
Yes
No
Friday, April 1st, 2022 AT 2:59 PM

Please login or register to post a reply.