Blower fan not working at any speed

Tiny
JERRY ARCHER
  • MEMBER
  • 25 POSTS
Ground wire did nothing.
13.92vdc with the relay out.
Zero with the relay in. At white wire #5 to ground.
Was this
answer
helpful?
Yes
No
Wednesday, April 29th, 2020 AT 1:48 PM
Tiny
ASEMASTER6371
  • MECHANIC
  • 52,796 POSTS
Good morning,

Can I approach this in a different way?

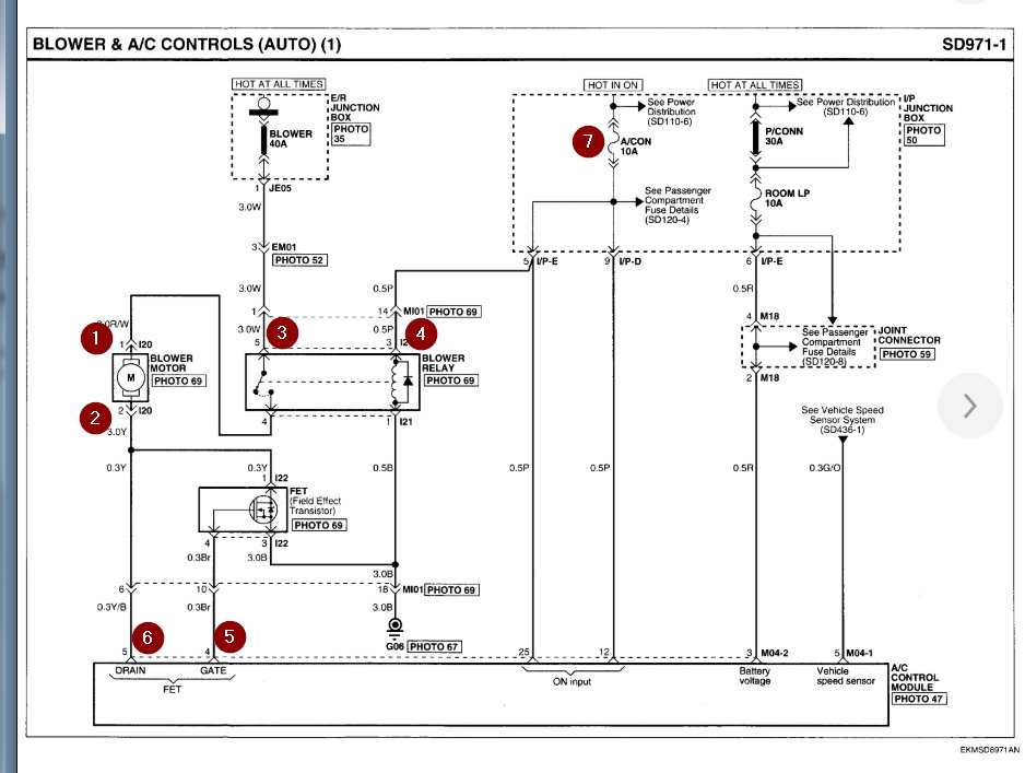
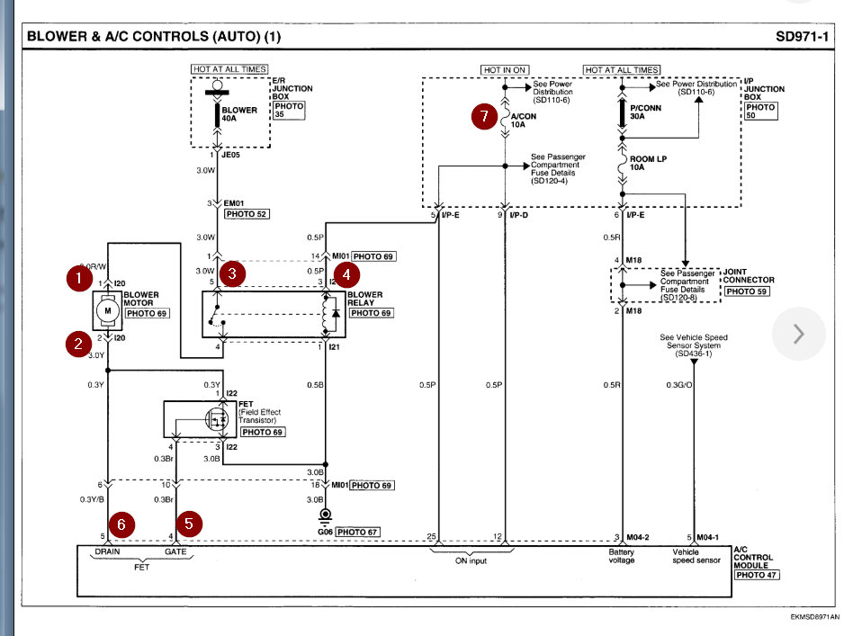
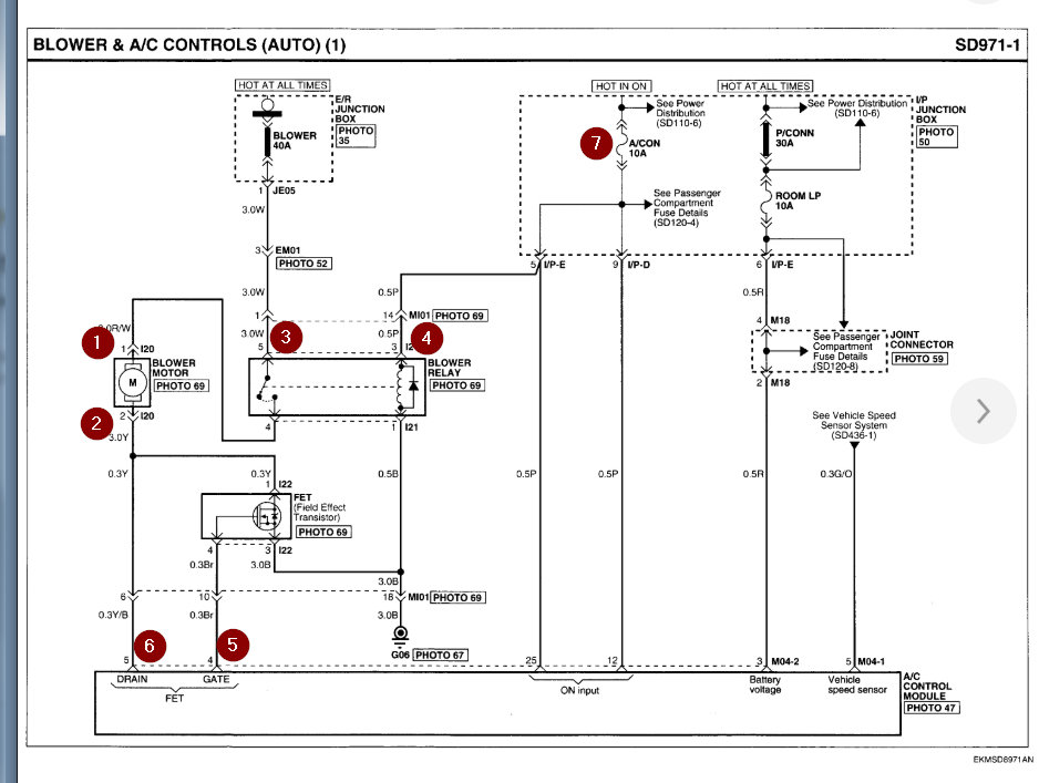
Can you tell me if you have voltage to the red/white wire at the blower with the key in the on position?

https://www.2carpros.com/articles/how-to-check-wiring

I attached a diagram as well.

Roy
Was this
answer
helpful?
Yes
No
Thursday, April 30th, 2020 AT 5:51 AM
Tiny
JERRY ARCHER
  • MEMBER
  • 25 POSTS
With the key in the "on" position. From red and white at blower to a ground stud I have zero voltage. With the plug removed from the blower motor. I have 13.09vdc from the red and white wire to a ground stud.
Was this
answer
helpful?
Yes
No
Thursday, April 30th, 2020 AT 1:55 PM
Tiny
ASEMASTER6371
  • MECHANIC
  • 52,796 POSTS
Okay, good.

What about the white wire?

When you remove the plug, does the white wire have power?

Roy
Was this
answer
helpful?
Yes
No
Thursday, April 30th, 2020 AT 2:04 PM
Tiny
JERRY ARCHER
  • MEMBER
  • 25 POSTS
On my vehicle the wire is yellow and no there is zero power from yellow wire to ground with key in "on" position.
Was this
answer
helpful?
Yes
No
Thursday, April 30th, 2020 AT 2:21 PM
Tiny
ASEMASTER6371
  • MECHANIC
  • 52,796 POSTS
At this point, it is looking like the FET is the issue.

Roy
Was this
answer
helpful?
Yes
No
Thursday, April 30th, 2020 AT 2:26 PM
Tiny
JERRY ARCHER
  • MEMBER
  • 25 POSTS
My thoughts exactly. Problem is I've replaced that.
Was this
answer
helpful?
Yes
No
Thursday, April 30th, 2020 AT 2:40 PM
Tiny
JERRY ARCHER
  • MEMBER
  • 25 POSTS
Cost me $129.00.
Was this
answer
helpful?
Yes
No
Thursday, April 30th, 2020 AT 2:41 PM
Tiny
KASEKENNY
  • MECHANIC
  • 18,907 POSTS
So anytime we get to a point like this, we are either missing something or making an assumption of something that is not true. So I understand that you have taken all these measurements but can we write them down on one sheet of paper and that may jump out at us as to what the issue is.

Then list the parts that you have replaced that I am missing in this list or if you didn't replace one of them.

1. FET
2. Blower Motor
3. Blower Relay
4. Control Module

In the last 12 years as a service engineer, I have had some tough issues but always figured them out. This one is confusing because we are assuming something is supposed to work a way that it is not.

It will require patients but I am sure we can figure this out. Thanks.
Was this
answer
helpful?
Yes
No
+1
Saturday, May 2nd, 2020 AT 8:18 AM
Tiny
JERRY ARCHER
  • MEMBER
  • 25 POSTS
Car running, fan on lowest setting, point to good ground.
Yes, those are the parts I have replaced.
Blower
FET
Relay
Control knobs (all comes in one piece.)
Was this
answer
helpful?
Yes
No
Saturday, May 2nd, 2020 AT 9:24 AM
Tiny
KASEKENNY
  • MECHANIC
  • 18,907 POSTS
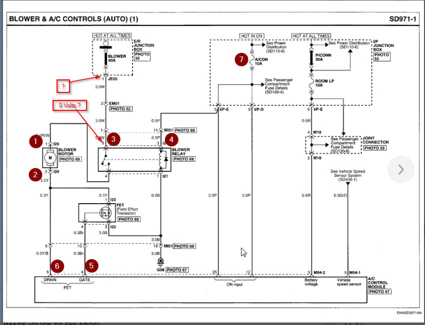
So we may be circling here but you have 0 volts at number 3? If so go back and check it at the fuse and see if you have 0 volts. You should have 12 volts on this wire at all times.
Was this
answer
helpful?
Yes
No
Sunday, May 3rd, 2020 AT 4:50 PM
Tiny
JERRY ARCHER
  • MEMBER
  • 25 POSTS
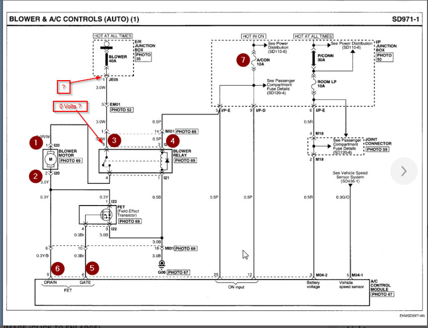
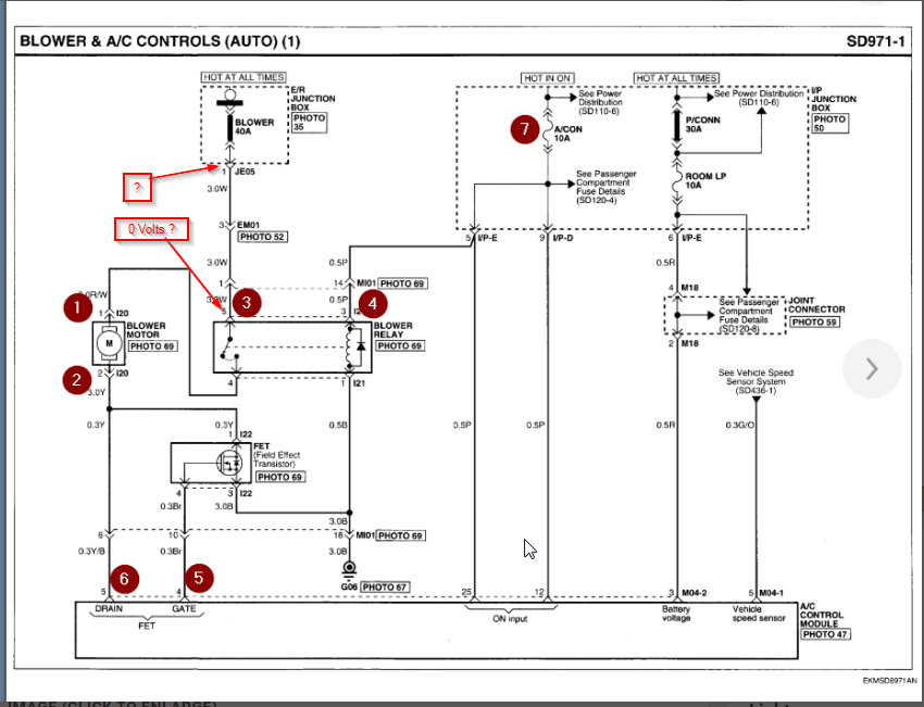
That is exactly right. When the relay is installed I have zero volts. When the relay is removed. Now I have voltage. I sent two pictures to show what I mean.
Was this
answer
helpful?
Yes
No
Tuesday, May 5th, 2020 AT 2:07 PM
Tiny
KASEKENNY
  • MECHANIC
  • 18,907 POSTS
Okay. Let's check voltage drop on that wire from the junction block to the relay. Basically just measure voltage from point 1 to 2 with the relay in and the blower turned on.

Then measure voltage from point 2 to 3 with the same settings.

Lastly to prove out the entire control side of the system let's just 12 volts to number 3 and then try to change the fan speed using the normal controls. Are you able to increase and decrease the fan speed when you put 12 volts to the fan?
Was this
answer
helpful?
Yes
No
Wednesday, May 6th, 2020 AT 8:59 AM
Tiny
JERRY ARCHER
  • MEMBER
  • 25 POSTS
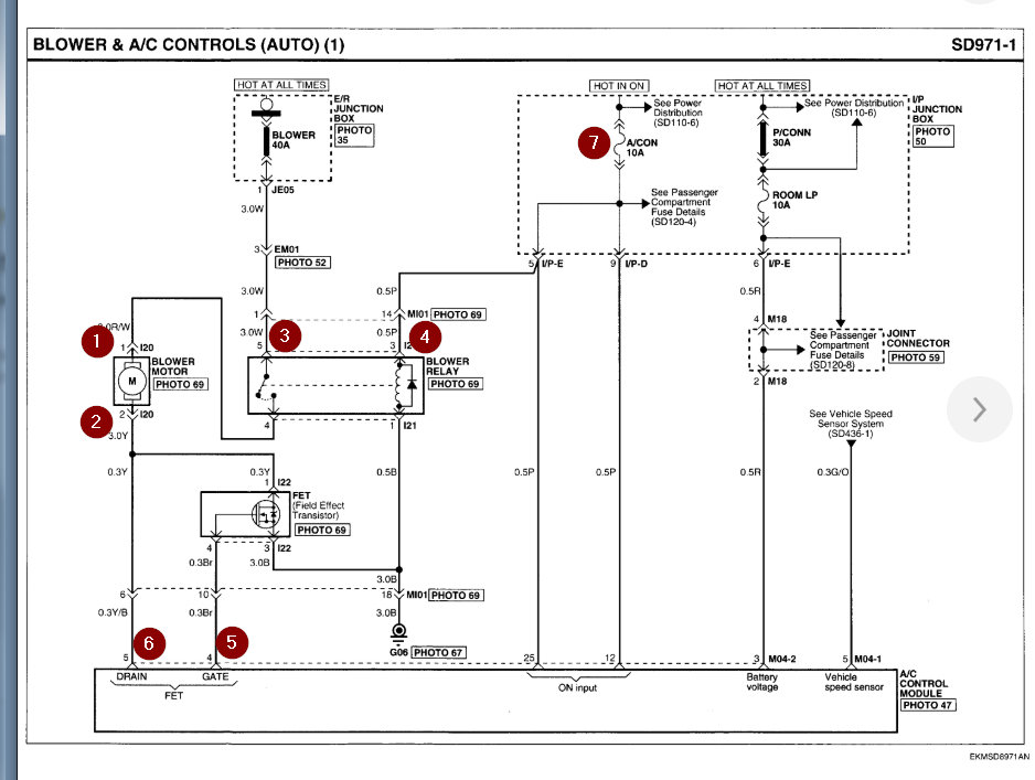
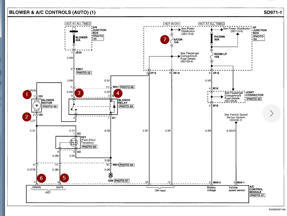
Okay, couple things. 1. I have 12 vdc going to the white wire to the relay. When the ignition is off. 2. I have 13.89 vdc going to the white wire on the relay when the vehicle is running. As soon as I close the circuit the in any way the voltage drops the zero. I open the circuit up and the voltage reappears. Now I noticed the white wire does not run directly from the fuse to the relay plug. It runs through this other module. What module is that? I have not replaced that module. I have enclosed pictures.
Was this
answer
helpful?
Yes
No
Thursday, May 7th, 2020 AT 8:37 AM
Tiny
KASEKENNY
  • MECHANIC
  • 18,907 POSTS
I don't know. That is not on any of the wiring diagrams. It only shows some inline connectors not a module. Is there a part number on it?

I just want to confirm you understood what I was asking for. I know you have those voltages at those spots on the white wire but I want you to do a voltage drop test on the white wire with everything hooked up. That means put your black lead at one end of the circuit and the red at the other. Take a look at this diagram. This will tell us what the voltage is on that wire.
Was this
answer
helpful?
Yes
No
Thursday, May 7th, 2020 AT 7:07 PM
Tiny
JERRY ARCHER
  • MEMBER
  • 25 POSTS
I took voltages as you asked. The higher voltage is with the car running the lower voltage is with the car off. I also sent a better picture of that module that I found online. There is not a part number on the module. It's labeled MI01, MI03.
Was this
answer
helpful?
Yes
No
Friday, May 8th, 2020 AT 5:18 AM
Tiny
KASEKENNY
  • MECHANIC
  • 18,907 POSTS
So I found that as well and that is the inline connector. I am not sure why it looks like a module but it appears that is all it is, is just a connector. It was hard to tell from your picture but does it have wires coming out of both sides? If it does then that is an inline connector.

If so, I want you to unhook the other inline connector and run a wire from the fuse to the relay. You should not have 5.5 volts on that circuit. That is just a wire from the fuse to the relay so I would expect there to only be less then a volt. That indicates there is resistance in that circuit. If you run a wire from the fuse to the relay see if the fan turns on. If so you need to run a new wire and you can just bypass those two inline connectors. We can talk more about that after we find out. Thanks
Was this
answer
helpful?
Yes
No
Friday, May 8th, 2020 AT 4:45 PM
Tiny
JERRY ARCHER
  • MEMBER
  • 25 POSTS
Just wanted to let you know. The car has been sold. Told him about the blower. He said he'd take care of it. Thanks for your help. I really appreciate it.
Was this
answer
helpful?
Yes
No
Wednesday, May 13th, 2020 AT 2:53 PM
Tiny
KASEKENNY
  • MECHANIC
  • 18,907 POSTS
Okay. I understand. Please let us know if you ever find out what it was. Thanks for the update.
Was this
answer
helpful?
Yes
No
Wednesday, May 13th, 2020 AT 7:24 PM

Please login or register to post a reply.