Blower motor isn’t working after I’ve changed the blower motor

2014 CHEVROLET SILVERADO
74,000 MILES • 5.3L • V8 • 4WD • AUTOMATIC
Avatar
MICHAEL SWANSON
  • MEMBER
  • 1 POST
Blower motor isn’t working after I’ve changed the blower motor, HVAC control module, HVAC control switches on the dash, and all the fuses are good. Wanted to know if there was anything else that I need to check?
Oct 17, 2021 at 3:40 PM
Advertisement
Avatar
JACOBANDNICKOLAS
  • CAR REPAIR CONTRIBUTOR
  • 110,190 POSTS
Hi,

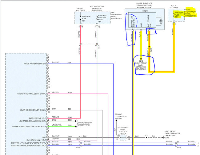
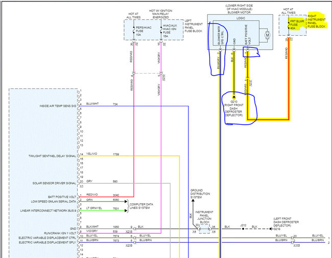
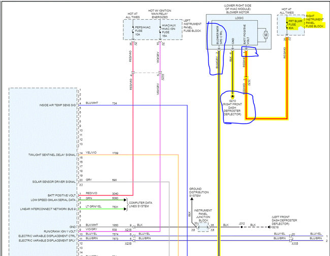
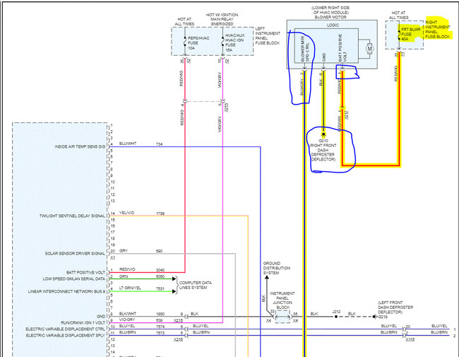
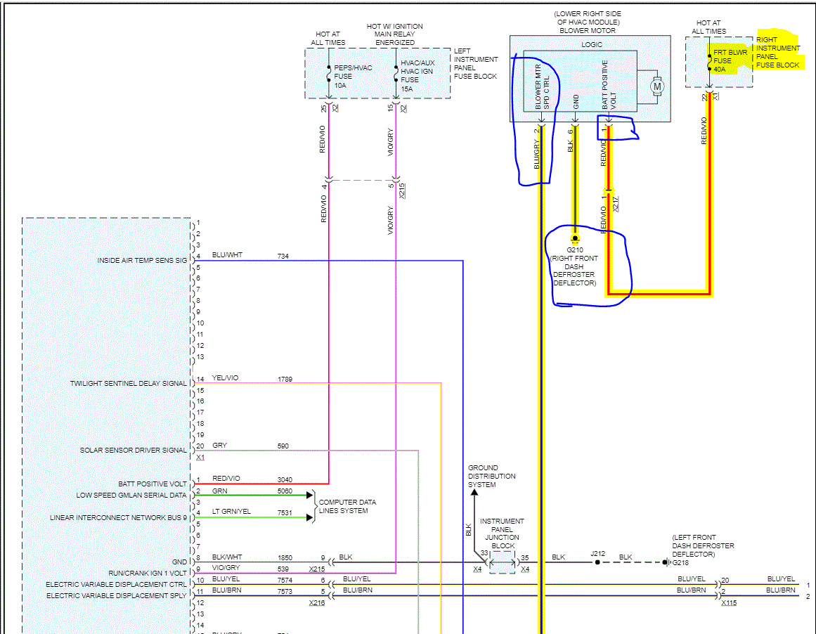
Here is what we need to do. First, if you look at the schematic below, I highlighted the wires of possible concern.

To begin, check fuse 40 in the right-side instrument panel fuse box. In addition to checking the fuse, confirm there is power to and from it. Here is a link you may find helpful.

https://www.2carpros.com/articles/how-to-check-a-car-fuse

If power exists at the fuse, go to the blower motor, and disconnect the electrical plug. Check the red wire for 12v power with the key in the on position. If there is no power, there is an open to power. Trace the red wire to locate where there is a break in the wire.

If there is power, next locate the black wire. That is the circuit ground. Check for continuity to ground. Here is a link that you may find helpful:

https://www.2carpros.com/articles/how-to-check-wiring

If you have ground and you have power, we then need to check the blue wire with a gray tracer. That is the speed control wire. Since we have power from the fuse, this wire provides a controlled ground path which changed the amount of power allowed to flow.
Check that as well.

Let me know what you find or if you have other questions.

Take care,

Joe

See pics below. Note: The schematic was one page long. I had to cut it in half to make it readable for you. However, I did overlap them so you can follow from one to the next.
Oct 18, 2021 at 6:22 PM
Advertisement
Advertisement
Repair Safety Notice: This information is for general instructional purposes only. Vehicle repair can be dangerous. Verify all information, follow manufacturer service procedures, use proper tools and safety equipment, and consult a qualified repair shop when needed.