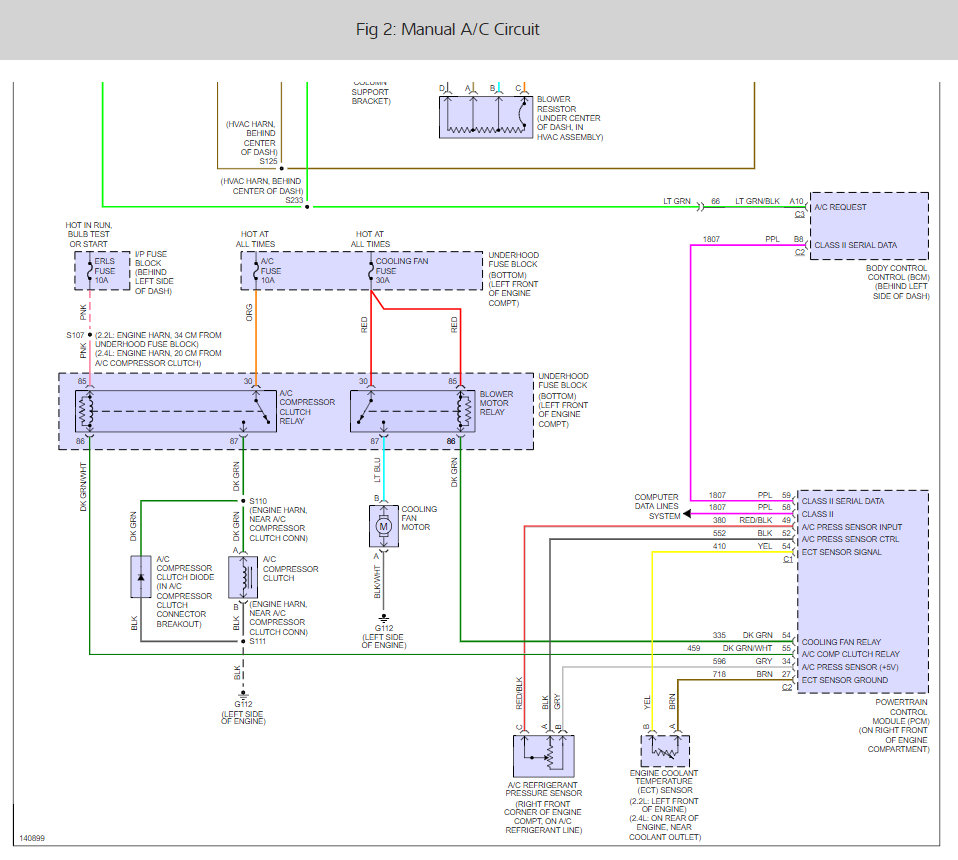
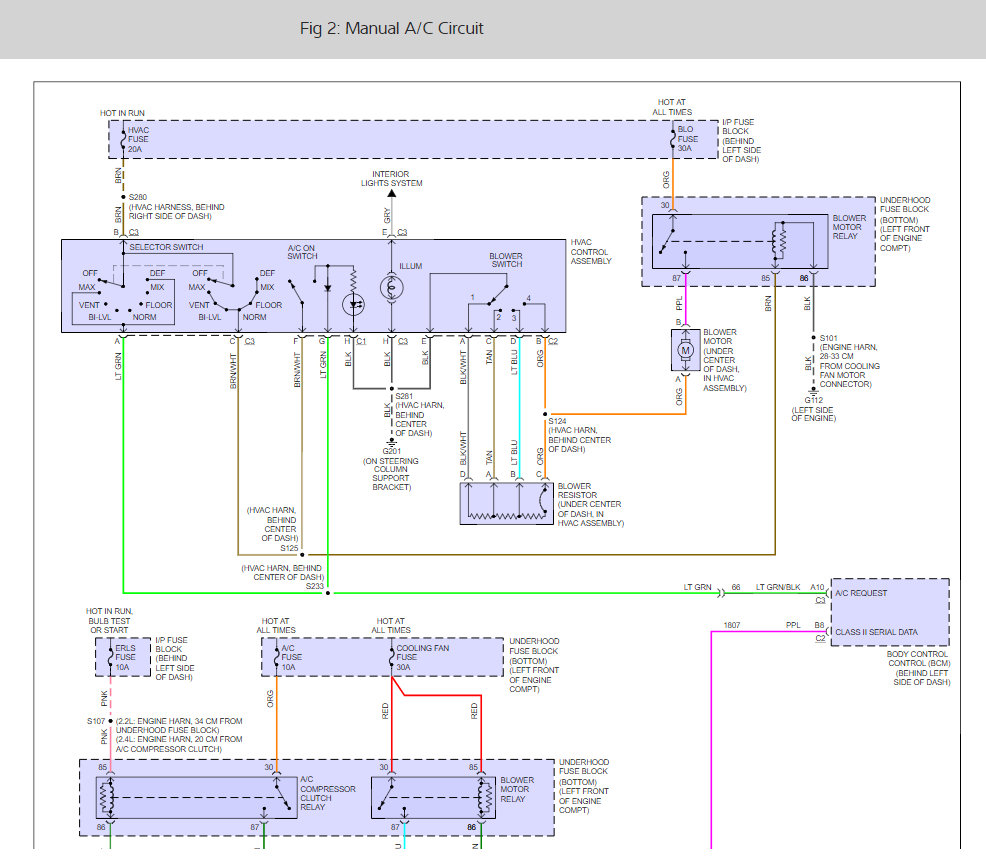
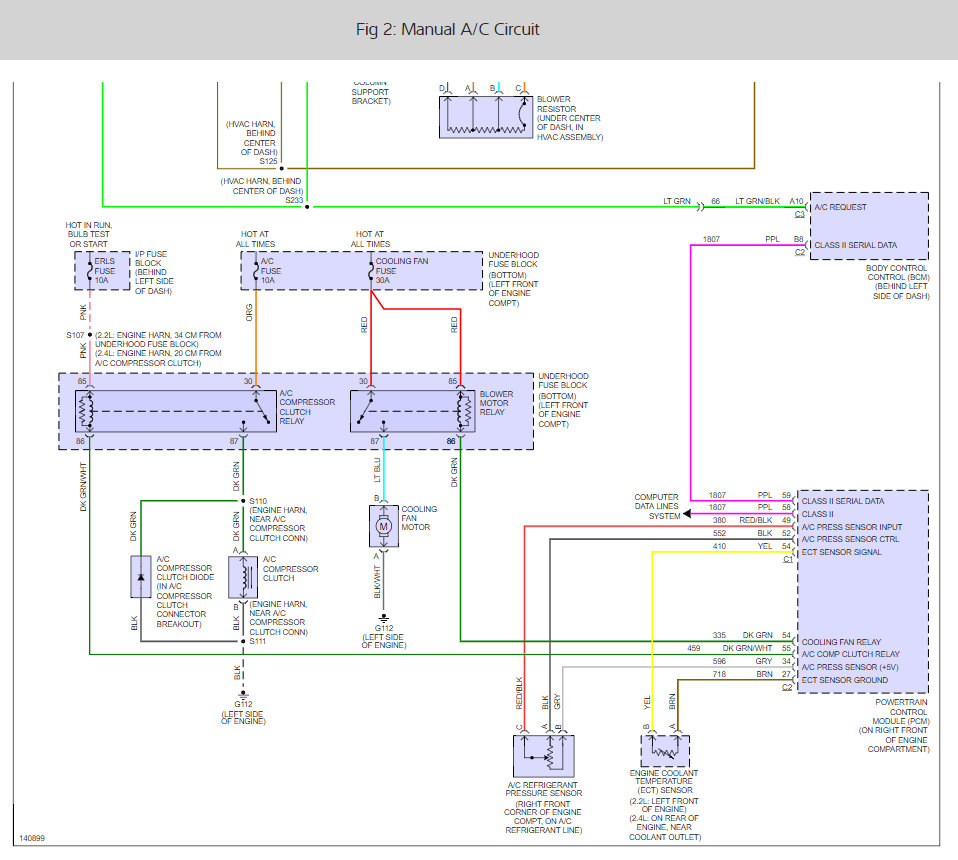
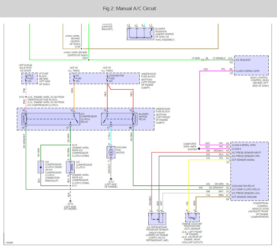
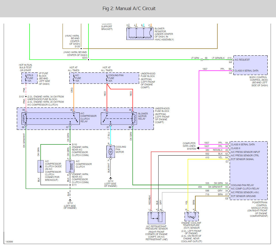
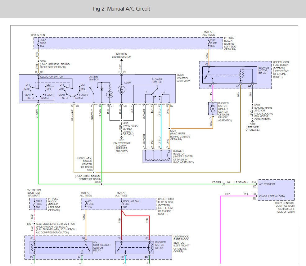
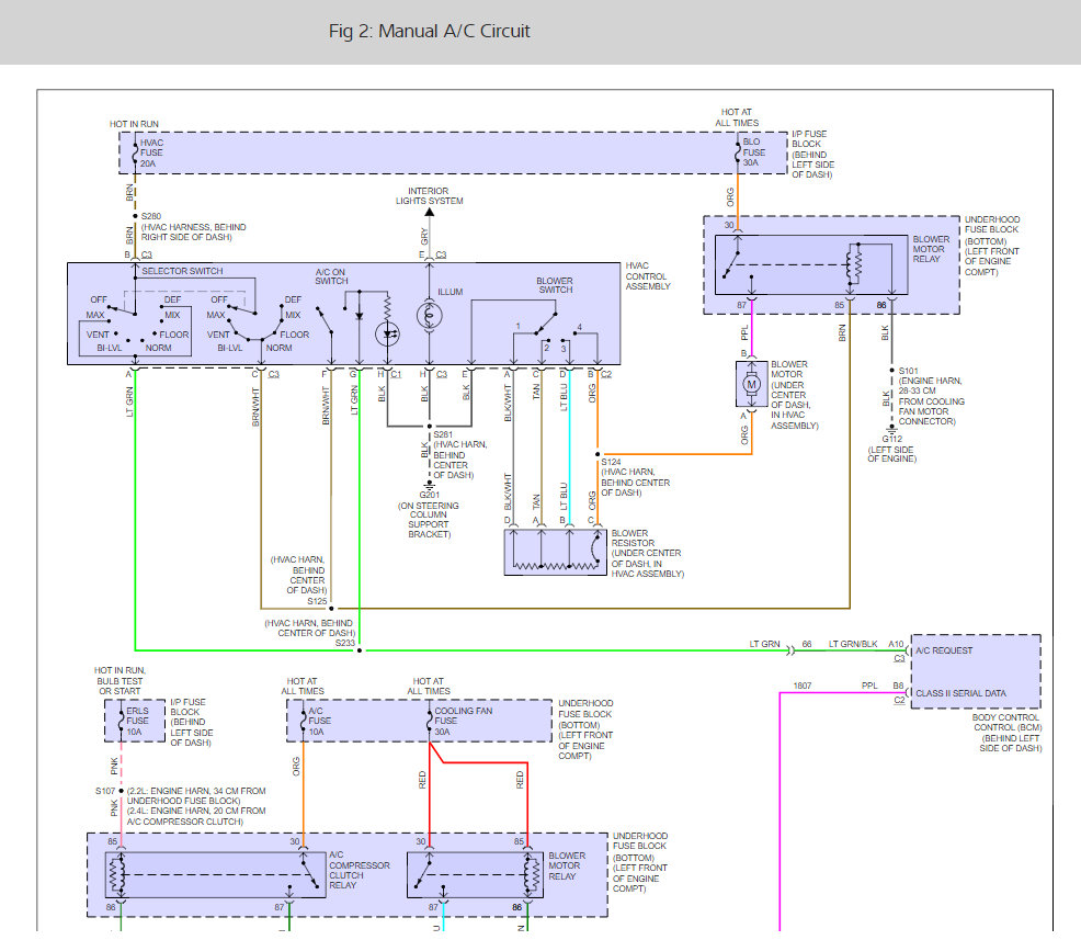
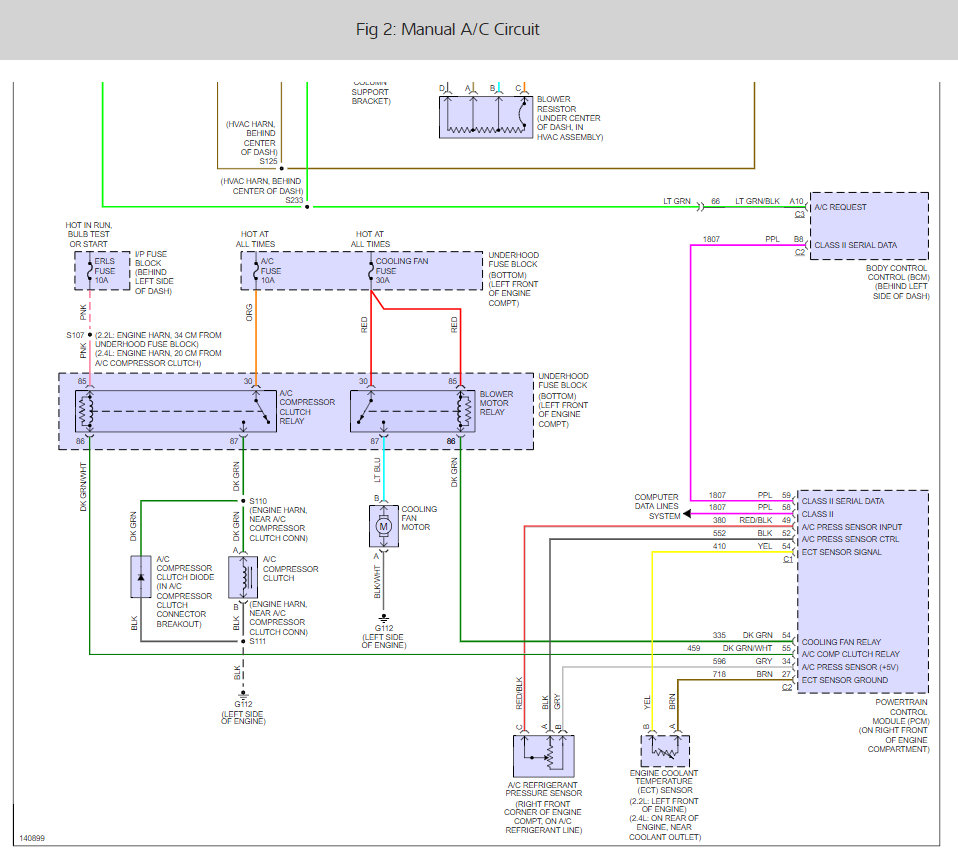
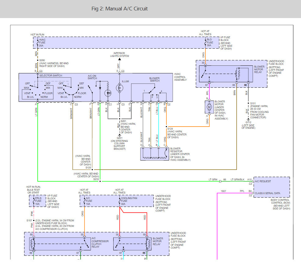
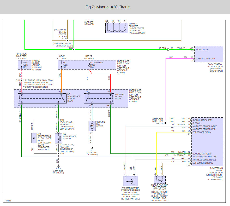
The blower motor and fan are serviced as an assembly only. Listed below are the removal/installation procedures for your vehicle. If you feel you are not experienced enough to do the job yourself, I suggest having a shop do it to prevent any damage to vehicle or injuries to self.
Rrmoval:
Disconnect the negative battery cable.
Remove the passenger side sound insulator.
Detach the electrical connections from the blower motor.
Remove the blower motor retaining screws, then remove blower motor and fan assembly.
Remove the sound insulator from underneath the passenger side of the instrument panel

Remove the retaining bolts for the blower motor assembly

Installation:
Install blower motor and fan assembly, then secure using the retaining screws.
If equipped, connect the blower motor cooling tube.
Attach the electrical connections to the blower motor.
Install the right side sound insulator.
Connect the negative battery cable.
Hope this helped. Thanks for using 2carpros.com!
Wednesday, October 4th, 2017 AT 12:44 PM
(Merged)