Tuesday, June 30th, 2020 AT 5:46 PM
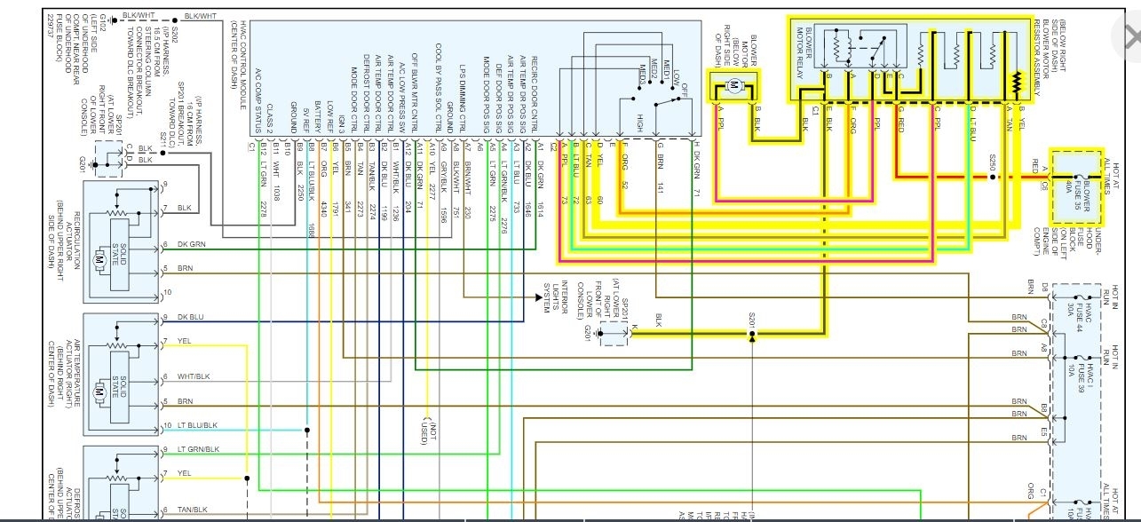
It worked off and on for a little while then quit altogether. I've replaced the blower resistor and checked all fuses and they all are good. I'm getting power into the blower resistor but none coming out of it. Of the resistor I can jump the wires and it will turn on. So I think it is a wiring issue somewhere but I'm not sure where to stay long as all the wires I can see look fine.




