Blower motor works intermittently

Tiny
WAYNEPAW
  • MEMBER
  • 49 POSTS
Well, here is my next idea Roy. If nothing I do works. I have a shower fan/heater. I’ll buy an AC inverter and hook that thing up. I’ll have to make a small plenum for it. The question I have is, could I duct that into the heater box?
Was this
answer
helpful?
Yes
No
Thursday, December 5th, 2019 AT 1:29 PM
Tiny
ASEMASTER6371
  • MECHANIC
  • 52,796 POSTS
Replace the blower motor first and let us see what happens.

Roy
Was this
answer
helpful?
Yes
No
+1
Thursday, December 5th, 2019 AT 1:38 PM
Tiny
WAYNEPAW
  • MEMBER
  • 49 POSTS
I will give it a shot.
Was this
answer
helpful?
Yes
No
Thursday, December 5th, 2019 AT 1:45 PM
Tiny
ASEMASTER6371
  • MECHANIC
  • 52,796 POSTS
Okay.
Was this
answer
helpful?
Yes
No
+1
Thursday, December 5th, 2019 AT 1:46 PM
Tiny
CARADIODOC
  • MECHANIC
  • 34,489 POSTS
My bet is on an overheated terminal. The motor will slow down because of tight bearings or reduced voltage. I don't think I've ever heard of tight bearings being intermittent in this way. I've seen motors gradually run faster as they warm up and the grease in the bearings softens, but they wouldn't slow down after they've been running a while. The symptom then would be a loud squeal from the armature's shaft vibrating in the bearings. Most commonly when the bearings are tight, any electric motor will draw excessive current, and in this system it will cause the thermal fuse built into the resistor assembly to burn open.

When you have a blackened / overheated pair of mating terminals, they commonly intermittently add some resistance to the circuit, and just like the resistor assembly that's intended to add resistance, that reduces current flow which slows the motor. If you start out with some resistasnce in the circuit, then a little pressure gets exerted on an overheated terminal when you go around a corner and a wiring harness shifts a little, its resistance could change, resulting in the motor speed changing. The engine approaching idle speed when cornering could do this too because all generators are very inefficient at low speeds. System voltage will drop a little, so it stands to reason the fan motor would slow down.

Let me offer a suggestion if a new motor doesn't solve the problem. I'd like to monitor the voltage to the fan motor while you're driving, then see what happens when the motor's speed changes, but this presents another problem. A good, fully-charged battery will develop 12.6 volts. Charging systems must develop between 13.75 and 14.75 volts, but of course, that's only when the engine is running, and usually not until it reaches 1500 to 2000 rpm. At idle, you can expect system voltage to drop to closer to 13.0 volts, and less if a lot of other high-current circuits are turned on. For that reason, if the voltage feeding the heater fan circuit drops from 14.6 volts, for example, to 13.2 volts, it stands to reason the voltage right at the fan motor is going to drop too. That makes this test invalid except in really severe situations, but that's because the readings are being taken in reference to ground. Instead, measure in relation to the positive side of the battery. This can be done for the whole circuit, but when the results indicate an undesirable loss of voltage somewhere, all you'll know is it's somewhere in that entire circuit. This test works better when you already have a suspect connector terminal, or you have it narrowed down to just a small part of the circuit.

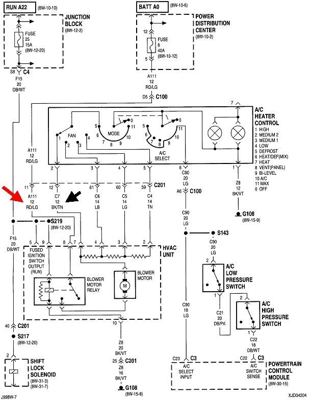
A dandy place where this would work is at the two arrows in this diagram. Between them are the relay contacts and the fan motor. While you're driving and while you're not fiddling with the speed switch, the fan motor should run at a constant speed, and the voltage between these two points should not change. If charging system output voltage changes, it is going to cause corresponding voltage changes at both places where you have the meter probes, so those two changes will cancel each other out. The engine speed variable has been eliminated. Now when the motor slows down, see what the voltage changes to. If it stays roughly the same, the cause has to be before or after where the two probes are in the circuit. On the other hand, if the relay's contacts are arcing and getting hot, they would add a lot of resistance, and you'd measuring the resulting "voltage drop" across them as a greatly-increased voltage. Voltage shown on the meter goes up, yet the motor slowed down. This type of test can be done at every individual connection or component, but it is very time-consuming. That's why we rarely do it on customers' cars where we have to charge by the hour. Plus, they won't appreciate us test-driving their cars for hours or days until the problem acts up. I would do this on my own vehicles to avoid buying unneeded parts.

If this doesn't make sense, think of it as we normally measure voltage "at" a point in the circuit, or we measure "at" multiple points, then calculate the difference. This test is measuring "between" two points, or "across" a component. That way multiple variables are cancelled out so we don't have to take them into consideration, and we're already reading the difference in voltage without having to calculate it from two individual readings.
Was this
answer
helpful?
Yes
No
Thursday, December 5th, 2019 AT 3:25 PM
Tiny
WAYNEPAW
  • MEMBER
  • 49 POSTS
Hi Caradio, so can I check this at the control panel in dash?
Was this
answer
helpful?
Yes
No
Thursday, December 5th, 2019 AT 4:02 PM
Tiny
WAYNEPAW
  • MEMBER
  • 49 POSTS
Hello Caradio and ASE Roy! An update for you fellows. New blower motor is in and working fine! Yoo-hoo!
Was this
answer
helpful?
Yes
No
Saturday, December 7th, 2019 AT 11:15 AM
Tiny
ASEMASTER6371
  • MECHANIC
  • 52,796 POSTS
Good, I figured it was something simple.

Roy
Was this
answer
helpful?
Yes
No
Saturday, December 7th, 2019 AT 11:21 AM
Tiny
WAYNEPAW
  • MEMBER
  • 49 POSTS
I’m glad that it was! Thank you very much for your help Roy! Greatly appreciated! If I ever have any other problems or questions, I’ll be sure to look you fellas up. Merry Christmas to you and family!
Was this
answer
helpful?
Yes
No
Saturday, December 7th, 2019 AT 11:27 AM
Tiny
ASEMASTER6371
  • MECHANIC
  • 52,796 POSTS
Thank you.

Same to you and yours.

Roy
Was this
answer
helpful?
Yes
No
+1
Saturday, December 7th, 2019 AT 11:35 AM
Tiny
CARADIODOC
  • MECHANIC
  • 34,489 POSTS
Happy to hear you solved it, but in the meantime, I'll keep on looking over here for the problem.
Was this
answer
helpful?
Yes
No
+1
Saturday, December 7th, 2019 AT 2:51 PM
Tiny
WAYNEPAW
  • MEMBER
  • 49 POSTS
Okay Caradio, let me know what you find. Thanks for your help in the matter. Merry Christmas to you and family!
Was this
answer
helpful?
Yes
No
Saturday, December 7th, 2019 AT 7:04 PM
Tiny
WAYNEPAW
  • MEMBER
  • 49 POSTS
Hello Caradio and ASE Roy, while my heater is working fine, I have a question. Since I have a shower fan/heater could I use that as an add-on to my existing heat system? Just a thought.
Thanks!
Was this
answer
helpful?
Yes
No
Wednesday, December 11th, 2019 AT 10:56 AM
Tiny
ASEMASTER6371
  • MECHANIC
  • 52,796 POSTS
No, do not use that fan at all. It will be too much draw on the system and it will cause harness issues.

Roy
Was this
answer
helpful?
Yes
No
Wednesday, December 11th, 2019 AT 12:06 PM
Tiny
WAYNEPAW
  • MEMBER
  • 49 POSTS
Hey Roy, I was going to get an ac inverter and wire that up.
Was this
answer
helpful?
Yes
No
Wednesday, December 11th, 2019 AT 12:33 PM
Tiny
ASEMASTER6371
  • MECHANIC
  • 52,796 POSTS
You are going to tax the alternator.

You can do what you wish, but I advise against it. It will cause issues with your electrical system.

Roy
Was this
answer
helpful?
Yes
No
Wednesday, December 11th, 2019 AT 12:45 PM
Tiny
WAYNEPAW
  • MEMBER
  • 49 POSTS
Okay, I’ll let it go as is. I’ll heed your advice. Thanks Roy!
Was this
answer
helpful?
Yes
No
Wednesday, December 11th, 2019 AT 12:49 PM
Tiny
ASEMASTER6371
  • MECHANIC
  • 52,796 POSTS
You are welcome.

I always err on the side of safety.

Roy
Was this
answer
helpful?
Yes
No
Wednesday, December 11th, 2019 AT 12:51 PM
Tiny
WAYNEPAW
  • MEMBER
  • 49 POSTS
Yeah, I hear ya there and being as I just got my heat going, no sense messing with it.
Was this
answer
helpful?
Yes
No
Wednesday, December 11th, 2019 AT 1:19 PM
Tiny
ASEMASTER6371
  • MECHANIC
  • 52,796 POSTS
I agree.

Roy
Was this
answer
helpful?
Yes
No
+1
Wednesday, December 11th, 2019 AT 1:20 PM

Please login or register to post a reply.