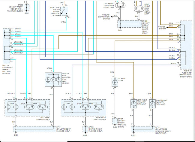
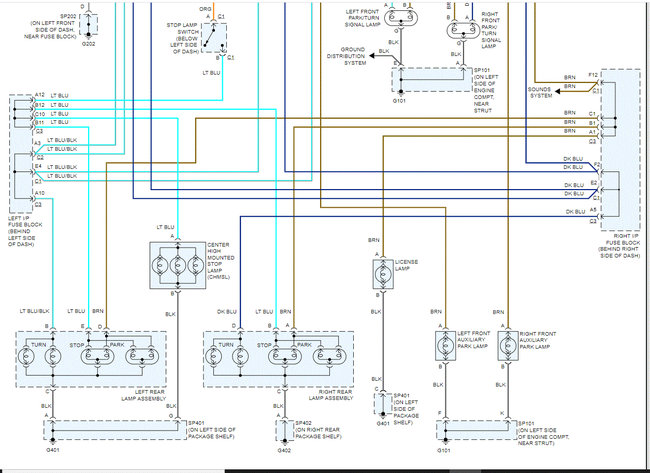
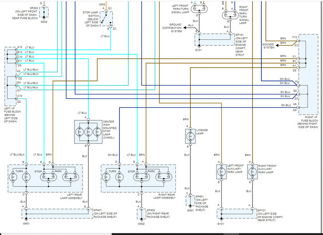
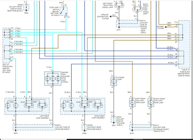
Monday, June 14th, 2021 AT 7:42 PM
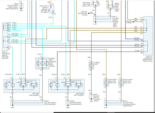
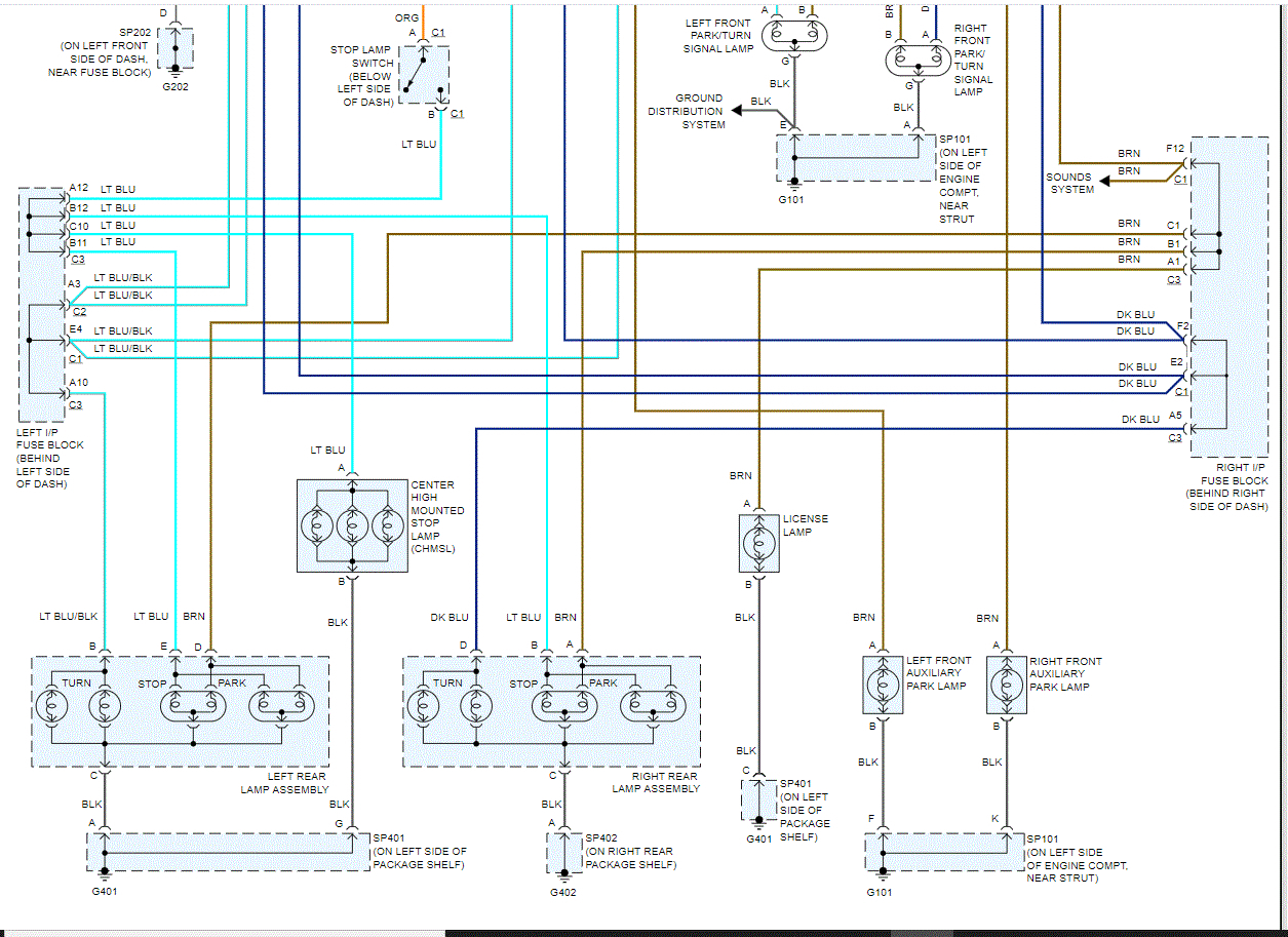
I previously bought this car from a friend and I know it had a stereo system put in with wiring being messed with behind the radio. The emergency flashers still work and function fine, the turn signals do not work at all. That is all of the information I have on it. Any help at would be greatly appreciated, in need of my turn signals. Thanks!


