Sunday, November 6th, 2016 AT 9:08 AM
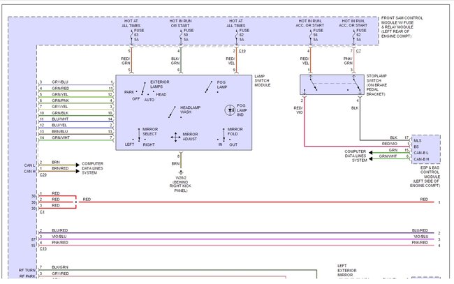
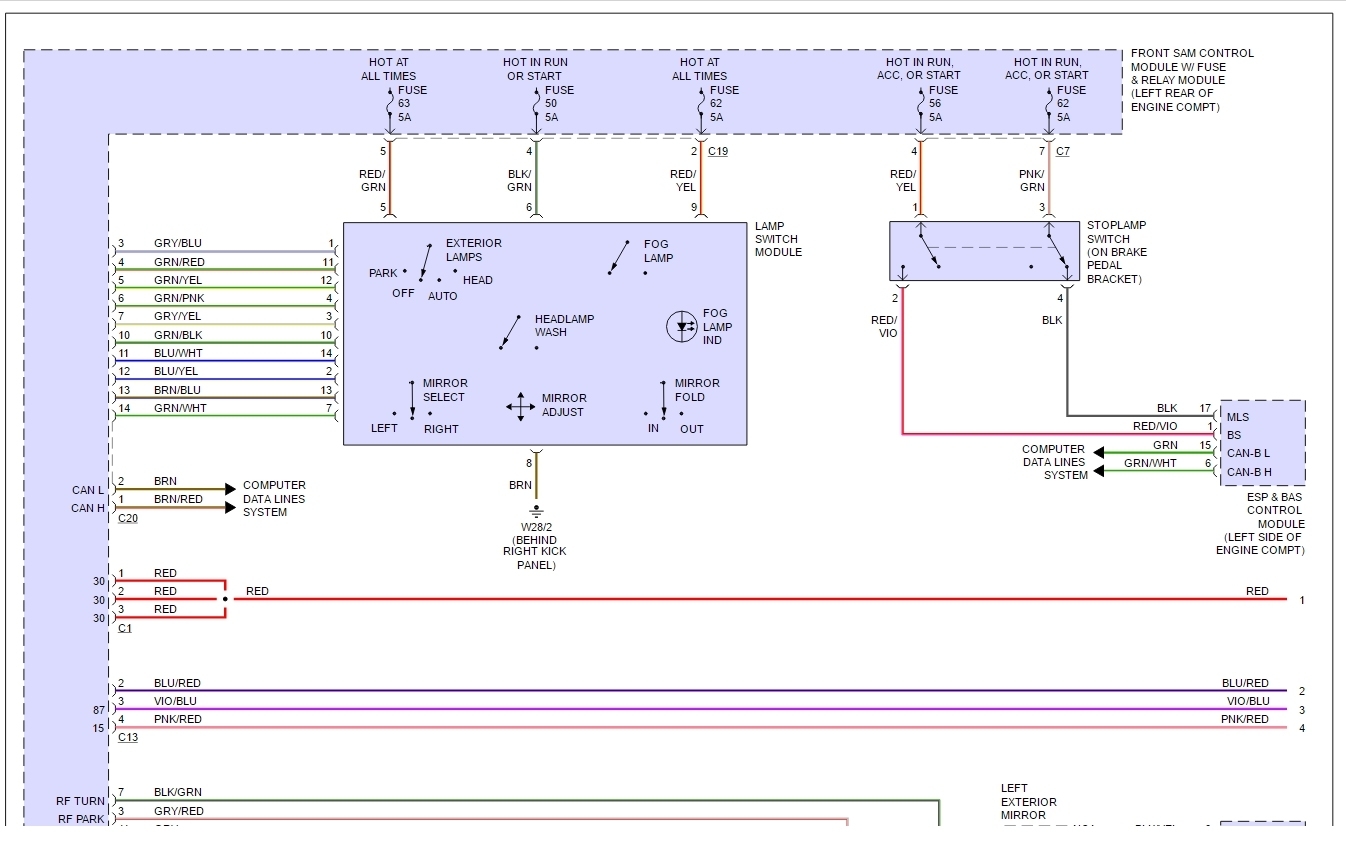
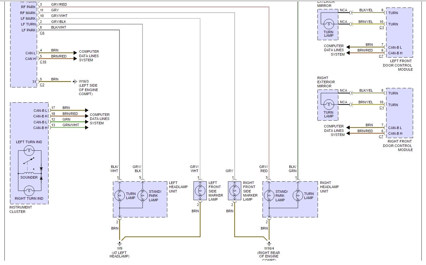
My blinkers work, but they do not stay blinking. If I press my left or right turning signal it will show for a second and it will just go away, it wont stay blinking. I would like to know what I have to do to fix that?


