Wednesday, August 30th, 2017 AT 5:45 AM
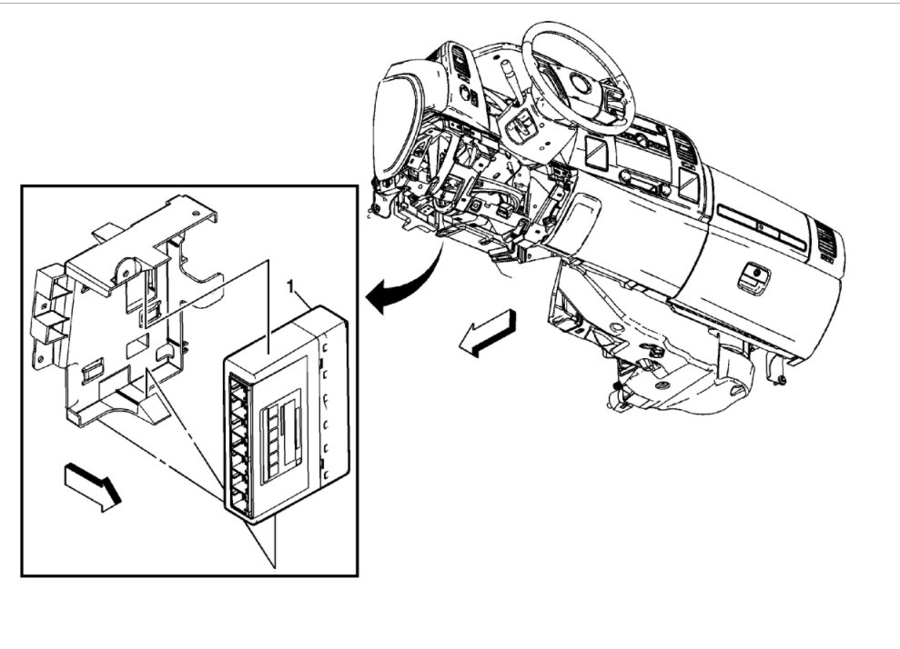
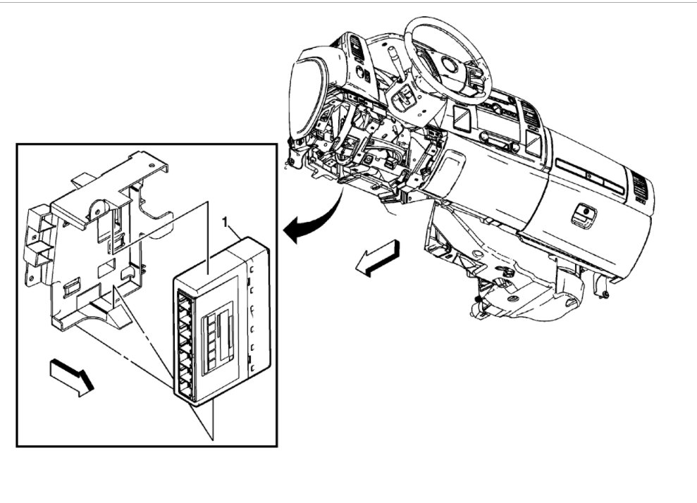
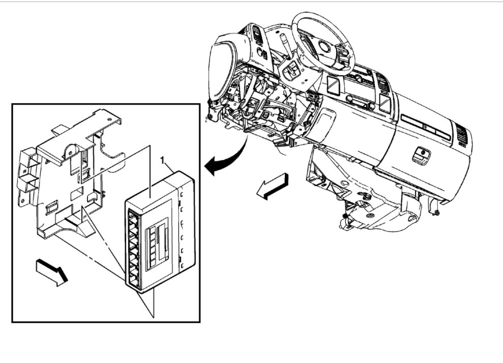
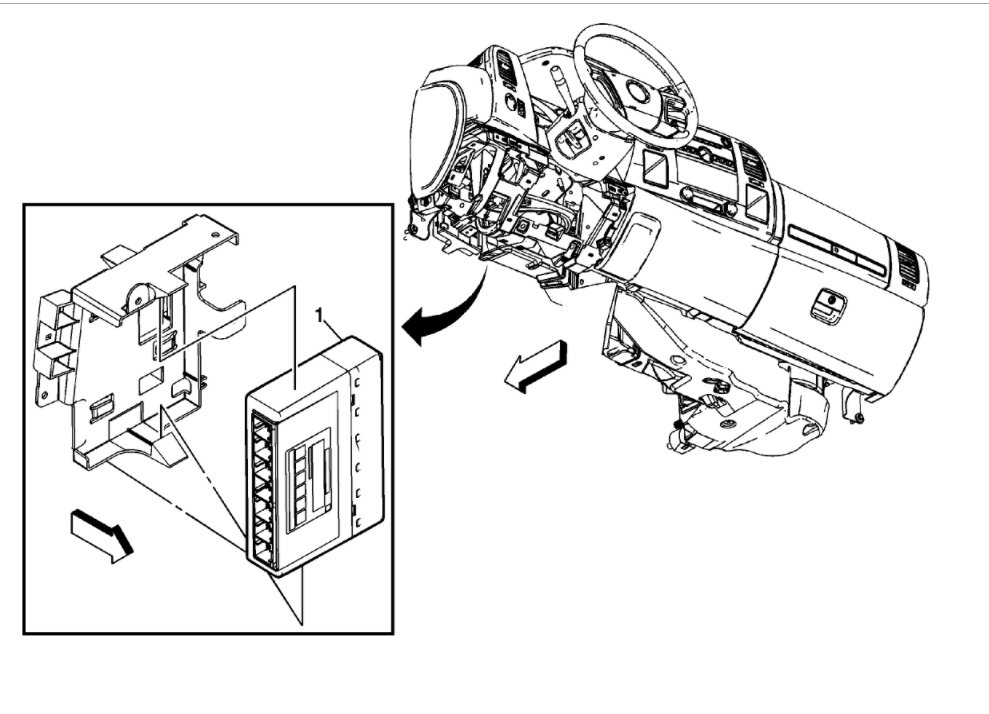
Put in left turn does nothing. Off position and right turn signal show turning right service airbag light is on water over bumper yesterday an in floorboard.



