Turn signals not working properly

Tiny
SKYLARMARTIN
  • MEMBER
  • 1998 CHEVROLET CHEYENNE
  • 5.0L
  • V8
  • 2WD
  • AUTOMATIC
  • 150,000 MILES
Truck listed above is a c1500. I have no blinkers and only hazards. When I use my turn signal either left or right while I have the lights off, it just turns on the hazards. When I turn the lights on, the blinker lights on the dash stay lit and do nothing when you flip the switch either left or right.
(Don’t come on, blinkers/hazards)

The fuses are all good and I’ve changed the multi-function switch and relay already. I have no idea where to go from there. Any help would be much appreciated.
Saturday, October 10th, 2020 AT 10:14 PM

3 Replies

Tiny
DANNY L
  • MECHANIC
  • 5,648 POSTS
Hello, I'm Danny.

I would suggest checking the taillight boards and parking light sockets. Here is a tutorial on how to check wiring:

https://www.2carpros.com/articles/how-to-check-wiring

I would also suggest upgrading your flasher to LED. The Novita brand number EP50 LED flasher is available at all auto parts stores. I've attached a picture below. Hope this helps and keep us updated. Thanks for using 2CarPros.
Was this
answer
helpful?
Yes
No
Sunday, October 11th, 2020 AT 12:26 PM
Tiny
SKYLARMARTIN
  • MEMBER
  • 2 POSTS
The taillight boards are new also. I have already replaced the flasher relay with a novita ep29. Ep29 is a 4 prong relay for me truck. Thank you for the help! What do you suggest from here?
Was this
answer
helpful?
Yes
No
Sunday, October 11th, 2020 AT 3:18 PM
Tiny
DANNY L
  • MECHANIC
  • 5,648 POSTS
Hello again.

Well since you've checked and replaced most components related to this issue then it sounds like you might have a wiring issue. Here is a tutorial on how to check wiring:

https://www.2carpros.com/articles/how-to-check-wiring

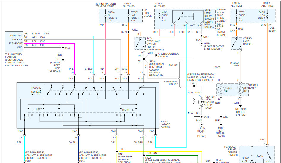
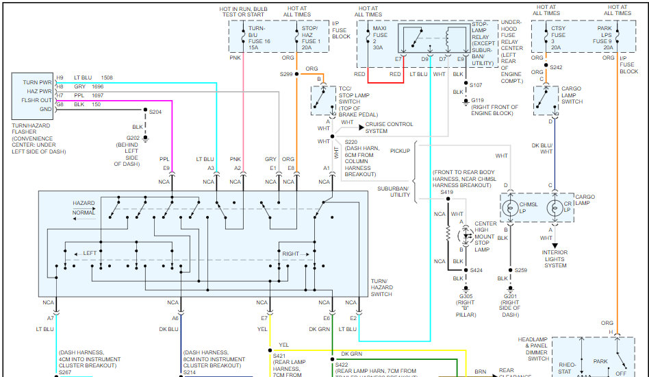
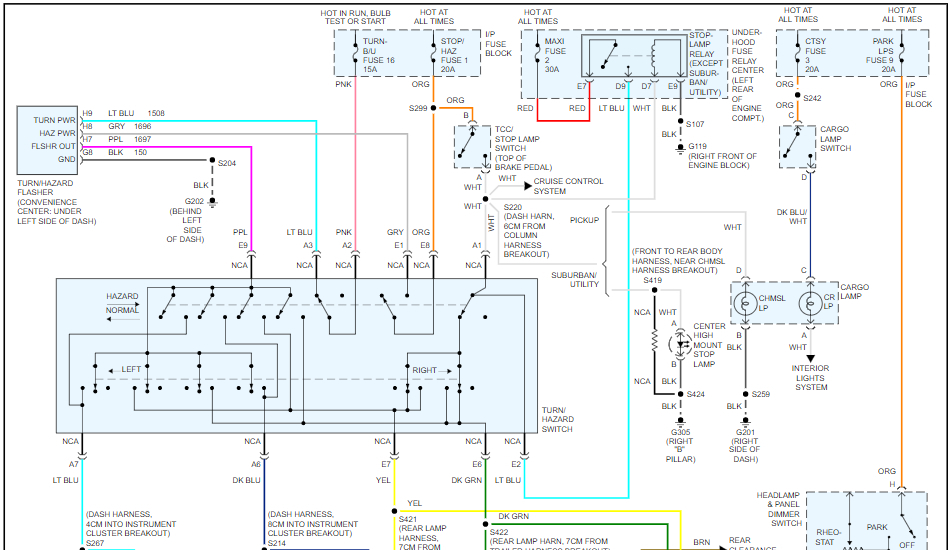
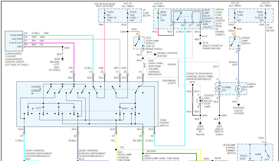
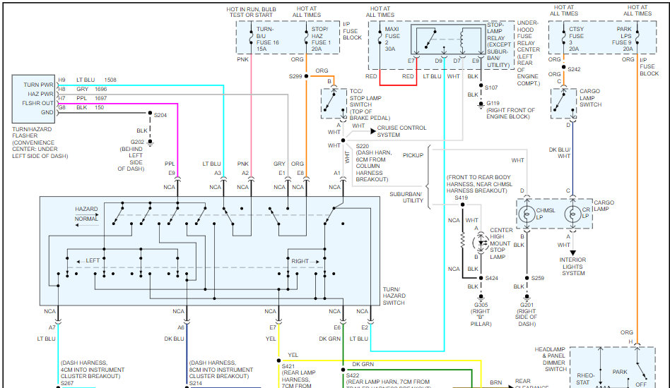
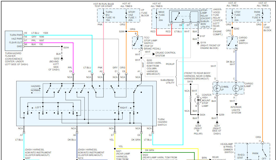
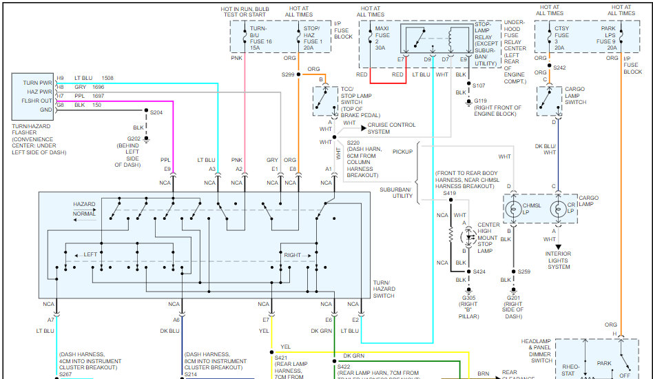
I've attached pictures below of the exterior lights wiring diagram . I would start by testing the H7 purple wire coming off of the flasher and going into the multi- turn signal switch. I've circled it in red on the picture. Check to see if the wire is shorted or damaged. I've cut the picture into two so you can view larger. Hope this helps and let me know what you find. Keep us updated and thanks again for using 2CarPros.

Danny-
Was this
answer
helpful?
Yes
No
Sunday, October 11th, 2020 AT 11:12 PM

Please login or register to post a reply.