Sunday, July 24th, 2011 AT 12:37 AM
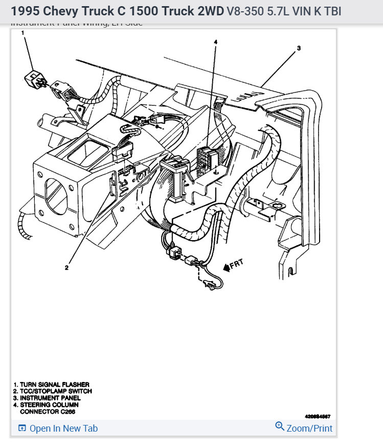
I have a 1995 chevrolet c2500 pickup. I wired a trailer recently and once done, turn signal no longer works on truck. Hazards work on truck and trailer, lights and brake and reverse on truck but no turn signal. I replaced the flasher but no luck. Flasher does not even click! I checked fuses I think.





