Turn signals only work with my headlights off

Tiny
RENE CABLE
  • MEMBER
  • 2015 CHRYSLER 200
  • AUTOMATIC
  • 79,000 MILES
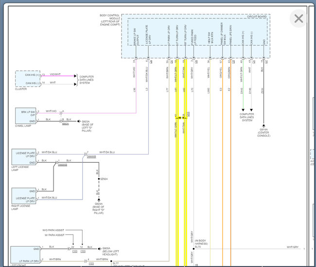
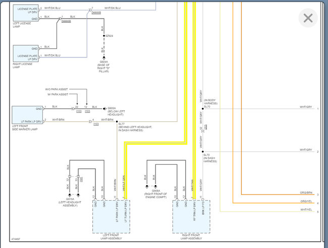
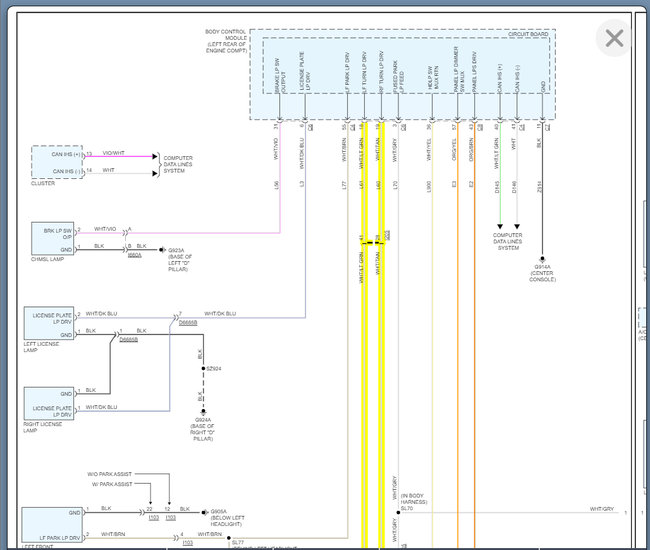
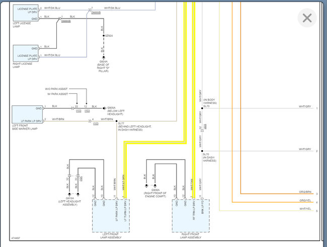
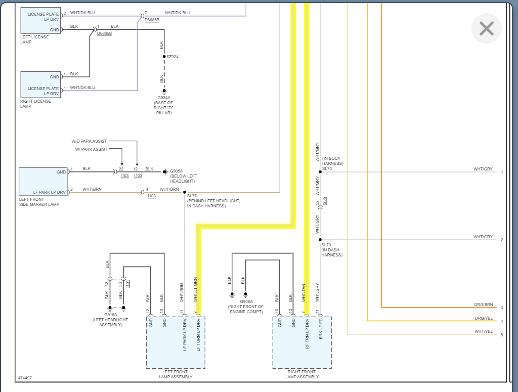
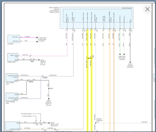
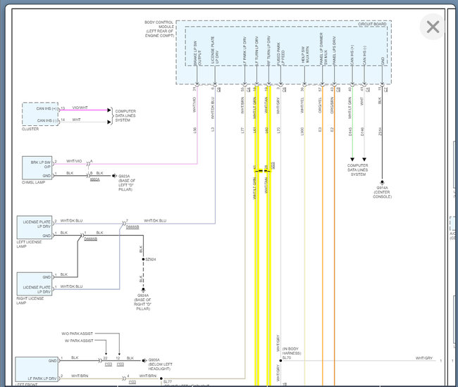
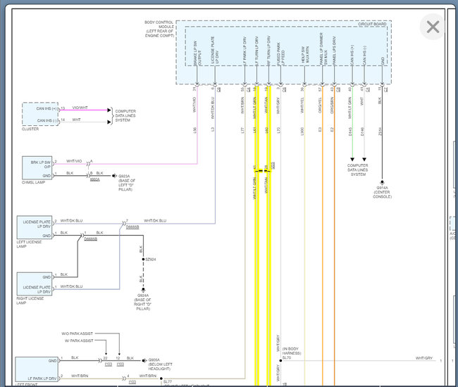
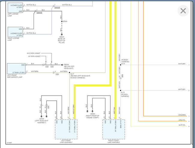
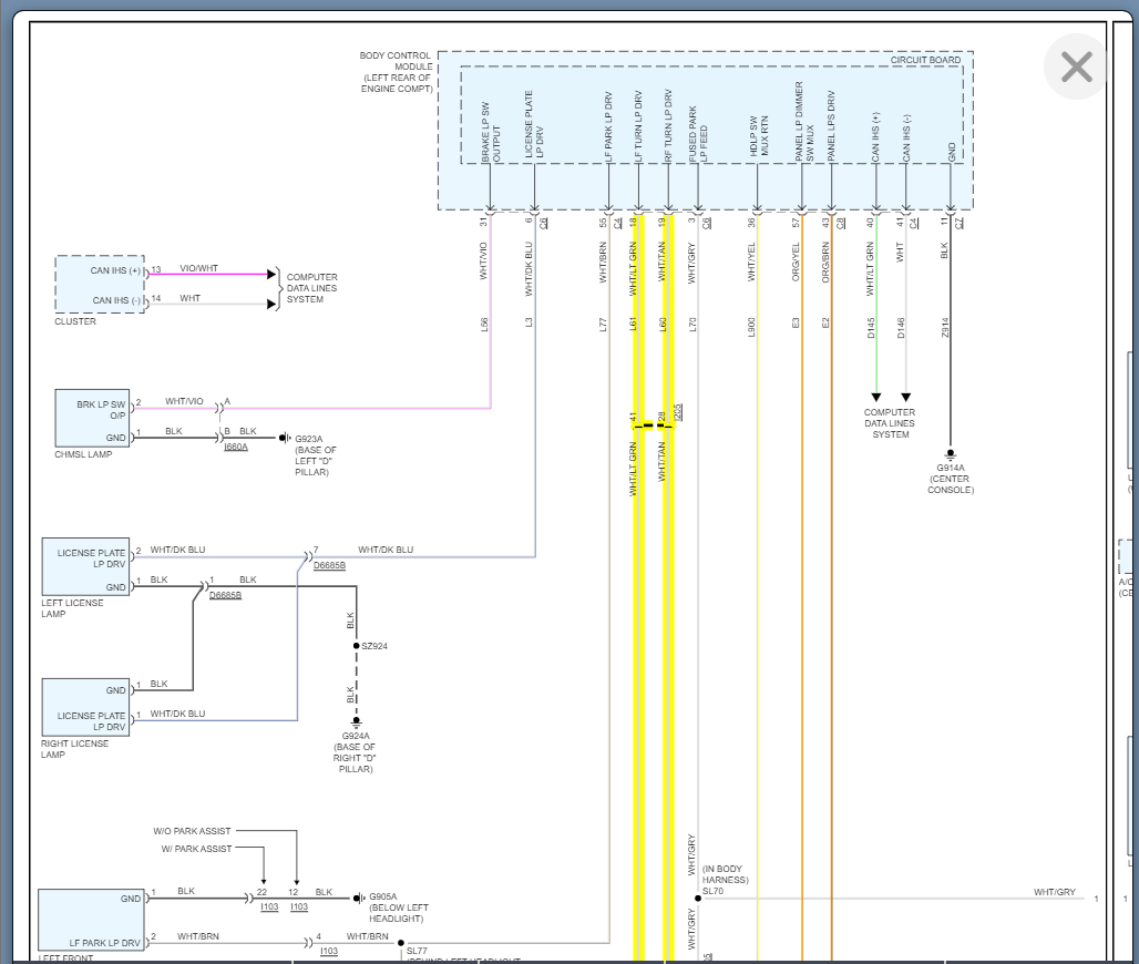
Me and my husband replaced my headlights after an accident I had in my car. Now my turn signals only work with my headlights off. When my headlights are on, they don’t work at all. Back turn signals seem to work fine though.
Monday, May 23rd, 2022 AT 10:25 AM

1 Reply

Tiny
KASEKENNY
  • MECHANIC
  • 18,907 POSTS
We need to start with checking the power coming from the BCM when the turn signals are on.

https://www.2carpros.com/articles/how-to-check-wiring

Basically, the BCM needs to send the signal and if the headlights are on, I suspect we have a wiring issue or possibly even a BCM issue.

So, I would suggest we start with checking the voltage and we need to check for codes.

https://www.2carpros.com/articles/checking-a-service-engine-soon-or-check-engine-light-on-or-flashing

Lastly, can you get me the part numbers of the headlights that you installed? It is possible that if we got the wrong assemblies that this is an issue as well.

Thanks
Was this
answer
helpful?
Yes
No
Tuesday, May 24th, 2022 AT 4:36 PM

Please login or register to post a reply.