Blinker not working

Tiny
PD1205
  • MEMBER
  • 2003 MERCURY SABLE
  • 140,000 MILES
Blinker stopped working.
Friday, January 15th, 2021 AT 8:47 AM

1 Reply

Tiny
KASEKENNY
  • MECHANIC
  • 18,907 POSTS
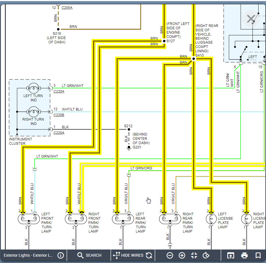
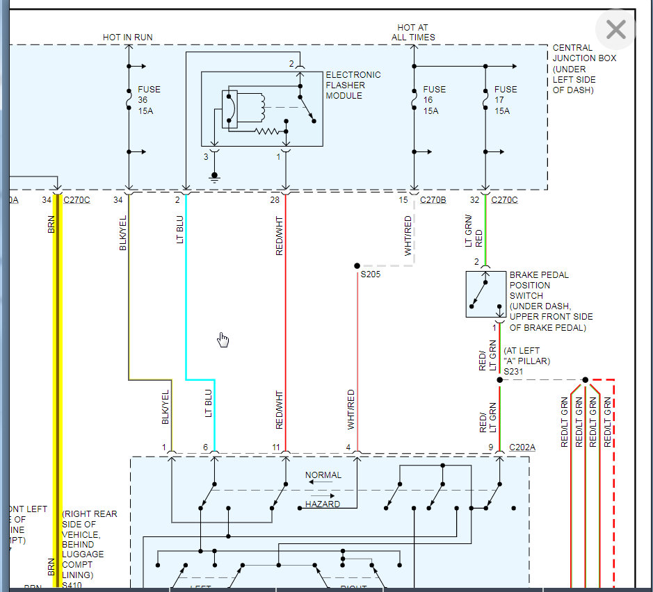
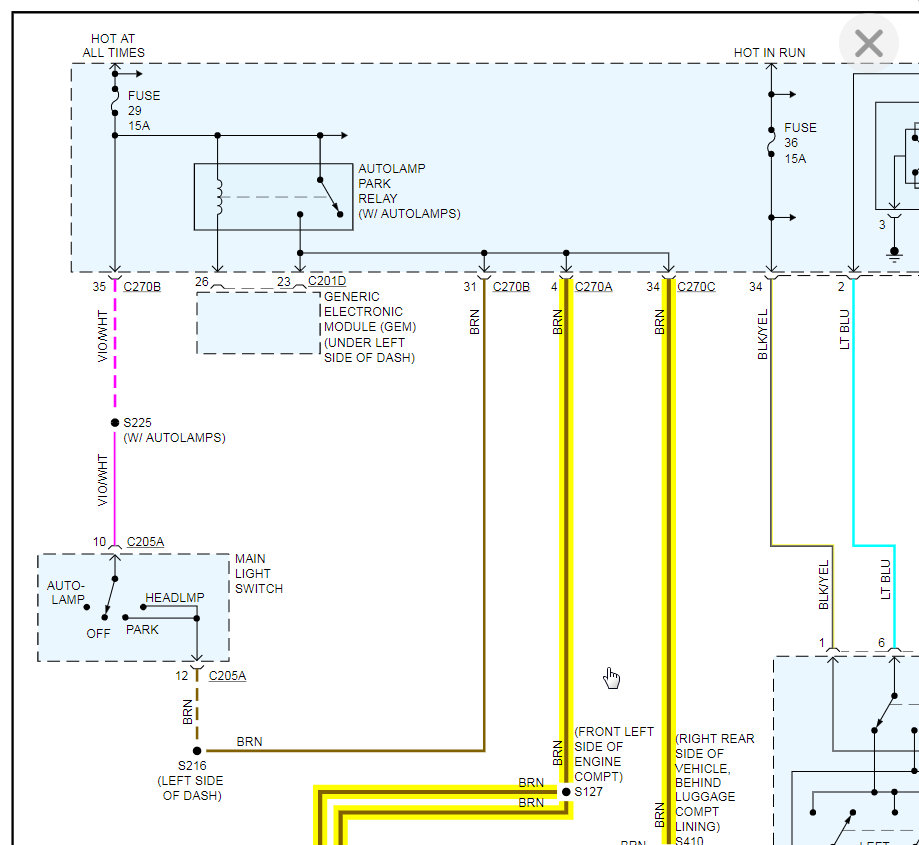
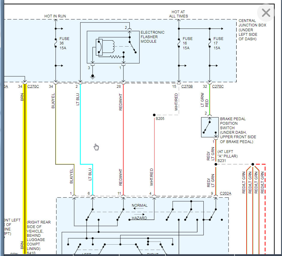
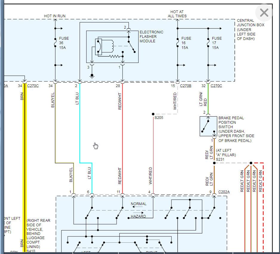
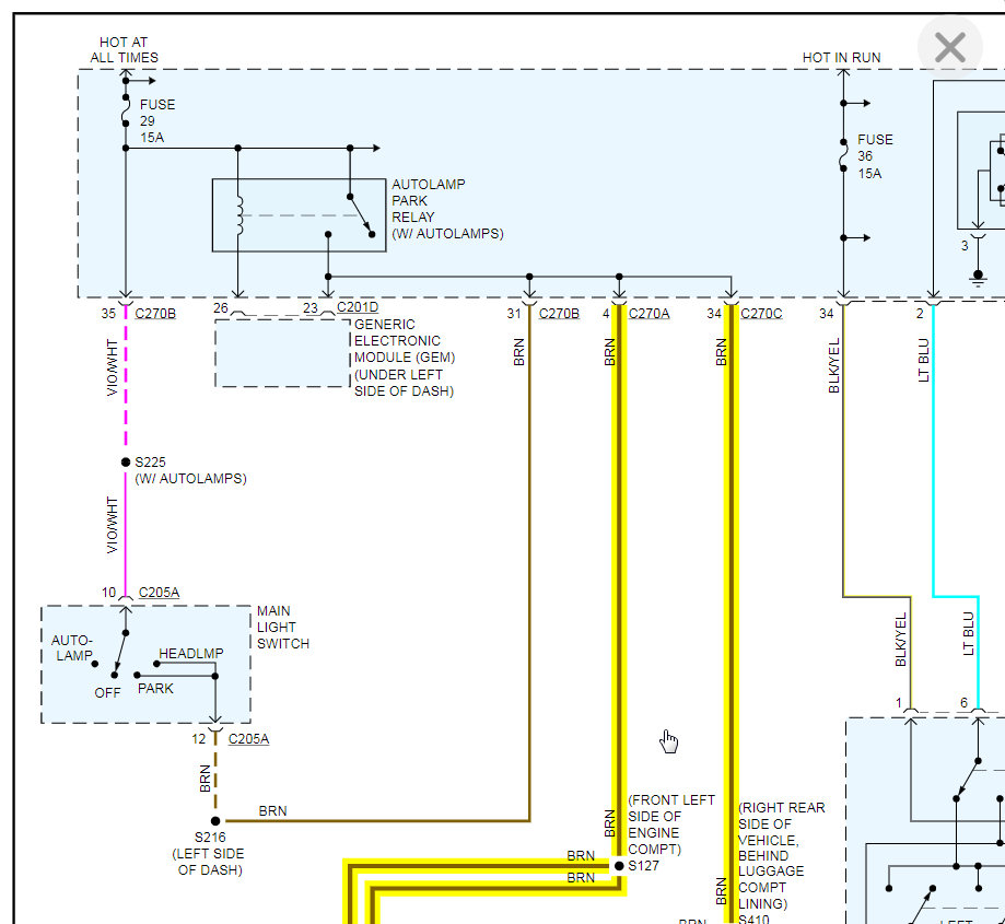
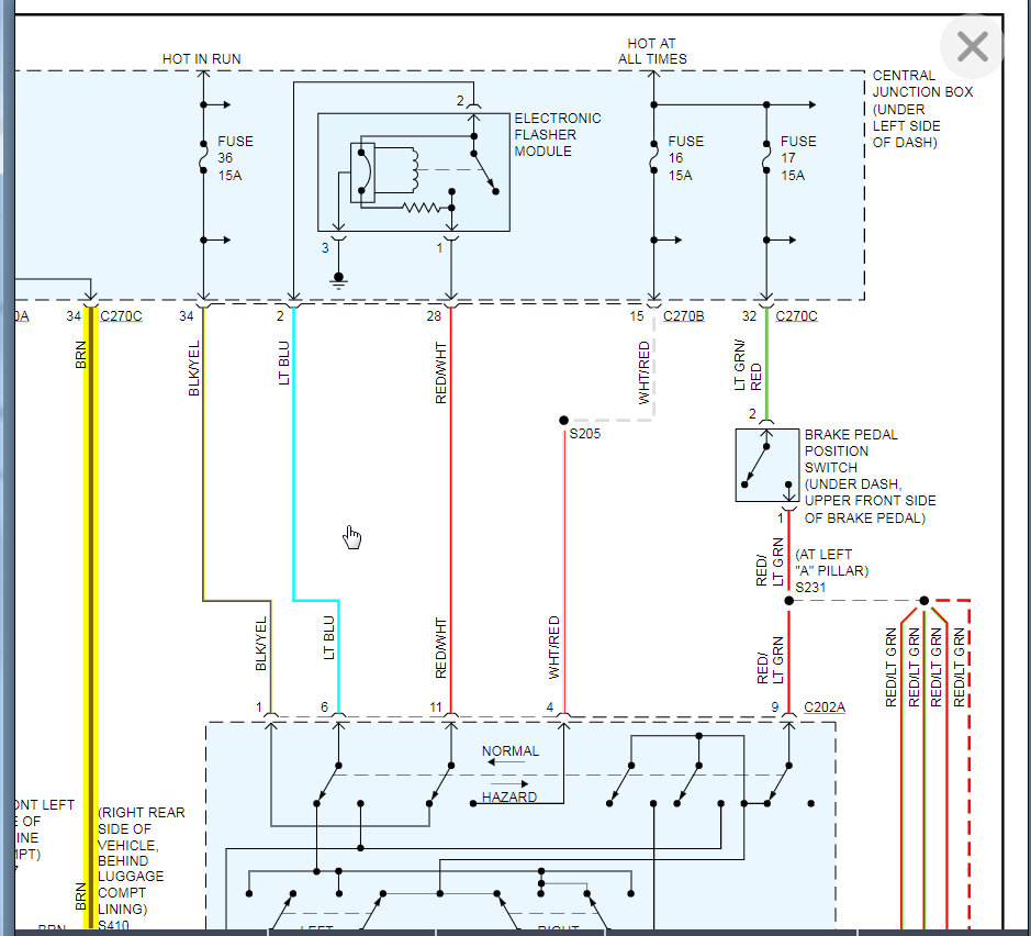
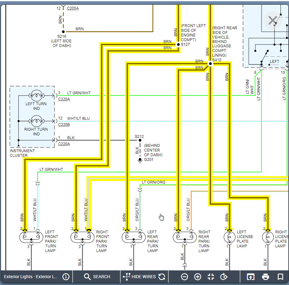
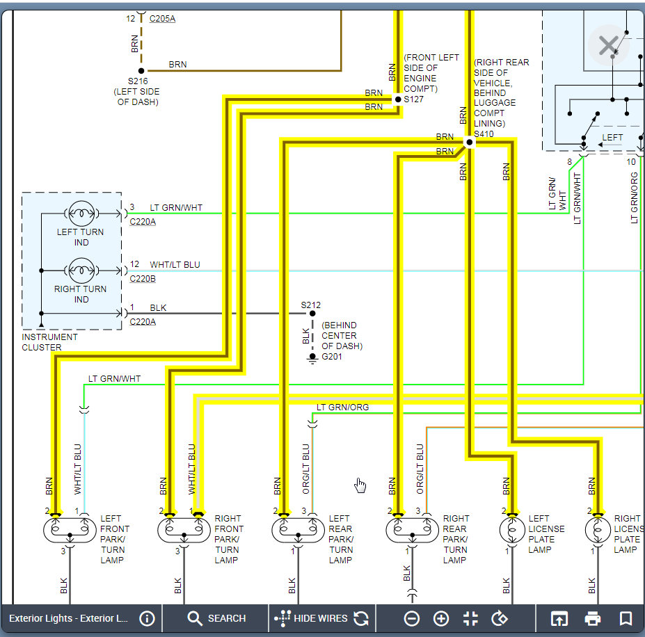
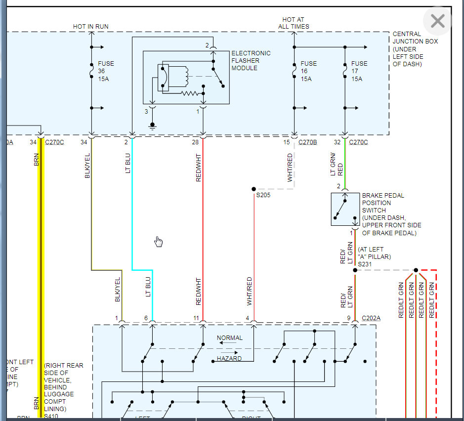
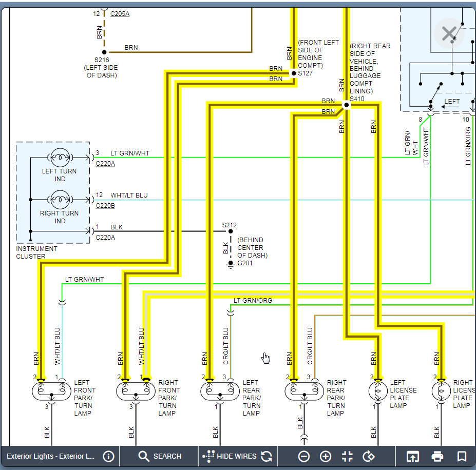
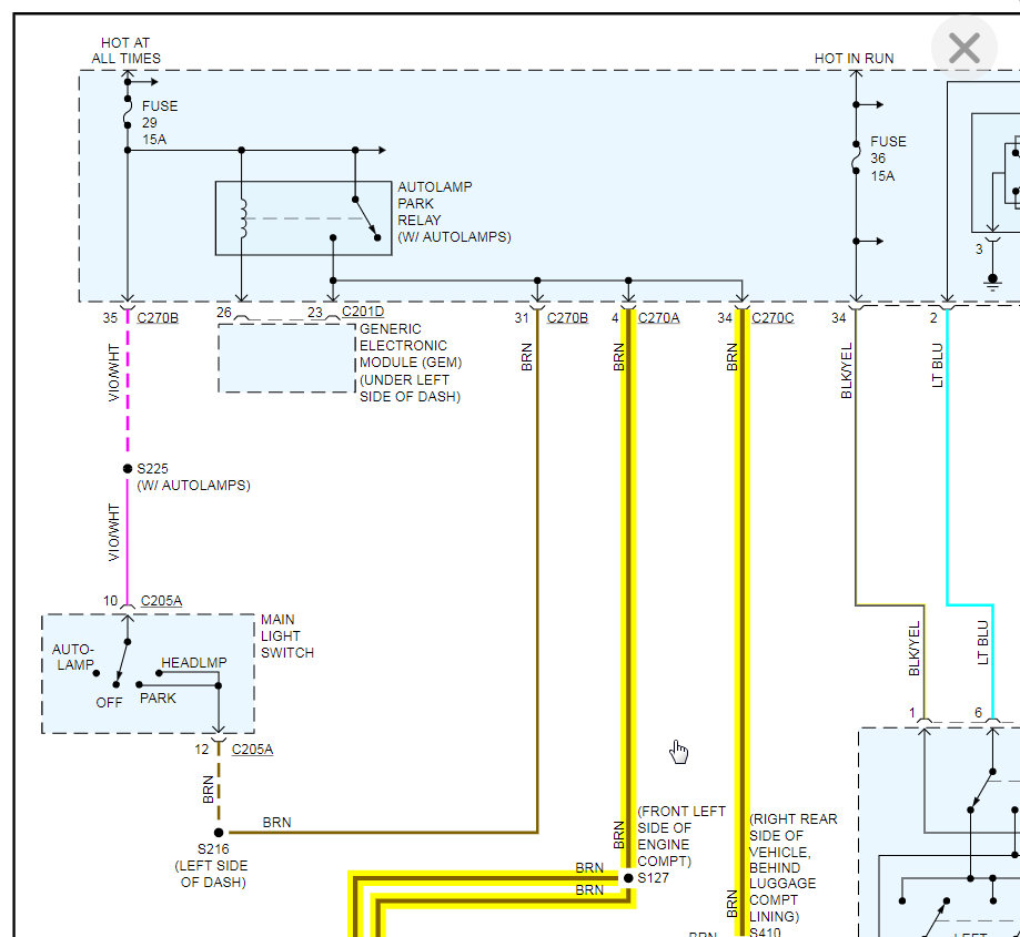
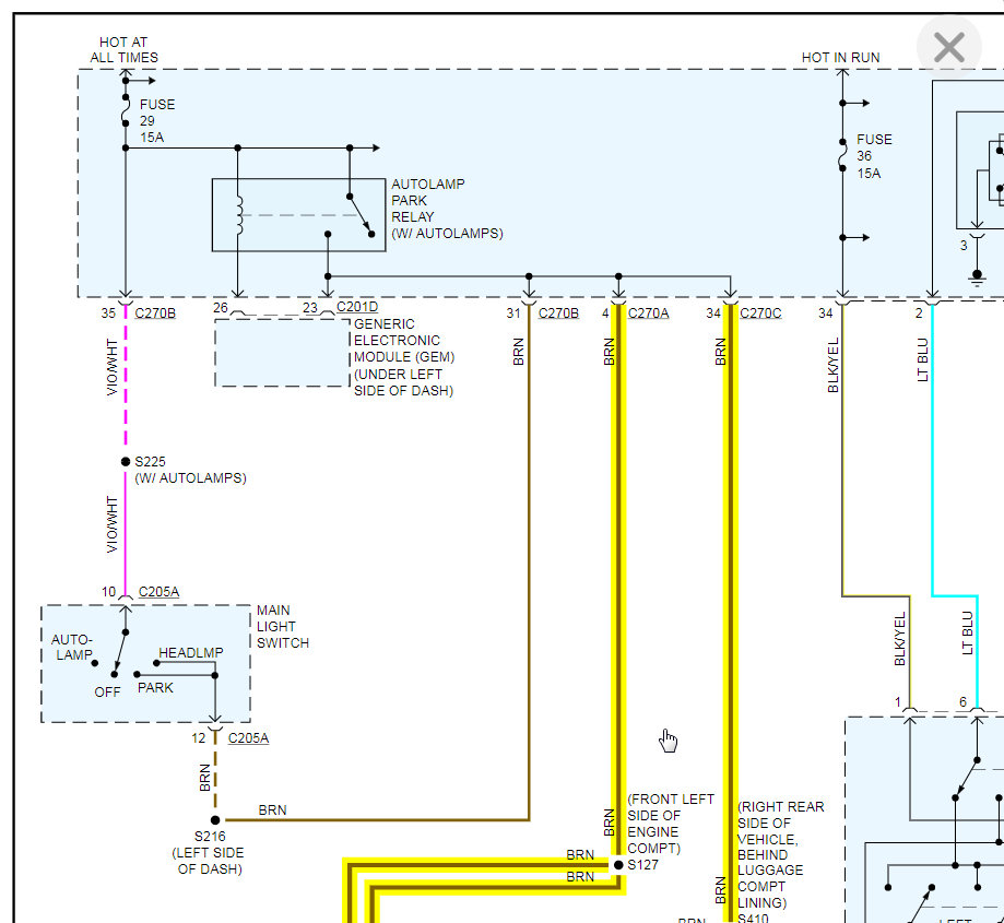
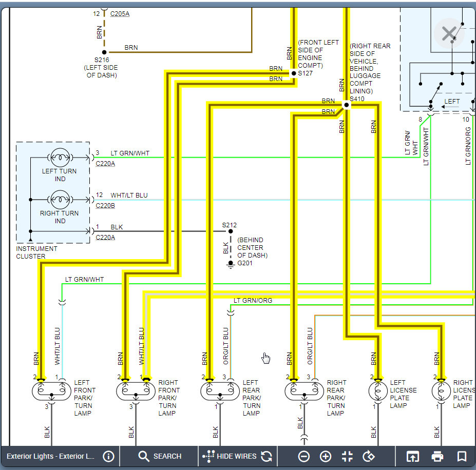
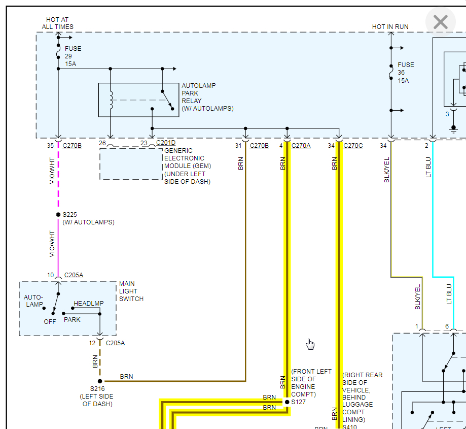
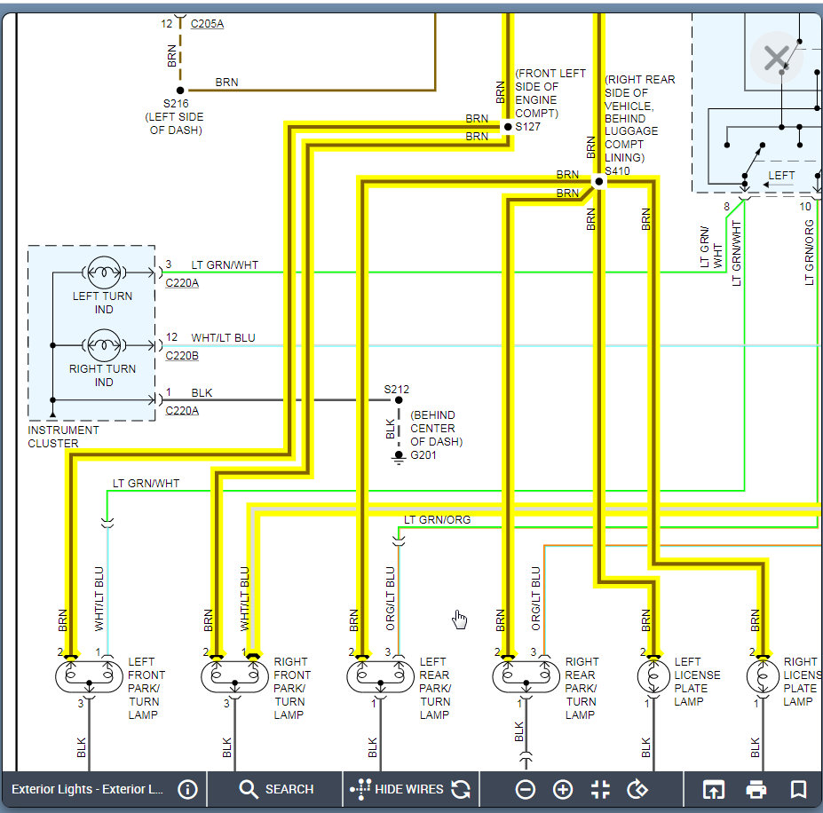
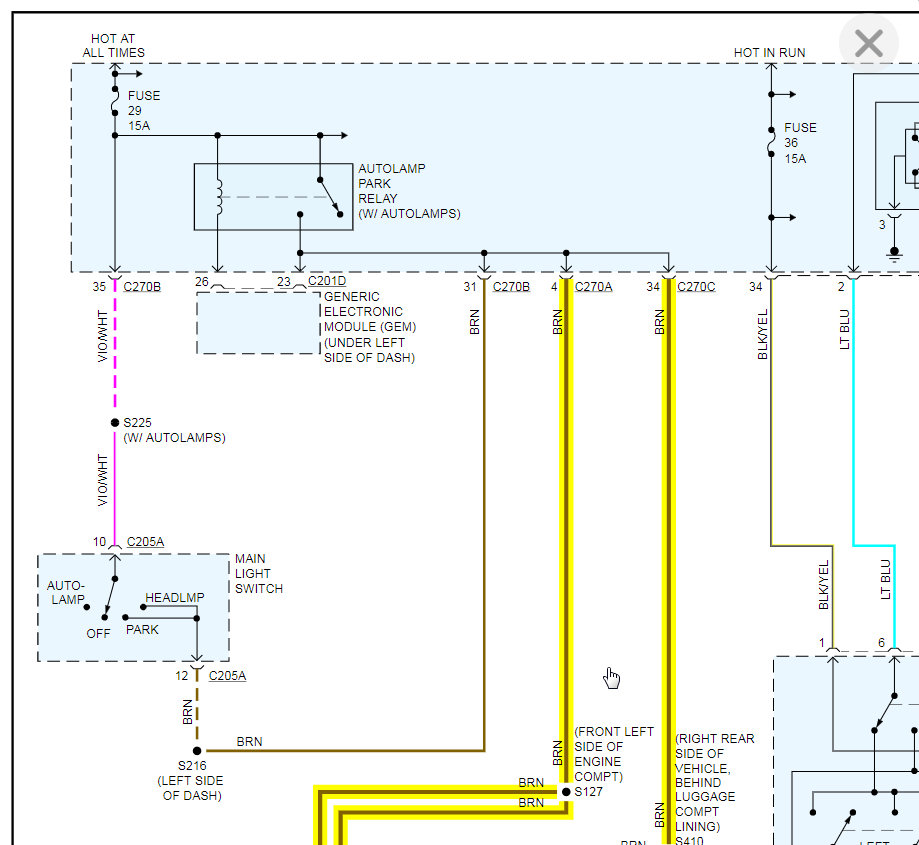
If all the turn signals stopped working and the other lights work then this is most likely a multifunction switch issue.

The way to confirm this is test the voltage coming out of the switch to the turn signals. I included the wiring diagram to do this. However, I also included the process on how to replace the switch as if it were me based on this information, I would replace this and then retest.

Here is a guide that will help do this testing:

https://www.2carpros.com/articles/how-to-check-wiring

Let us know what questions you have. Thanks
Was this
answer
helpful?
Yes
No
Saturday, January 16th, 2021 AT 10:41 AM

Please login or register to post a reply.