Blend door actuator not working

Tiny
BUBBALUV
  • MEMBER
  • 2009 HONDA CRV
  • 180,000 MILES
Soon as I connect new one before I completely install it. The blower quits working.
Sunday, November 3rd, 2019 AT 2:40 PM

5 Replies

Tiny
JACOBANDNICKOLAS
  • MECHANIC
  • 110,194 POSTS
Do you mean the blower motor stops working when you replace the blend door actuator? Since they aren't directly related, I suspect you are moving a bad wire around while working under the dash causing it to lose connection. Are you able to make the blower motor work at this point?

Let me know.
Joe
Was this
answer
helpful?
Yes
No
Sunday, November 3rd, 2019 AT 8:38 PM
Tiny
BUBBALUV
  • MEMBER
  • 2 POSTS
Nope. I plugged in new actuator. Turned on car. Turned system on. Nothing happened. I unplugged new actuator and the system comes in and blower starts blowing. No other wires under there.
Was this
answer
helpful?
Yes
No
Monday, November 4th, 2019 AT 4:42 AM
Tiny
JACOBANDNICKOLAS
  • MECHANIC
  • 110,194 POSTS
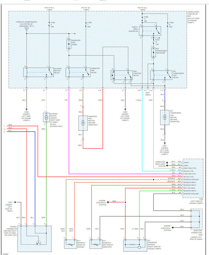
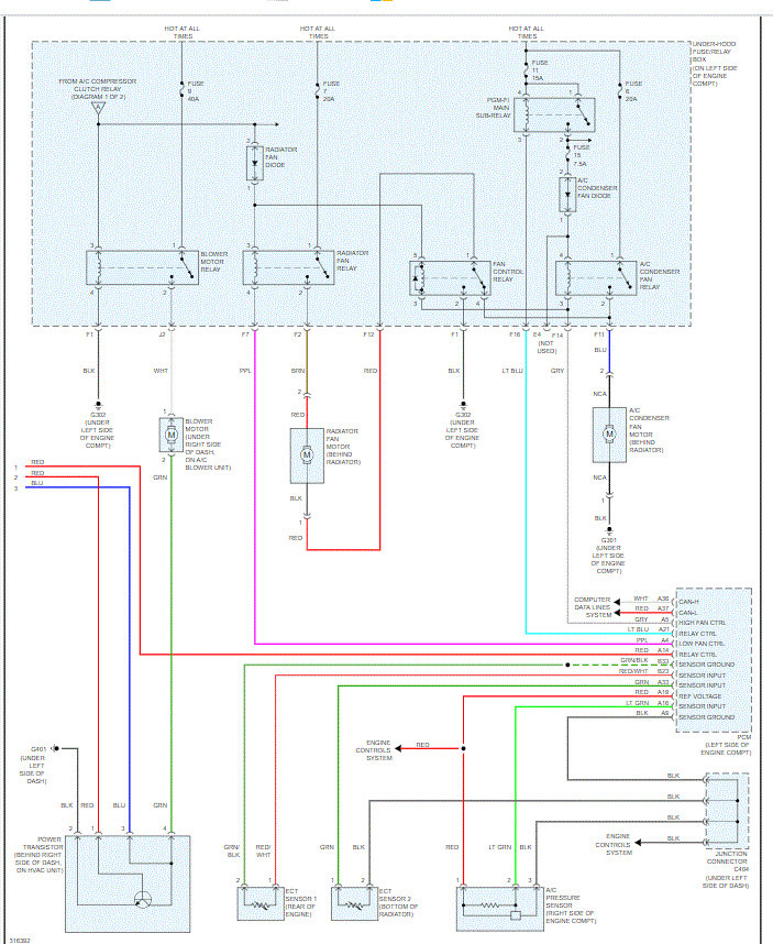
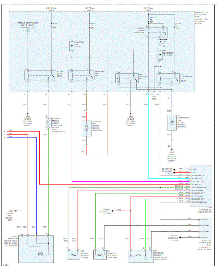
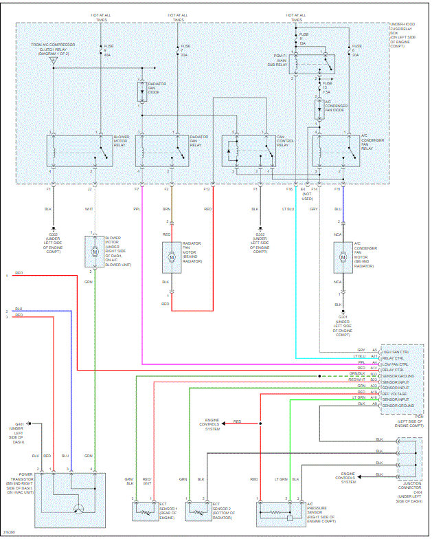
Do me a favor. Try putting it into self diagnostic. Here are the directions. The two attached pictures correlate with the directions. Also, the second pic lists what each code indicates.

I looked through the wiring schematic, and the only thing I can suspect at this point is the control unit. If you unplug the fan, can you tell if the actuator is working?

________________________________

How to Use the Self-diagnostic Function

The HVAC control unit has a self-diagnostic function for heating, ventilation, and air conditioning system. To run the self-diagnostic function, do the following:

1. Turn the ignition switch to LOCK (0), and then to ON (II).

2. Set the FAN CONTROL dial OFF, the TEMPERATURE CONTROL dial on Max Cool, and select the VENT mode.

3. Turn the ignition switch to LOCK (0), and then to ON (II).

4. Press and hold the RECIRCULATION CONTROL button, then press the REAR WINDOW DEFOGGER button five times within 10 seconds. Release the RECIRCULATION CONTROL and REAR WINDOW DEFOGGER buttons; the recirculation indicator blinks two times, then the self-diagnostic begins.
NOTE:

- The blower motor will run at various speeds when in the self-diagnostic mode.

- In the case of multiple problems, the recirculation indicator will blink the lowest number DTC only.

- If no DTCs are found, the indicator will not blink.

___________________________________

Let me know what you find.

Joe
Was this
answer
helpful?
Yes
No
+1
Monday, November 4th, 2019 AT 8:37 PM
Tiny
SASQUATCHMJC
  • MEMBER
  • 1 POST
Hey Joe, it didn't look like OP responded, but I am having the same problem, I run the self diagnostic with my old blender actuator plugged in and I get 2 blinks back, meaning a short in the mixer. Then I have the same problem when I plug in a new mixer actuator the light goes off on the ventilation button, and come back and starts blowing again as soon as I unplug, which sounds like a short to me. I also purchased a tested replacement temperature control unit and have swapped that out as well.

Any other thoughts with this new input?

Thanks in advance!

P.S. Possibly sharing the wiring diagrams with me could help, i'm an electrician who works with PLC's myself.
Was this
answer
helpful?
Yes
No
Wednesday, December 30th, 2020 AT 5:51 PM
Tiny
JACOBANDNICKOLAS
  • MECHANIC
  • 110,194 POSTS
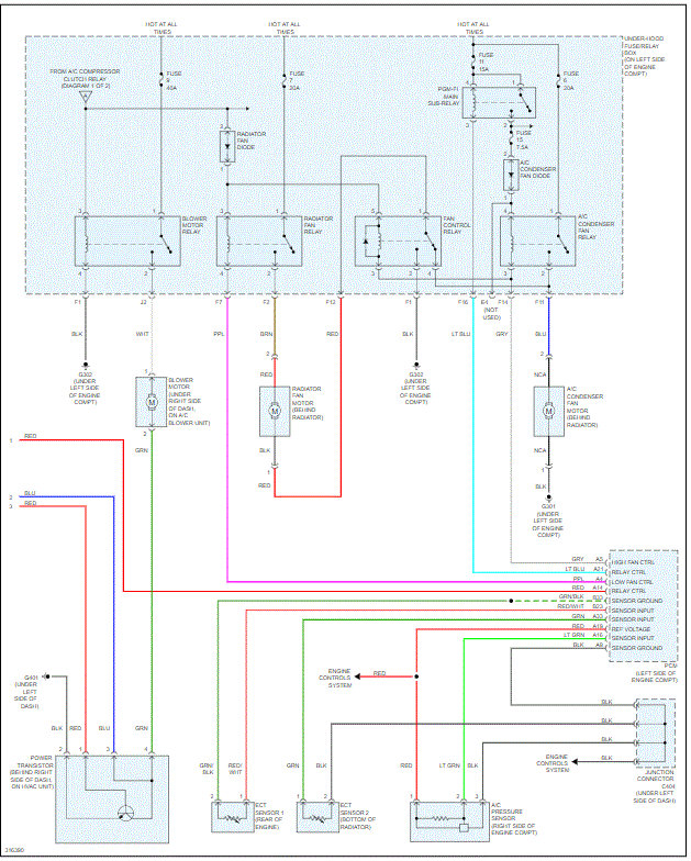
Hi,

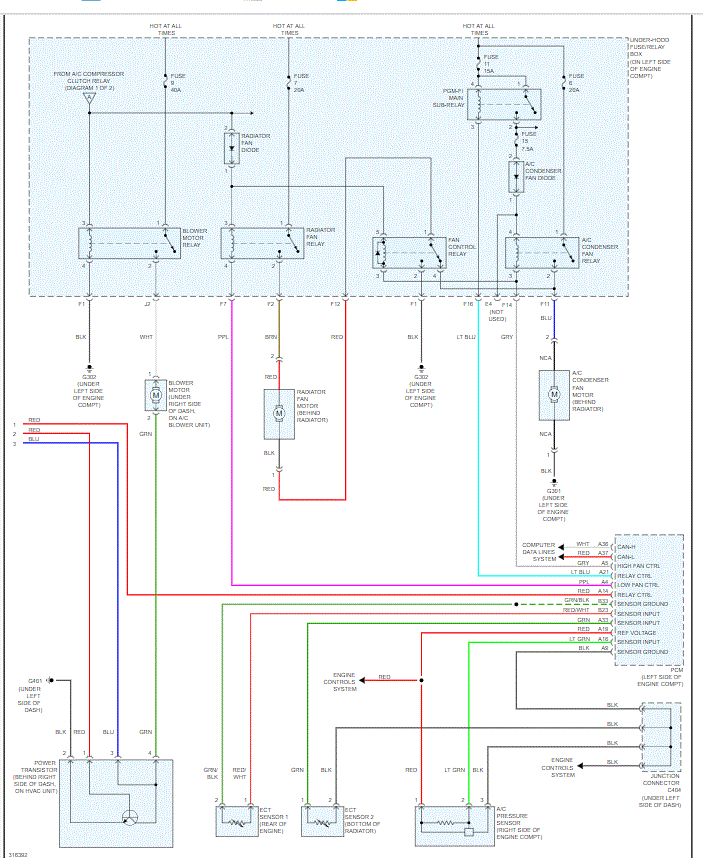
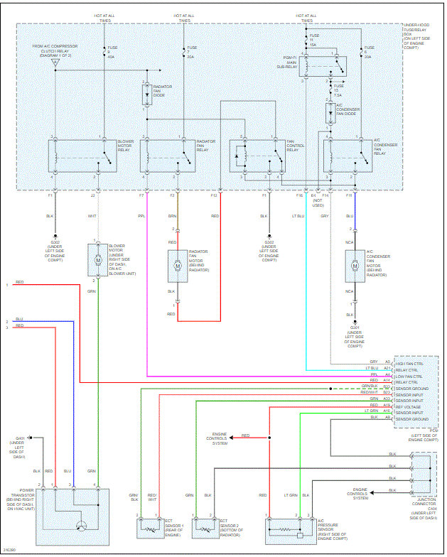
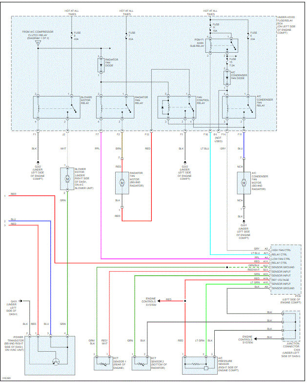
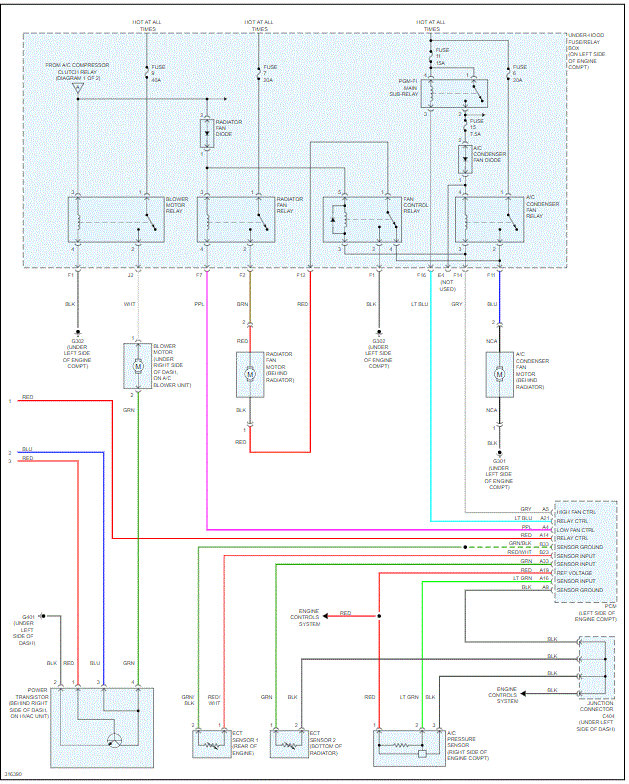
I attached pics below for the HVAC on a 2009 CRV. Just making sure your vehicle is the same year and model. Pics 1 and 2 are for manual climate control.

Pics 3 and 4 are for an automatic climate control system. I'm not sure which one you have.

Here is a link you may find helpful:

https://www.2carpros.com/articles/how-to-check-wiring

Let me know if this helps or if you have other questions.

Take care,
Joe

Was this
answer
helpful?
Yes
No
Wednesday, December 30th, 2020 AT 10:25 PM

Please login or register to post a reply.