Location of the blend door actuator that controls the passenger side?

Tiny
MATT HAWES
  • MEMBER
  • 2016 NISSAN FRONTIER
  • 4.0L
  • V6
  • 4WD
  • AUTOMATIC
  • 110,000 MILES
I am trying to confirm the location of the blend door actuator that controls the passenger side temperature. My passenger side temperature is stuck on cold but my driver side temperature changes from hot to cold.
Tuesday, October 15th, 2024 AT 8:03 AM

17 Replies

Tiny
KEN L
  • MASTER CERTIFIED MECHANIC
  • 55,177 POSTS
Sure, it is the air mix blend door actuator at the bottom center of the HVAC plenum, check out the images (below). Let us know if you need anything else.
Was this
answer
helpful?
Yes
No
Tuesday, October 15th, 2024 AT 11:32 AM
Tiny
MATT HAWES
  • MEMBER
  • 9 POSTS
I have replaced the blend door actuator but am still having the same issue with no heat on the passenger side. Do you have any ideas?
What else could be causing this and what I should try next?
Was this
answer
helpful?
Yes
No
Wednesday, October 23rd, 2024 AT 1:20 AM
Tiny
KEN L
  • MASTER CERTIFIED MECHANIC
  • 55,177 POSTS
With the actuator removed can you work the blend door pivot by hand to see if you get heat? You might have an internal obstruction which does not allow the door to work. Also, when the actuator is removed work, the controls form hot to cold to see if the actuator is working.
Was this
answer
helpful?
Yes
No
Wednesday, October 23rd, 2024 AT 10:03 AM
Tiny
MATT HAWES
  • MEMBER
  • 9 POSTS
It seems the more I try the more confused I get. I have removed the actuator and can turn the stem by hand. With the truck started turning the stem by hand which is moving the blend door seems to control the drive side heat. I still get no change on the passenger side with no heat.
Was this
answer
helpful?
Yes
No
Tuesday, October 29th, 2024 AT 5:58 AM
Tiny
KEN L
  • MASTER CERTIFIED MECHANIC
  • 55,177 POSTS
So you changed the actuator on the bottom as inducted correct? It seems like you have the wrong one or the repair data is incorrect which happens. Please confirm.
Was this
answer
helpful?
Yes
No
Tuesday, October 29th, 2024 AT 11:15 AM
Tiny
MATT HAWES
  • MEMBER
  • 9 POSTS
So at first, I replaced the actuator and once I got it all hooked back up and reinstalled, I noticed no change. I Uninstaller the new actuator and went to hook back up the original one and before installing it turned on the truck and adjusted the temperature and noticed the piece was turning on the actuator that hooks onto the post. I don't think it is an actuator issue, or I have the wrong one.
Was this
answer
helpful?
Yes
No
Tuesday, October 29th, 2024 AT 2:41 PM
Tiny
KEN L
  • MASTER CERTIFIED MECHANIC
  • 55,177 POSTS
If you click on the images I uploaded in the first post it shows the location of the actuator, can you double check it for me?
Was this
answer
helpful?
Yes
No
+1
Wednesday, October 30th, 2024 AT 9:38 AM
Tiny
MATT HAWES
  • MEMBER
  • 9 POSTS
The actuator I replaced appears to be the same one as in the picture. It is behind the glovebox under the dash all the way to the left.
Was this
answer
helpful?
Yes
No
Wednesday, October 30th, 2024 AT 1:55 PM
Tiny
KEN L
  • MASTER CERTIFIED MECHANIC
  • 55,177 POSTS
Yep, it is in the middle of the HVAC plenum. So, with the actuator unbolted but wires connected, works the HVAC temperature controls from cold to hot to see if the actuator swings each way.
Was this
answer
helpful?
Yes
No
Thursday, October 31st, 2024 AT 12:54 PM
Tiny
MATT HAWES
  • MEMBER
  • 9 POSTS
I hooked the actuator back up to the plug but left it unbolted to where I could see it. As soon as I started the truck the actuator started to move one direction for a while then back the other direction and eventually it stopped. At this point the heat controls were all still in the off position. When I turned on the heat and watched the actuator it did not move at all. I was still getting cold air out of the passenger side vents and hot air out of the drives side vents. Is it possible it could be some sort of electrical part or computer that controls the actuator?
Was this
answer
helpful?
Yes
No
Sunday, November 3rd, 2024 AT 10:45 AM
Tiny
KEN L
  • MASTER CERTIFIED MECHANIC
  • 55,177 POSTS
Yes, the HVAC controller could be going out. But when you went from hot to cold did the actuator swing each way? It is normal for the actuator to cycle through its range when the system is off.
Was this
answer
helpful?
Yes
No
Sunday, November 3rd, 2024 AT 11:36 AM
Tiny
MATT HAWES
  • MEMBER
  • 9 POSTS
When the heat is set on single temp and I adjust the temperature from hot to cold the actuator does move back and forth in both directions. When I turn on the dual temp which is seperate for the driver side and passenger side and I move the passenger side temperature back and forth the actuator does not move. When in the same dual temp mode and I adjust the driver side the actuator does move.
Was this
answer
helpful?
Yes
No
Tuesday, November 5th, 2024 AT 7:39 AM
Tiny
KEN L
  • MASTER CERTIFIED MECHANIC
  • 55,177 POSTS
Okay, let try a hard system reset which can reboot the HVAC controller which might fix it.

https://www.2carpros.com/articles/step-by-step-guide-performing-a-hard-system-reboot-for-your-vehicles-electronics-systems

Please go over this guide and get back to us.
Was this
answer
helpful?
Yes
No
Tuesday, November 5th, 2024 AT 10:01 AM
Tiny
MATT HAWES
  • MEMBER
  • 9 POSTS
I tried the 3rd option of clearing the memory and de-energizing everything with no luck. I hooked back up the actuator that is located under the left side of the glove box. When turning the truck on and letting it heat up the actuator under the glove box does in fact control the driver's side and not the passenger's side. I do believe the passenger-side actuator is located on top of the air box behind the dash where it cannot be accessed.

Here are a few other things that could also be related to a bigger electrical issue.

1. The airbag light started flashing a few months back which seemed weird.

2. Sometimes when the passenger side door is opened when the truck is running there is a clicking sound in the dash, maybe an electrical switch turning on and off. This happens randomly.

3. The backup sensor sometimes turns itself off and it cannot be turned on, other times it works perfectly fine. It can be turned off and back on.

I do have a friend that has a car computer that I am going to have run to see what codes come up.
Was this
answer
helpful?
Yes
No
Saturday, November 16th, 2024 AT 5:06 PM
Tiny
KEN L
  • MASTER CERTIFIED MECHANIC
  • 55,177 POSTS
Yep, that is not the first time the manual has been incorrect. I like to move the blend door pivot when the actuator is not connected to see what changes to confirm the correct actuator is being replaced. Good find. Please start a new question for each additional issue.
Was this
answer
helpful?
Yes
No
Monday, November 18th, 2024 AT 10:28 AM
Tiny
MATT HAWES
  • MEMBER
  • 9 POSTS
Yes, when the actuator was removed and I turned the pivot stem it only affected the driverside temperature. The other day I hooked my truck up to a code reader. No codes were present but when I went into the HVAC section I could see both the driver mix feedback and passenger mix feedback. When adjusting the temperature on the driver side, the voltage changed from about.65 up to around 4.53. When adjusting the passenger temperature it didn't change and was stuck on.71. Could this be a ground issue? Seems like the passenger-side actuator is getting power but something is keeping if from working correctly. Any thoughts?
Was this
answer
helpful?
Yes
No
Sunday, November 24th, 2024 AT 7:28 PM
Tiny
KEN L
  • MASTER CERTIFIED MECHANIC
  • 55,177 POSTS
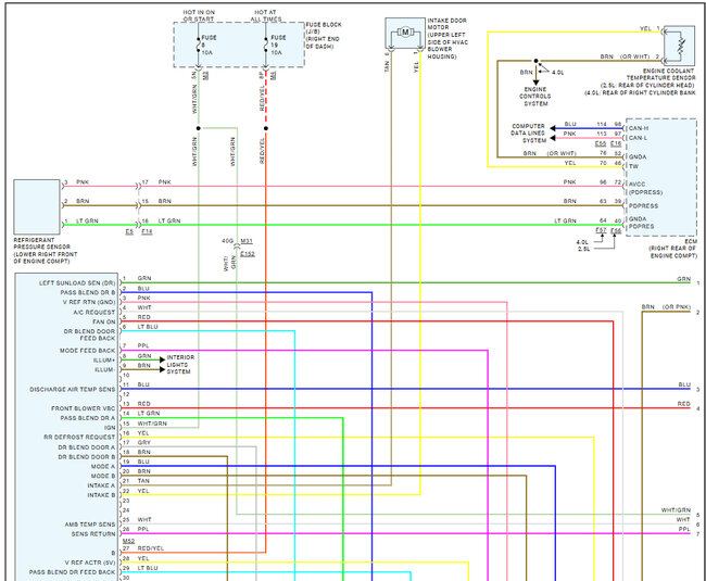
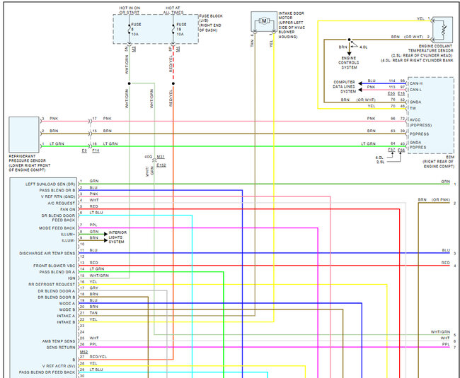
This can be a defective actuator not communicating. It does not look like there is any initializing for the actuator. So, I would try an OEM replacement and if that doesn't work here are the wiring diagrams so you can check the connections and if okay replace the HVAC control unit.

This guide can help:

https://www.2carpros.com/articles/how-to-check-wiring

Here is how to change out the HVAC control module in case you need it. Check out the images (below). Please let us know what happens.
Was this
answer
helpful?
Yes
No
Monday, November 25th, 2024 AT 12:28 PM

Please login or register to post a reply.