Battery wires

Tiny
MECODY
  • MEMBER
  • 2018 JEEP COMPASS
  • 2.4L
  • 2WD
  • MANUAL
  • 37,850 MILES
I need to know where the wire that goes to the 40-amp green fuse that connects to the battery, where does the other end hook up. I am the second owner and don’t know why but a few wires are put back with just self-tappers and the wire to this fuse fell off and I cannot start my vehicle. I had no issues until it fell off. I just need somebody to either tell me or go and look at their compass and tell me.
Saturday, January 15th, 2022 AT 12:57 PM

43 Replies

Tiny
JACOBANDNICKOLAS
  • MECHANIC
  • 110,192 POSTS
Hi,

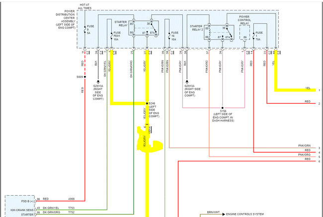
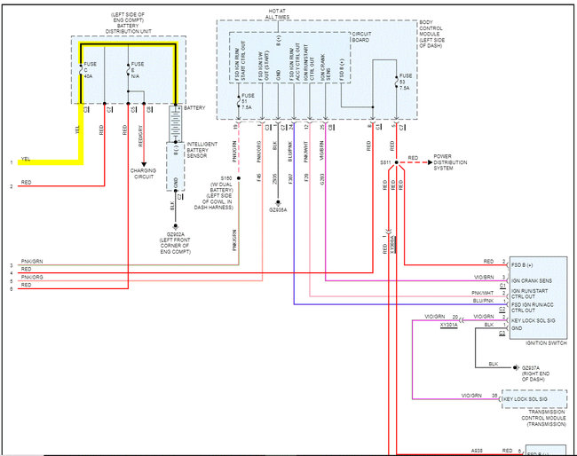
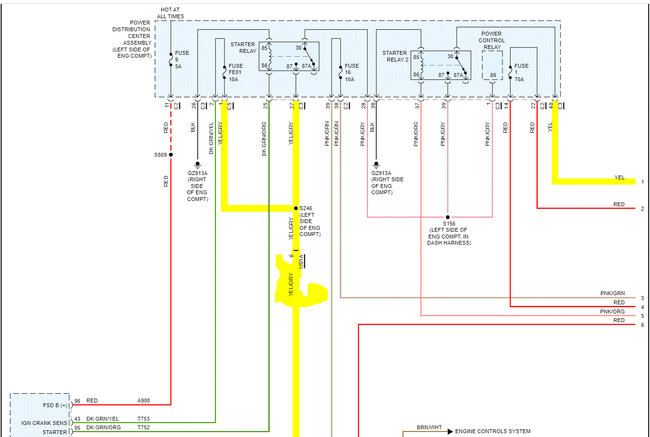
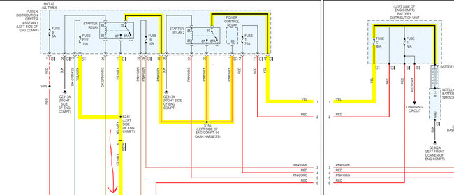
Is the wire yellow in color? If it is, I suspect it is from the battery distribution unit to the power distribution center and powers the starter relay 2. See pic 1 below. That shows the wire I am referring to. Pic 2 shows what it should look like at the battery distribution. Pic 3

If you notice in pic 1 both distribution boxes indicate "C3" which is the connector number. Pic 2 shows the connector at battery distribution and pic 3 shows where it should be at the power distribution section. connector 3, pin 40.

So, the yellow wire should go from the battery distribution unit to the power distribution box. The 40-amp fuse is in the battery distribution box.

Let me know if this helps or if you have other questions. Note: If I am correct and it is the yellow wire, if Fuse C is good, that wire will have power at all times, so try not to short it. I would remove the fuse before starting to work on it.

Additionally, the last pic shows where the wire should attach to the battery distribution center.

Here is a link you may find helpful when working on the wiring:

https://www.2carpros.com/articles/how-to-check-wiring

Let me know if this helps. Also, if the wire is attached with a self-taper at the power distribution box, that is a concern. Actually, there should be a stud in the battery dist that it bolts to. At the power distribution, the connector should have a connector for it to just plug in. If you can, take a pic of what you are seeing and upload it for me to see.

Take care,

Joe

See pics below.
Was this
answer
helpful?
Yes
No
Saturday, January 15th, 2022 AT 5:28 PM
Tiny
MECODY
  • MEMBER
  • 27 POSTS
I am not sure of the color because it completely came off of the c3 connector. Before this happened it was loose and wouldn’t start and the next day completely just fell off.
Was this
answer
helpful?
Yes
No
Saturday, January 15th, 2022 AT 5:42 PM
Tiny
MECODY
  • MEMBER
  • 27 POSTS
I have honestly found the yellow wire in the bundle and in the fuse box in the engine compartment. But I cannot find the wire connector that hooks to the battery distribution itself. The fuse went with it. So if I start with the unit connection inside the dash and track it down I should find the end possibly?
Was this
answer
helpful?
Yes
No
Saturday, January 15th, 2022 AT 6:07 PM
Tiny
JACOBANDNICKOLAS
  • MECHANIC
  • 110,192 POSTS
Hi,

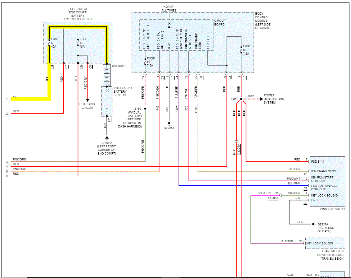
The yellow wire should be between the battery distribution (your pic above) and the power distribution under the hood. See pic 1 for location. It should be right behind (approximately) the battery. The yellow wire is direct power from the battery, which is fused but powers a circuit in the power distribution box.

Since the nut had to fall off for the fuse to come off the terminal, chances are the fuse is still attached to the wiring. Just make sure when you replace it to get the correct nut to hold in in place.

Let me know if you find the wire. It won't be a long wire. It's there somewhere unless it fell out of the power distribution box as well, but that's unlikely.

By the way, which is certainly why the starter won't engage. LOL

Let me know,

Joe

See pic below.
Was this
answer
helpful?
Yes
No
+1
Saturday, January 15th, 2022 AT 6:31 PM
Tiny
MECODY
  • MEMBER
  • 27 POSTS
Okay, so the only yellow wire that goes to where you highlighted ties right back into the distribution box. I have looked high and low, and the wire is not there pic 1 is the bottom of the box turned sideways and pic 2 is where it connects back to the box. This is the only plain yellow wire. Maybe the second picture shows where it is supposed to exit the box and run to the battery, but that wire is missing.
Was this
answer
helpful?
Yes
No
Saturday, January 15th, 2022 AT 6:54 PM
Tiny
JACOBANDNICKOLAS
  • MECHANIC
  • 110,192 POSTS
Hi,

At the fuse box (power distribution in the pic you attached) that wire should connect to where the starter relay is located. If you open the box, does it appear that is where it goes? If you follow that wire in the opposite direction, where does it go? It should return to the battery distribution box where the fuse is missing.

Joe
Was this
answer
helpful?
Yes
No
Saturday, January 15th, 2022 AT 7:23 PM
Tiny
MECODY
  • MEMBER
  • 27 POSTS
It goes from starter relay to starter relay2. The starter relay at the top.
Was this
answer
helpful?
Yes
No
Saturday, January 15th, 2022 AT 7:43 PM
Tiny
MECODY
  • MEMBER
  • 27 POSTS
It’s like 3 inches long and that is the only wire connected to the back for the starter relays.
Was this
answer
helpful?
Yes
No
Saturday, January 15th, 2022 AT 7:44 PM
Tiny
MECODY
  • MEMBER
  • 27 POSTS
If you look at the second picture of the back of my box I posted earlier, it’s like an extra spot where the yellow wire connects. Could it go here, and it just be completely missing?
Was this
answer
helpful?
Yes
No
Saturday, January 15th, 2022 AT 7:46 PM
Tiny
JACOBANDNICKOLAS
  • MECHANIC
  • 110,192 POSTS
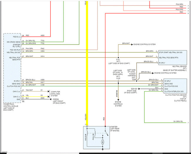
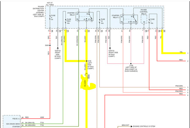
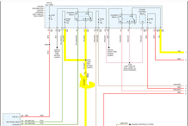
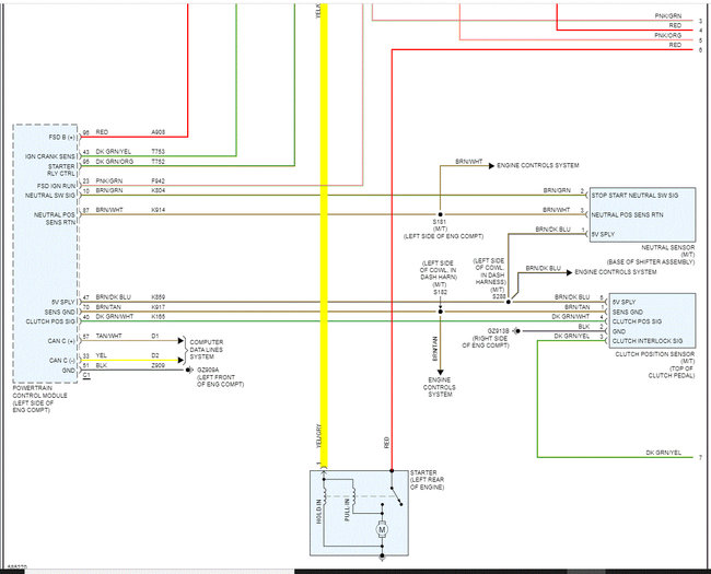
No, that wouldn't be a jumper wire. Looking at the schematic, the yellow comes from the battery to relay 2. When relay 2 is triggered, power from the yellow wire runs to the pink wire with a gray tracer which goes to starter relay 1.

The only wire colors at the starter relay (1) should be:

pink with a gray tracer
yellow with a gray tracer
dark green with an orange tracer
black

If the solid yellow wire from the battery isn't there, it must have fallen out of the vehicle.

Starter relay 2 should have the following wire colors to it:

Yellow
Pink with a gray tracer
Pink with an orange tracer
Black

Take a look below. Note that the power to relay 1 isn't provided directly from the yellow wire but rather indirectly when relay 2 is triggered.

Let me know if this helps. Also, if you can, take a pic of the box from a straight-on position of the bottom. I'm struggling to orient myself looking at it from the side.

Also, I attached one of your pics below. I pointed and circled in two places which I believe are yellow with a gray tracer. That is what goes from relay 1 to the starter. I have arrows pointing to others. Are any of those a solid yellow wire?

Let me know.

Joe

See pics below.
Was this
answer
helpful?
Yes
No
Saturday, January 15th, 2022 AT 8:11 PM
Tiny
MECODY
  • MEMBER
  • 27 POSTS
The full yellow from starter relay ties in to starter relay 2, which looks to me to have to spots with the yellow wire that should run to the battery is not there.
Was this
answer
helpful?
Yes
No
Sunday, January 16th, 2022 AT 8:16 AM
Tiny
JACOBANDNICKOLAS
  • MECHANIC
  • 110,192 POSTS
Hi,

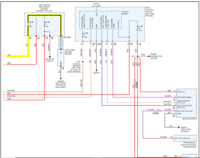
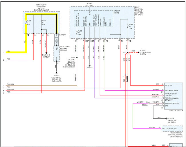
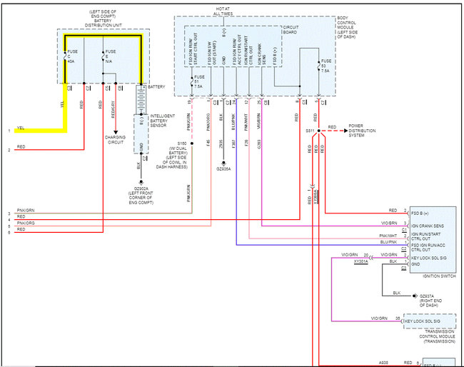
Not being there makes this difficult. I attached the entire wiring schematic for the starter circuit. According to the schematic, there is one solid yellow wire that runs from fuse C in the battery fuse box directly to relay 2. From the starter relay (relay 1) there is a yellow wire with a gray tracer that goes to the starter itself.

Take a look through this. I highlighted the yellow wire and the yellow/gray. The schematic was two pages long, but I had to cut each page in half to make it readable for you. I overlapped so you can follow from one to the next.

Take a look through them and tell me if any of the wires from the starter relay 1 are solid yellow. They shouldn't be.

I spoke with another tech. We agree if there is a yellow wire going to relay 1, someone had to have changed things to make it work with something like an aftermarket remote starter. By chance, is there one in the vehicle?

Joe
Was this
answer
helpful?
Yes
No
Sunday, January 16th, 2022 AT 6:24 PM
Tiny
MECODY
  • MEMBER
  • 27 POSTS
There is no remote start on it to my knowledge. But seeing as how there is no wire running to the battery can I just get that gauge wire and connecters and run it to the relay?
Was this
answer
helpful?
Yes
No
Wednesday, January 19th, 2022 AT 4:17 PM
Tiny
JACOBANDNICKOLAS
  • MECHANIC
  • 110,192 POSTS
Hi,

You could do that as a test. However, it needs to be fused. So, the missing fuse needs replaced.

Let me know if I can help.

Joe
Was this
answer
helpful?
Yes
No
Wednesday, January 19th, 2022 AT 6:04 PM
Tiny
MECODY
  • MEMBER
  • 27 POSTS
I have bought the 40-amp fuse just unsure about the wire part. Any idea how to tell what gauge wire?
Was this
answer
helpful?
Yes
No
Wednesday, January 19th, 2022 AT 6:10 PM
Tiny
JACOBANDNICKOLAS
  • MECHANIC
  • 110,192 POSTS
Hi,

Absolutely. To determine wire gauge, it is based on the amperage it will receive and the length of the wire.

In this case, I don't suspect the wire is longer than 4 feet. So, I would use a 10-gauge copper wire. Don't use aluminum, tin, or copper clade wire. Make sure it is 100% copper.

If you look at the attachment below, I included a chart and highlighted what I'm seeing will work. Of course, you can get 8 gauge for added protection, but 10 gauge will work just fine unless for some reason the wire is longer than 4 feet. LOL Also, I just looked at it again and noticed 10 gauge will go up to 50 amps x 10' max length.

I hope this helps. Let me know how it works for you.

Take care,

Joe

See pic below.
Was this
answer
helpful?
Yes
No
Wednesday, January 19th, 2022 AT 6:50 PM
Tiny
MECODY
  • MEMBER
  • 27 POSTS
One more question before I go get this and try it. Is there anything special to do to hook it into the power distribution like a certain connector or anything? Thank you for your help.
Was this
answer
helpful?
Yes
No
Thursday, January 20th, 2022 AT 8:09 AM
Tiny
JACOBANDNICKOLAS
  • MECHANIC
  • 110,192 POSTS
Hi,

Yes, there should be a connector in the box which the relay can plug into, and the wire connects with. Different types are used, but if you look both under and from the top of the box, you should be able to identify the type.

Let me know how this turns out for you. I'm interested in knowing.

Joe
Was this
answer
helpful?
Yes
No
Thursday, January 20th, 2022 AT 7:00 PM
Tiny
MECODY
  • MEMBER
  • 27 POSTS
Okay. So, I’m out trying to figure it out while freezing, but the is definitely one solid yellow wire from relay 2 to 1 that is plain yellow. I’ll take a better picture of it.
Was this
answer
helpful?
Yes
No
Saturday, January 22nd, 2022 AT 4:23 PM
Tiny
JACOBANDNICKOLAS
  • MECHANIC
  • 110,192 POSTS
Hi,

Let me know. Also, if there is, it isn't in the original schematic, so someone may have modified it for a remote start and then changed it back.

Let me know.

Joe
Was this
answer
helpful?
Yes
No
Saturday, January 22nd, 2022 AT 4:59 PM

Please login or register to post a reply.