Tuesday, February 11th, 2020 AT 9:54 PM
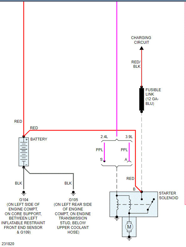
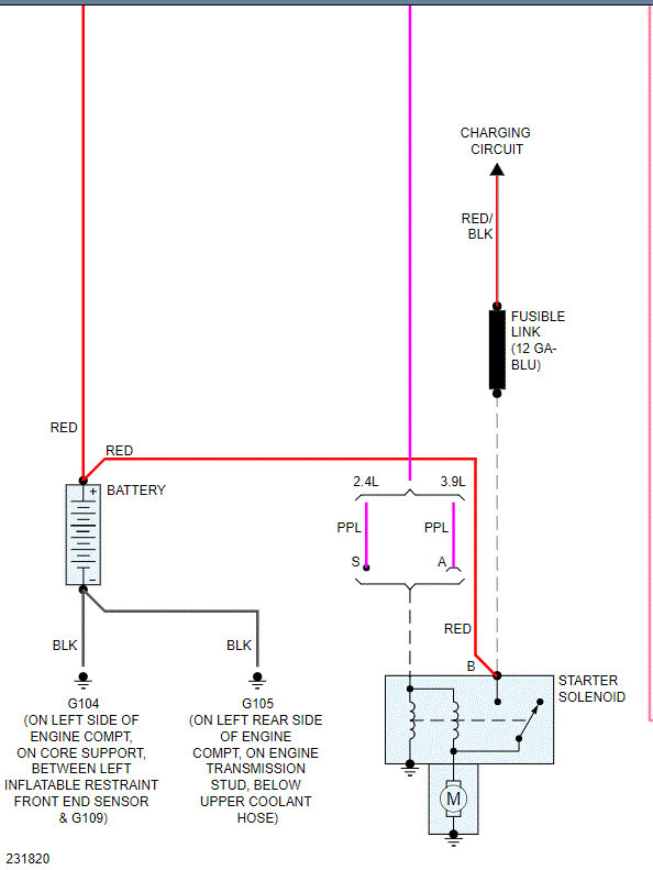
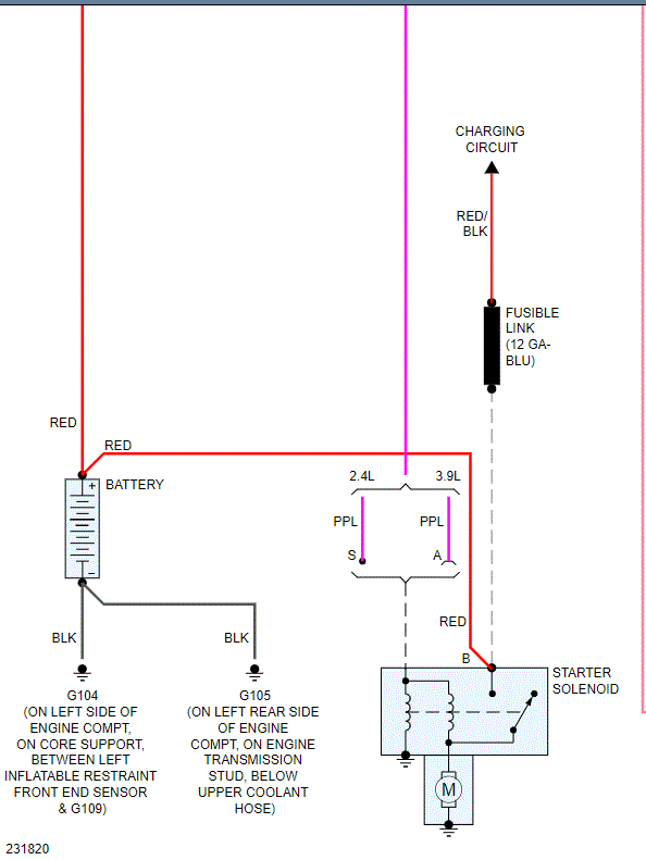
I realize the subject heading is a bit too long, but that's the gist of the issue with this car. It appears the Alternator-Voltage Regulator on this car has its way to the battery through the B (Hot) Terminal on the Starter. The F-Generator seems to have the biggest saying in whether the Run/Start/Ignition process takes place. There were problems in the Junction Block (which I have replaced). The Battery is fully charged. The Computer Modules are all functional (BCM/PCM/ECM). The Alternator is new. The Starter is operable. The B Stud on the Starter Solenoid felt unstable as I was replacing the Battery Cable. This is a junction at which the Generator connects to the Battery. If I am not mistaken, this junction is causing intermittent and starting problem (I no longer want to jump start the starter. I know it will start). I tired to understand the sequence of how the F-Generator okays the initial process along with the rest of the starting and charging system (including the role of the relays, fuses and the Modules), If this Nut-Stud (which holds the Battery Cable and the Generator's Cable to the Solenoid ) is compromised, the entire system will malfunction. I have the diagrams explaining how the system circuitry works. The question I have can you elaborate on the role of the F-Generator as it relates to this circuitry taking care to explain the exact sequence of events around this component. Can the Modules pick up on this kind of a problem when the B stud-nut is compromised but only causing intermittent issues?










