Monday, March 2nd, 2020 AT 10:18 AM
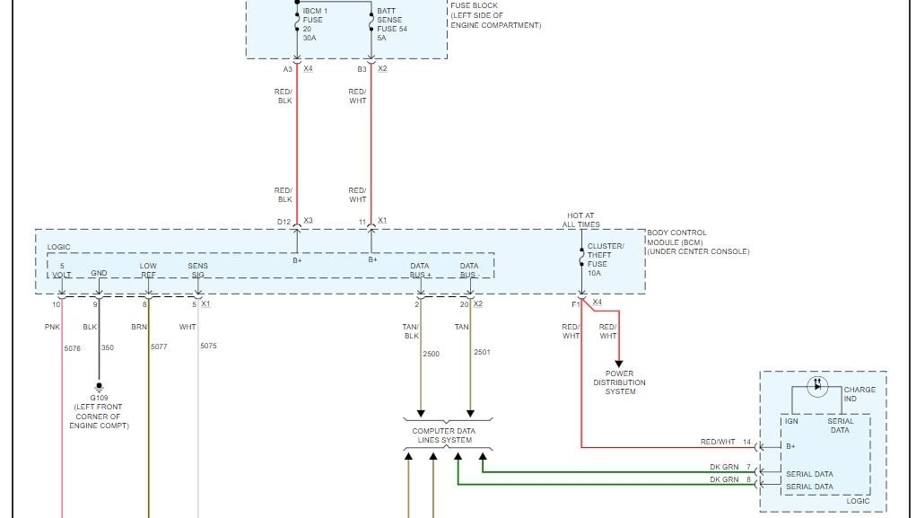
Battery was not charging. Changed battery and alternator. Battery light is still on and battery is not charging. Had the alternator checked and is working.



