Battery Light On after ignition key swap?

Tiny
COSTERA
  • MEMBER
  • 2004 CHEVROLET SILVERADO
  • 6.6L
  • V8
  • 2WD
  • AUTOMATIC
  • 175,000 MILES
After a theft attempt, I was forced to change the key cylinder and housing. Everything is back to normal, but the battery light stays on after the key is removed. This of course drained both batteries (Diesel-LLY). Both batteries have since been replaced and indicate fully charged. Before I go throwing parts at it, is there a strategy to probing a few wires (housing/alternator/etc.)?
Monday, December 23rd, 2024 AT 5:24 AM

19 Replies

Tiny
KEN L
  • MASTER CERTIFIED MECHANIC
  • 55,266 POSTS
Yep, let's find out what is wrong which might be the alternator got popped during the event. With the engine running let's check the voltage at the batteries.

here is a guide to help us see if the alternator is charging or not:

https://www.2carpros.com/articles/how-to-check-a-car-alternator

If not let's check the fuses in the under-hood fuse panel: IGN E and SEO EGN let me know what happens.
Was this
answer
helpful?
Yes
No
Monday, December 23rd, 2024 AT 1:18 PM
Tiny
COSTERA
  • MEMBER
  • 11 POSTS
Working on it. So far this is what I have. Prior to starting, battery No. 1 (Driver) 12.89V, Battery No. 2 was 12.63. While idling 1500, batt 1 14.28 was read, over on batt 2 it was 13.60. This is what I have so far.
Was this
answer
helpful?
Yes
No
Tuesday, December 31st, 2024 AT 1:28 PM
Tiny
KEN L
  • MASTER CERTIFIED MECHANIC
  • 55,266 POSTS
Okay so it is charging but once the batteries looks like it might be bad causing the system to give you the waring light, I would disconnect the battery #2 and have it load tested at the auto parts store. Let me know what they find.
Was this
answer
helpful?
Yes
No
Wednesday, January 1st, 2025 AT 10:33 AM
Tiny
COSTERA
  • MEMBER
  • 11 POSTS
10-4, wilco.
Was this
answer
helpful?
Yes
No
Thursday, January 2nd, 2025 AT 4:48 AM
Tiny
KEN L
  • MASTER CERTIFIED MECHANIC
  • 55,266 POSTS
Over and out!
Was this
answer
helpful?
Yes
No
Thursday, January 2nd, 2025 AT 10:27 AM
Tiny
COSTERA
  • MEMBER
  • 11 POSTS
Okay, we are able to come back full circle on this. All fuses (SEO IGN, SEO B1, SEO B2, IGN E) are all good. Both batteries were load tested today, and they are both good. Still Red battery light stays on.
Was this
answer
helpful?
Yes
No
Monday, January 13th, 2025 AT 11:49 AM
Tiny
COSTERA
  • MEMBER
  • 11 POSTS
Keep in mind that this is after a stolen attempt and a key cylinder and switch had to be replaced.
Was this
answer
helpful?
Yes
No
Tuesday, January 14th, 2025 AT 4:49 AM
Tiny
KEN L
  • MASTER CERTIFIED MECHANIC
  • 55,266 POSTS
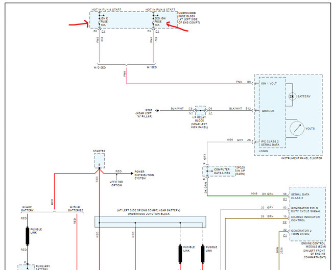
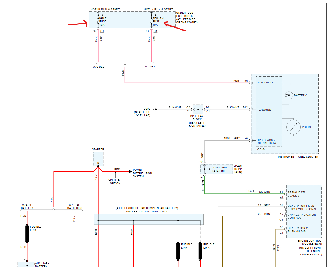
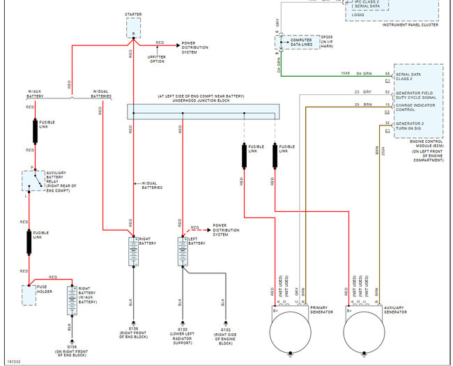
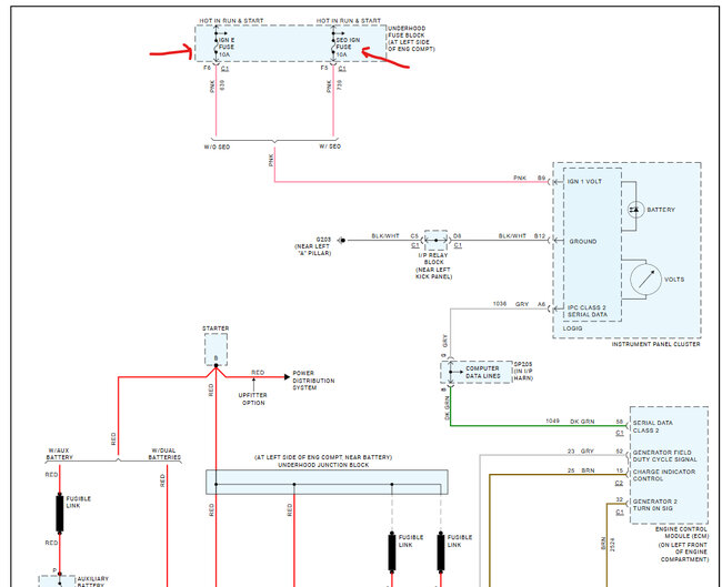
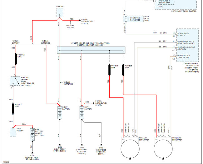
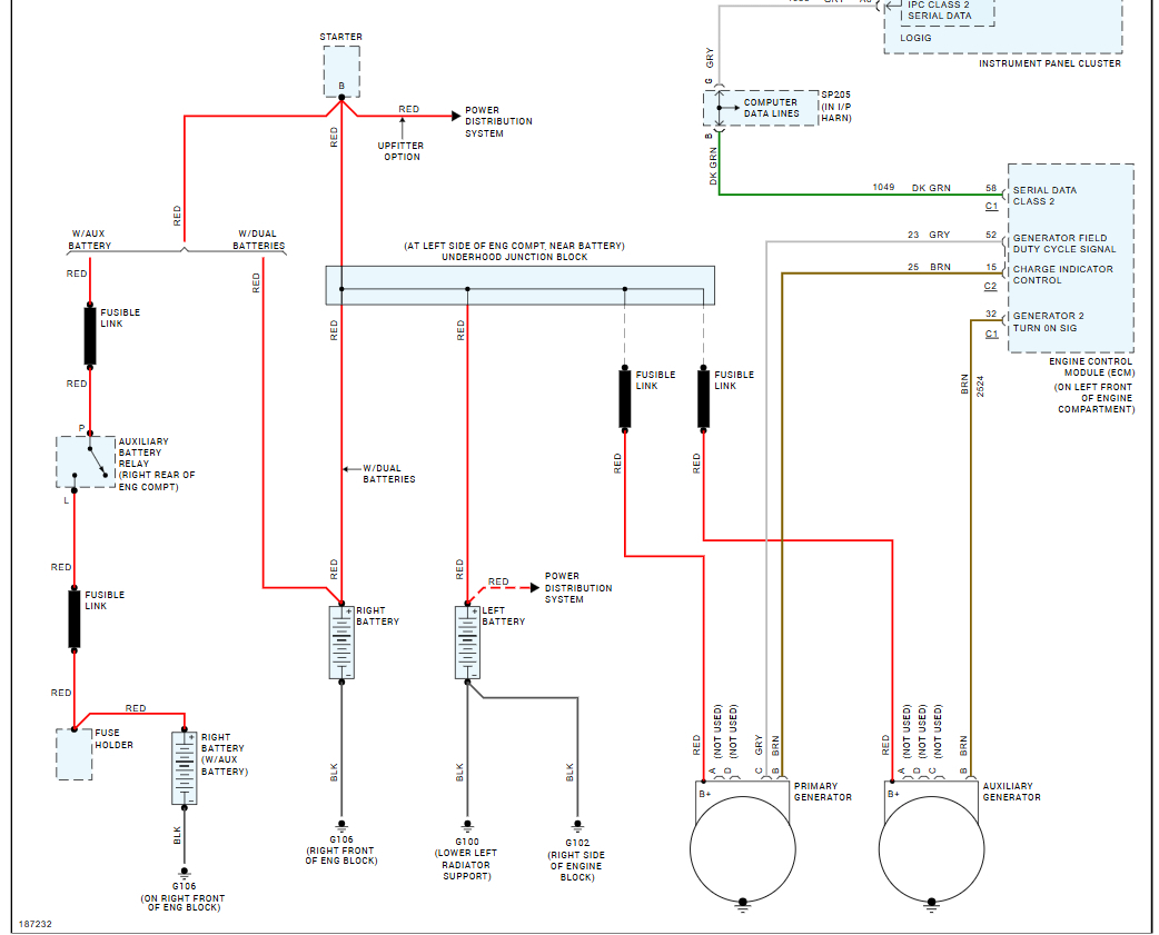
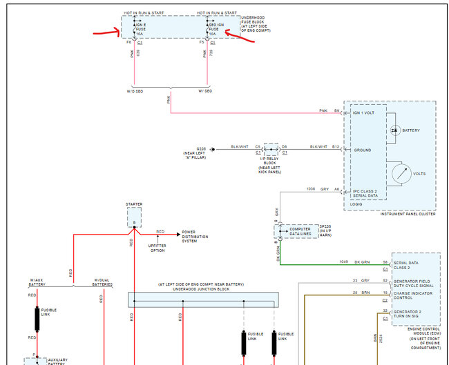
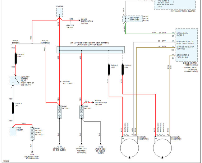
Lets check for power at the fuses with the key on, this guide can help you. Also, I have included the charging system wiring diagrams so you can see how the system works.

https://www.2carpros.com/articles/how-to-check-a-car-fuse

Check out the images (below). Let us know how it goes.
Was this
answer
helpful?
Yes
No
Tuesday, January 14th, 2025 AT 10:47 AM
Tiny
COSTERA
  • MEMBER
  • 11 POSTS
Okay, update. Voltages are for SEO-B2/IGN E/SEO IGN/SEO B1 in that order. At the fuse block KOEO 12.54/11.57/11.57/12.63, KOER 14.06/13.97/13.95/13.96. All fuses are good. Voltage at the Passenger Battery KOFF 12.28, KOER 14.13, Driver KOFF 12.29, KOER 13.97. Battery light still on.
Was this
answer
helpful?
Yes
No
Monday, February 3rd, 2025 AT 11:54 AM
Tiny
KEN L
  • MASTER CERTIFIED MECHANIC
  • 55,266 POSTS
So the light was not on before the repair? Seems strange because the ignition lock does not factor in for the charging system. This truck does have two alternators, correct?
Was this
answer
helpful?
Yes
No
Tuesday, February 4th, 2025 AT 8:53 AM
Tiny
COSTERA
  • MEMBER
  • 11 POSTS
No it was not. One alternator.
Was this
answer
helpful?
Yes
No
Tuesday, February 4th, 2025 AT 9:08 AM
Tiny
KEN L
  • MASTER CERTIFIED MECHANIC
  • 55,266 POSTS
I am wondering if the alternator has lost a diode, I would use the volt meter to see if while the truck is running you can measure for AC voltage, the guide above will show you how. Does the ignition switch/lock seem to work okay?
Was this
answer
helpful?
Yes
No
Wednesday, February 5th, 2025 AT 7:50 AM
Tiny
COSTERA
  • MEMBER
  • 11 POSTS
The switch/lock seems to be working fine. We had issues getting the ignition switch gears to line up with the cable, but we finally got after 2-3 times. That is all that we can remember about that. We keep thinking "Did we miss a tooth? On the alignment", but we figure it would not work if it was off a tooth (inadequate key travel). We will check the alternator and report back.
Was this
answer
helpful?
Yes
No
Wednesday, February 5th, 2025 AT 9:40 AM
Tiny
KEN L
  • MASTER CERTIFIED MECHANIC
  • 55,266 POSTS
As you can see by the wiring diagrams there are not that many wires or items for the system.
Was this
answer
helpful?
Yes
No
Thursday, February 6th, 2025 AT 8:08 AM
Tiny
COSTERA
  • MEMBER
  • 11 POSTS
Okay, update. I went to test the alternator (single) and got 14.3x on both batteries. When I quickly switched from direct current to alternating, it flashed 35.X for just long enough for me to see a value, then it went to 0.0. Now before we went to test it, we reconnected the batteries (otherwise, they would drain and die) to start it up so we can move the truck as we needed to. Within minutes, the gas pedal was effectively neutered and the message 'Reduced Engine Power'. We read the ODB Codes and it was littered with codes (all along prior no codes were present) in this order P0192, P0201, P0203, P0205, P0207, P0602, P0604, P0612, P0643, P0652, P0699 and P0802. We took images of the ODB reader and cleared the codes. As of now, they have not come back. One other thing we noticed was the grounding strap from the firewall to the hood was severed. Not sure if that comes into play here. So, the question here is does the 35.X AC voltage (Scale 600V - lowest we had on that multimeter) on the alternator test present a problem even for a flash and can a signal like that blow up the ECM and produce these codes?
Was this
answer
helpful?
Yes
No
Friday, February 7th, 2025 AT 9:01 AM
Tiny
KEN L
  • MASTER CERTIFIED MECHANIC
  • 55,266 POSTS
I think the alternator is okay it is common for the voltameter to flash voltage then give you the reading. It is starting to look like the PCM is bad, lets send it in for testing. Can I ask how old the batteries are? Sometimes a battery can test good but have a weird internal error fyi. You can find a place to test the PCM if you search google or ebay. Check out the images (below). Please let us know what happens.
Was this
answer
helpful?
Yes
No
Saturday, February 8th, 2025 AT 9:54 AM
Tiny
COSTERA
  • MEMBER
  • 11 POSTS
Both batteries are new (and they both pass load tests) to eliminate them as the culprit. I went ahead an purchased and new alternator and will install it next week. I will check on the PCM.
Was this
answer
helpful?
Yes
No
Saturday, February 8th, 2025 AT 11:04 AM
Tiny
COSTERA
  • MEMBER
  • 11 POSTS
FWIIW: We replaced the FICM module about two years ago. It actually was fried on the CB and was not repairable. Paid an arm and leg for it at the time for another one.
Was this
answer
helpful?
Yes
No
Saturday, February 8th, 2025 AT 11:13 AM
Tiny
KEN L
  • MASTER CERTIFIED MECHANIC
  • 55,266 POSTS
Yep, that is the logical next step, seems strange it is charging with no AC voltage but you never know.
Was this
answer
helpful?
Yes
No
Sunday, February 9th, 2025 AT 9:33 AM

Please login or register to post a reply.