Battery Light keeps coming on

Tiny
F1502020
  • MEMBER
  • 2012 FORD ESCAPE
  • 3.0L
  • V6
  • 2WD
  • AUTOMATIC
  • 176,637 MILES
The battery light started coming on last week. I had battery and alternator checked they both was bad so I replaced them. The alternator is not charging the battery. I have replaced all the fuses but one that has anything todo with PCM, alternator and battery.(I'm picking up the last fuse today)
Sunday, June 20th, 2021 AT 4:14 AM

5 Replies

Tiny
JACOBANDNICKOLAS
  • MECHANIC
  • 110,194 POSTS
Hi,

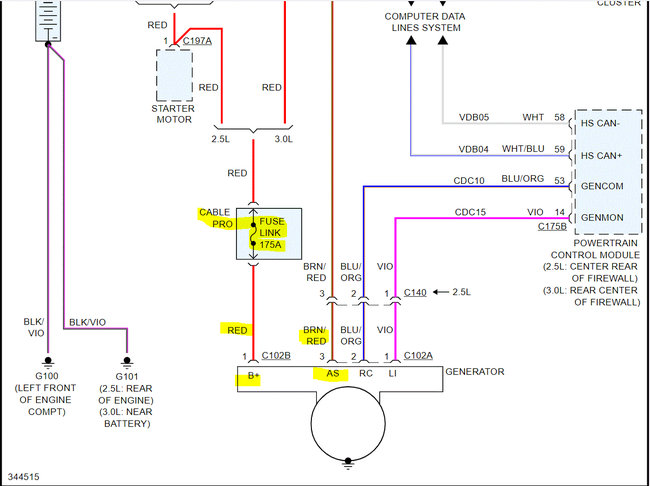
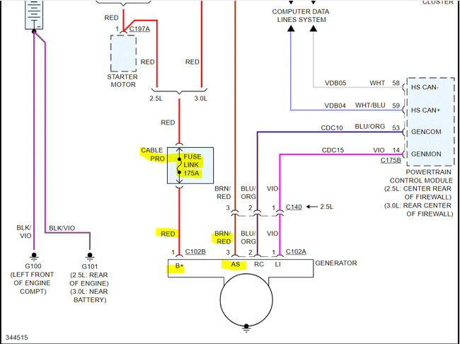
I attached two pics below. They are the entire charging system for this vehicle. I highlighted two fuses I need to confirm you checked as well as a 175 amp fusible link.

On this vehicle, the fusible link looks like a regular wire but functions as a fuse. If it is burnt, you won't produce a charge.

To make this a little simpler, I need you to check for power at the alternator. The red wire containing the fusible link and the brown wire with a red tracer. Both should have battery voltage at the alternator.

Here is a link that you may find helpful:

https://www.2carpros.com/articles/how-to-check-wiring

Also, when checking the fuses, confirm there is power to and from them as well. The fuse may be good but there is no power available. Here is a link showing how that is done:

https://www.2carpros.com/articles/how-to-check-a-car-fuse

Let me know what you find or if you have other questions.

Take care,

Joe

See pics below. Note: I had to cut the pic in half to make it readable. I did overlap them so you can follow from one to the next.
Was this
answer
helpful?
Yes
No
Sunday, June 20th, 2021 AT 9:33 PM
Tiny
F1502020
  • MEMBER
  • 3 POSTS
Thank you for your help and the links and wire diagrams. I have found the wiring has a break so I'm fixing that but I still can't find the 175 amp fusible link.
Was this
answer
helpful?
Yes
No
Tuesday, June 22nd, 2021 AT 2:33 PM
Tiny
JACOBANDNICKOLAS
  • MECHANIC
  • 110,194 POSTS
Hi,

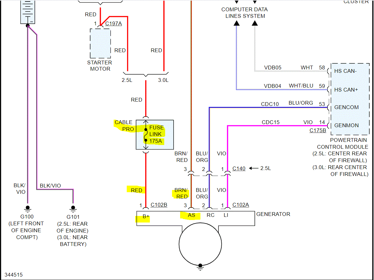
If that is the red wire going to the alternator, that is the fusible link according to the schematic. That is why the vehicle isn't charging as well.

I attached a portion of your pic below and circled the indicator that it's a fusible link. That rubber boot is joining things together. One end of that rubber boot is a regular wire and that is where it is attached to the fusible link.

Let me know if that takes care of the problem or if you have other questions. Also, you can try to find that at a parts store, but you may need to visit the dealer to get the right one. If you purchase a fusible link wire that isn't a direct fit, you will need to cut it to length and the regular wire should be soldered to the wiring in the link and then put heat shrink tubing over the solder joint.

Take care and I'm anxious to hear if that takes care of the problem.

Joe

See pic below.
Was this
answer
helpful?
Yes
No
Tuesday, June 22nd, 2021 AT 7:21 PM
Tiny
F1502020
  • MEMBER
  • 3 POSTS
I assumed that's what it was at one point. I opened it up more and it looks like someone had bypassed the fusible link and it was straight wire. I'm waiting on dealership to get back to me on the right parts but they didn't have high hopes they could get it. Any idea where else I can go? Also the schematic says its a 175a fuse I got one of them and i'm still waiting on the holder to come in but the holder O'reilly's had is like a mounting one not tie into wire.
Was this
answer
helpful?
Yes
No
Tuesday, June 22nd, 2021 AT 7:55 PM
Tiny
JACOBANDNICKOLAS
  • MECHANIC
  • 110,194 POSTS
Hi,

You can get fusible link wire online. Here is an example on Amazon:

https://www.amazon.com/Pico-8122PT-Gauge-Fusible-Package/dp/B0002ZGBT2/ref=pd_day0_6/145-1630185-3327018?pd_rd_w=AFiqu&pf_rd_p=8ca997d7-1ea0-4c8f-9e14-a6d756b83e30&pf_rd_r=WHKFQJ6PSM47NQQM03VC&pd_rd_r=78132886-e328-4b5c-a03d-a879a8dc47df&pd_rd_wg=aHZUj&pd_rd_i=B0002ZGBT2&psc=1

You will need to ask what gauge you need to meet 175 amp. I know a 12 gauge fusible link is only good for around 25 amps, so you will need one that is much heavier. I attached a pic below as well.

What you gave me a pic of will work as well. Just make sure there are no exposed wires when you put it together. Also, make sure wherever you place it can't tough something hot enough to melt it.

Let me know if I can help you.

Take care,

Joe
Was this
answer
helpful?
Yes
No
Tuesday, June 22nd, 2021 AT 8:09 PM

Please login or register to post a reply.