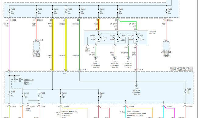
I have a problem with the power consumption. When everything is off, it consumes 0.38 amps. The normal is rather 0.05 amps. I changed the battery and the problem is still present. By doing several tests, I reduced the problematic circuits to 3 fuses: F-58, F-65 and F-67
F-58: SJB #1 - Center High-Mounted Stop Lamp (CHMSL), License plate lamps, OBD II, Dome lamp, Auxiliary blend doors, Switch illumination (feeds F-8, F-9, F-10 and F-11).
F-65: SJB #2 - Left cornering/auxiliary lamps, Left low beam, Right front park/turn lamps, Right rear park/stop/turn lamps, Puddle lamps, Mirror signals, Visors, 2nd and 3rd row lamps, Cargo lamp, Defroster indicator.
F-67: Ignition switch #2 feed.
I did two tests:
Test 1
Door is close. Everything is off.
Consumption: 0.38 amp
I take off F-58
Consumption: 0.38 amp
I put the F-58 back
Consumption: 0.38 amp
I take off F-65
Consumption: 0.38 amp
I put the F-65 back
Consumption: 0.38 amp
I take off F-67
Consumption: 0.23 amp (!)
I put the F-67 back
Consumption: 0.38 amp
Conclusion: The F-67 fuse circuit consumes 0.15 amps.
Test2
Door is close. Everything is off.
Consumption: 0.38 amp
I take off F-58, F-65 and F-67
Consumption: 0.05 amp (normal consumption)
I put the F-65 back
Consumption: Consumption alternates between 1.60 amps and 0.58 amps every 10 seconds without stopping.
I take off F-65
Consumption: 0.05 amp
I put the F-58 back
Consumption: consumption alternates between 1.70 amps and 0.57 amps every 10 seconds without stopping.
I take off F-58
Consumption: 0.05 amp
I put the F-67 back
Consumption: 0.20 amps (fuse F-67 consumes 0.15 amps as in the first test)
I take off 67
Consumption: 0.05 amp
I put back F-58, F-65 and F-67
Consumption: Consumption alternates between 1.67 amps and 0.72 amps every 10 seconds without stopping. To stop it, I had to put the key in the ignition and turned on and then off.
Final consumption: 0.38 amp
Note: For each fuse manipulation, I wait 2 min before taking the amperage reading.
What should be the next step? I know there is a problem with fuse 67. But there is also strange behavior with fuse 58 and 65. Any suggestions are welcome.
Sunday, November 29th, 2020 AT 7:16 PM



