Tachometer not working properly

Tiny
JOSEPH669
  • MEMBER
  • 1996 NISSAN PATHFINDER
  • 3.3L
  • V6
  • 2WD
  • AUTOMATIC
  • 100,000 MILES
Hey, I have problems with my tachometer and I don't know where to start.
Tuesday, August 24th, 2021 AT 6:31 PM

3 Replies

Tiny
KASEKENNY
  • MECHANIC
  • 18,907 POSTS
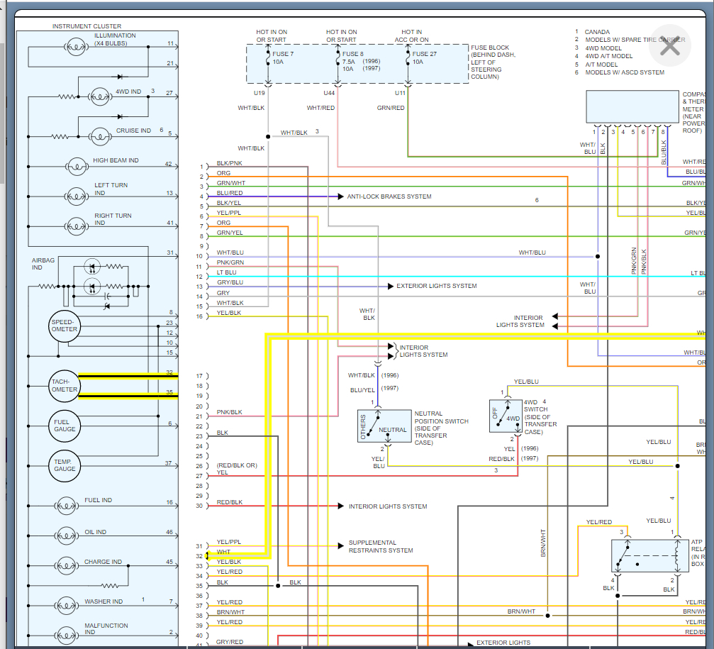
Great job attaching a video. That really helps us get us up to speed. We need to start with find out what the voltage is on the wire highlighted at the cluster.

Here is a guide that will help with this:

https://www.2carpros.com/articles/how-to-check-wiring

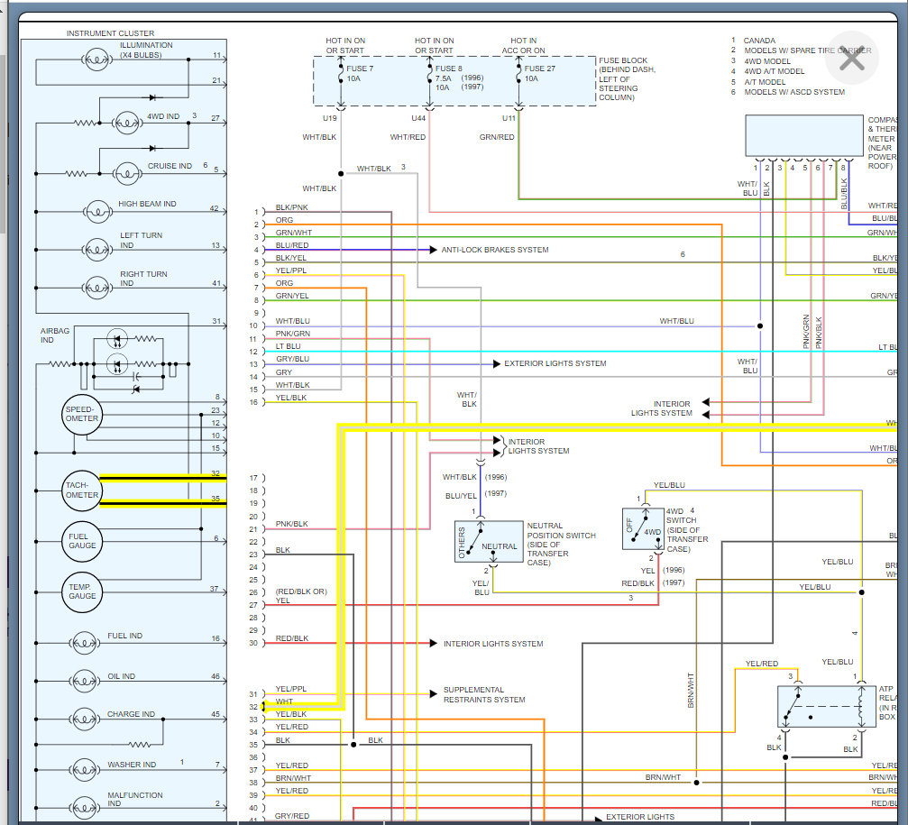
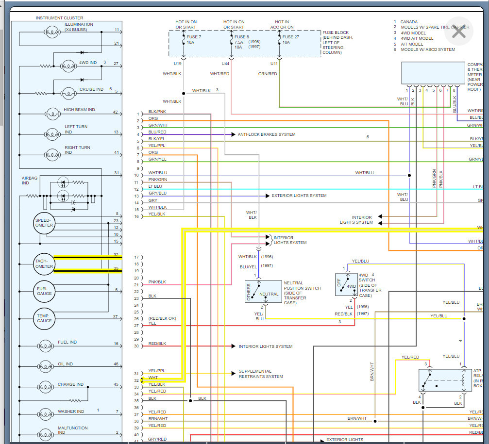
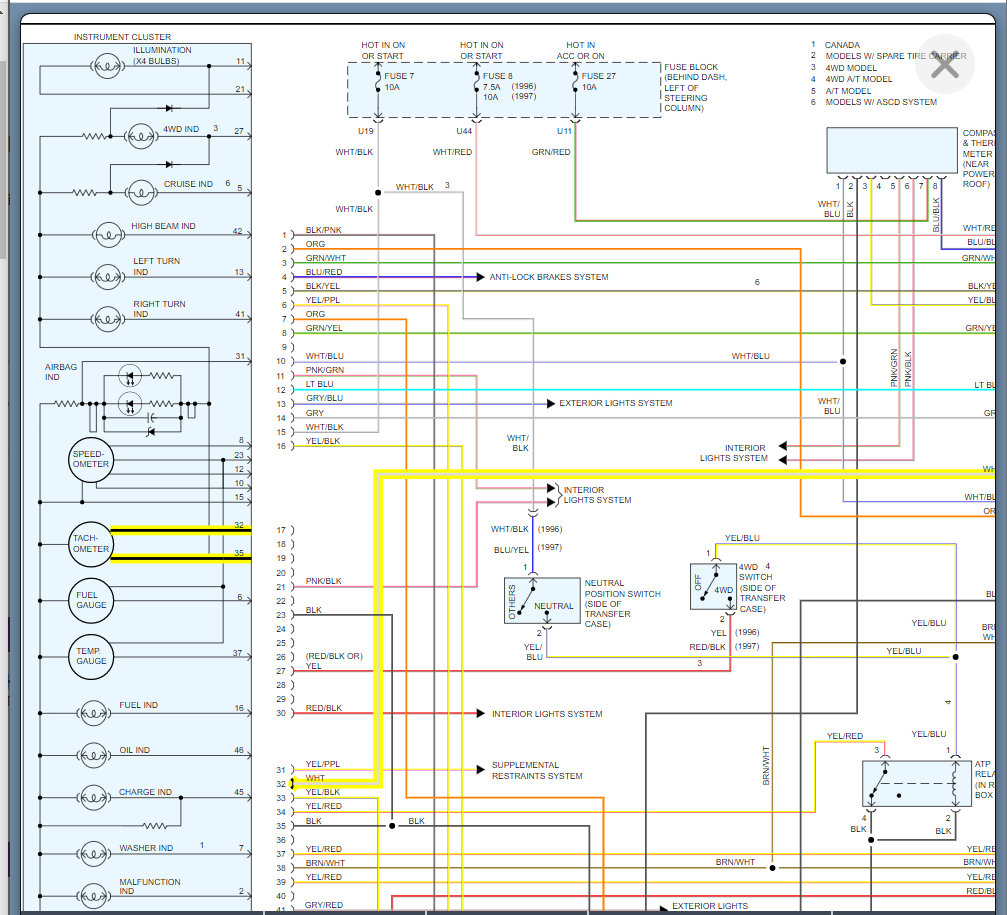
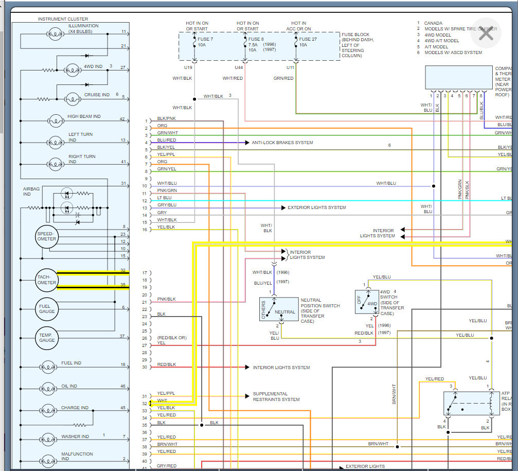
Below you will find the wiring diagram.

Basically we need to see what this is when you just turn the key on. I suspect the ECM is supplying incorrect voltage or the circuit board of the cluster is faulty causing the signal to be erratic.

Let's start with the signal from the ECM and go from there.

One other thing. Does the vehicle drive and shift fine? If so, the ECM is supplying the transmission module the correct speed for shifting so it is most likely not the ECM. If not, then we can dig into this more.

Let me know what questions you have.

Thanks
Was this
answer
helpful?
Yes
No
+1
Wednesday, August 25th, 2021 AT 3:18 PM
Tiny
JOSEPH669
  • MEMBER
  • 14 POSTS
Okay, I have to check the wiring tomorrow, and the truck shifts smoothly but I think that from second to third take much time to shift. From first to second at 15-20 miles from second to third at 45-50 miles. I don't know if that is fine. Thanks
Was this
answer
helpful?
Yes
No
Wednesday, August 25th, 2021 AT 3:48 PM
Tiny
KASEKENNY
  • MECHANIC
  • 18,907 POSTS
That is not the shifting issue that I would expect so I would say that is not related, but if this was causing a shifting issue, I would expect there to be some codes and I don't think I mentioned that. We should check and make sure even if the light is not on.

https://www.2carpros.com/articles/checking-a-service-engine-soon-or-check-engine-light-on-or-flashing

If not, we need to check the wiring as you suggested. Thanks for the update. Let us know what you find.

Thanks
Was this
answer
helpful?
Yes
No
Wednesday, August 25th, 2021 AT 4:36 PM

Please login or register to post a reply.