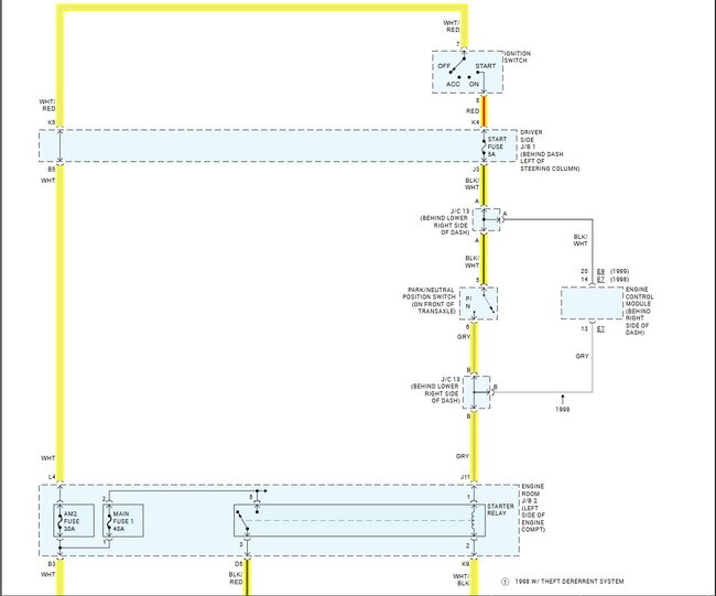
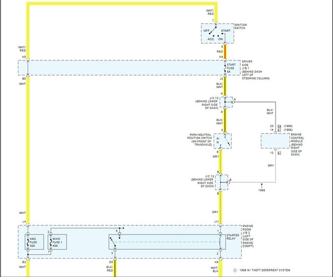
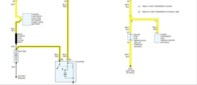
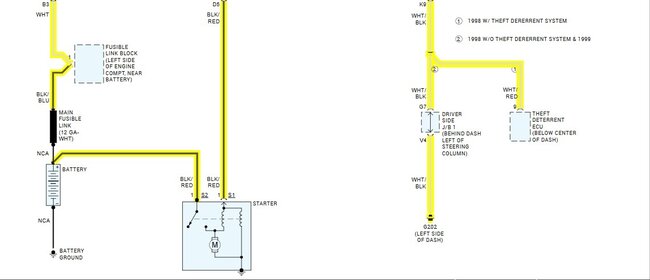
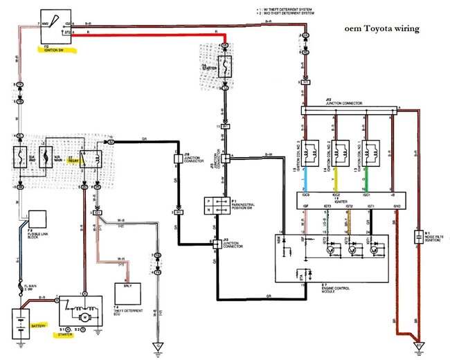
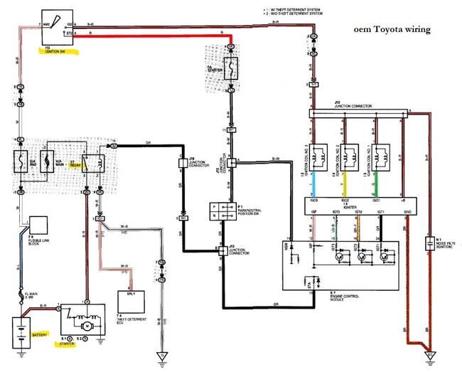
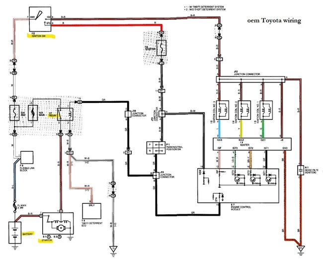
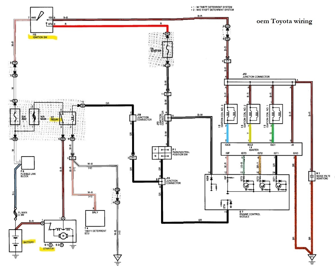
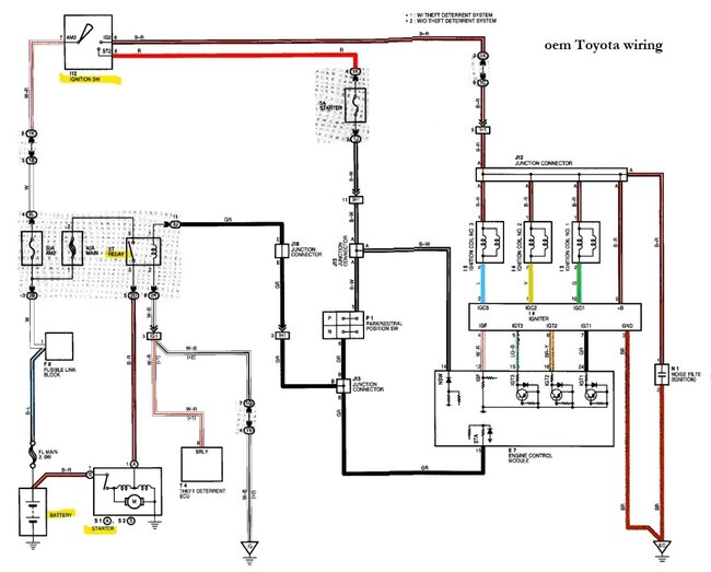
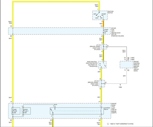
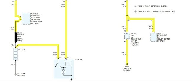
My theory is that despite the starter not having any kind of symptoms about to go out no whirring sounds or not cranking and turning over trying to start it with the dead battery is what did in an old starter but my mechanical brain isn't accepting that lol l Had to go to Walmart left it running for about 15 to 20 minutes. Came back out didn't sound like it was running very quiet so in order to conserve the battery I turned off the ignition that was probably not the best decision it seems that it was running I went to start it again wouldn't start and so that's where it's at now and all my parking lot. I tested for voltage to the starter and it is getting the same as battery. I know it could be the starter, but could it also be the relay or something simpler? If I can start it myself, I'm going to have it towed back to RV park in staying at and fix it myself.
Thursday, June 13th, 2024 AT 10:21 AM





