Wednesday, March 20th, 2019 AT 6:16 PM
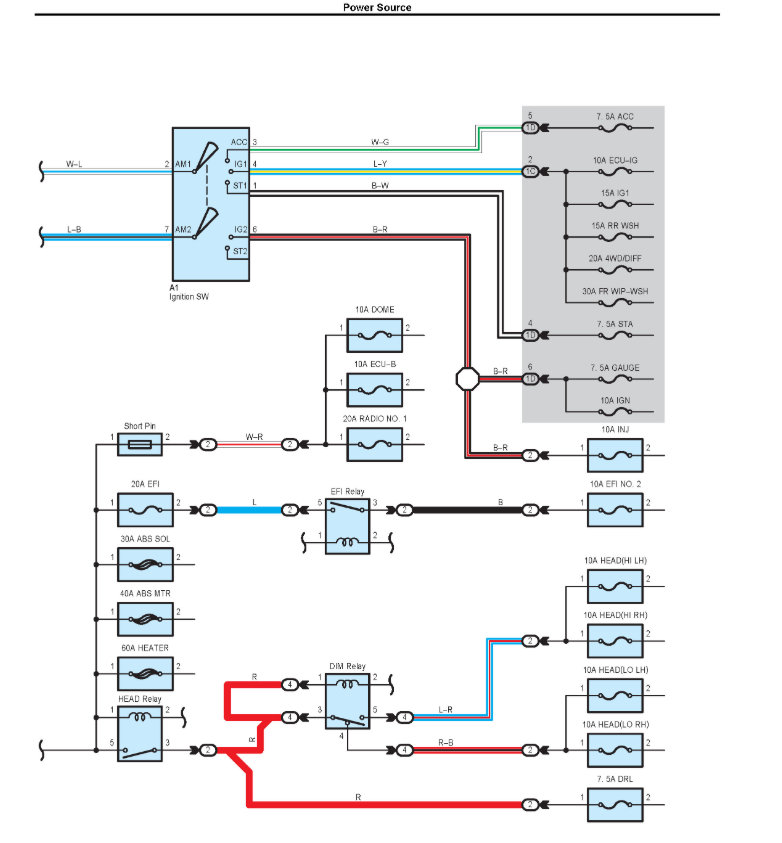
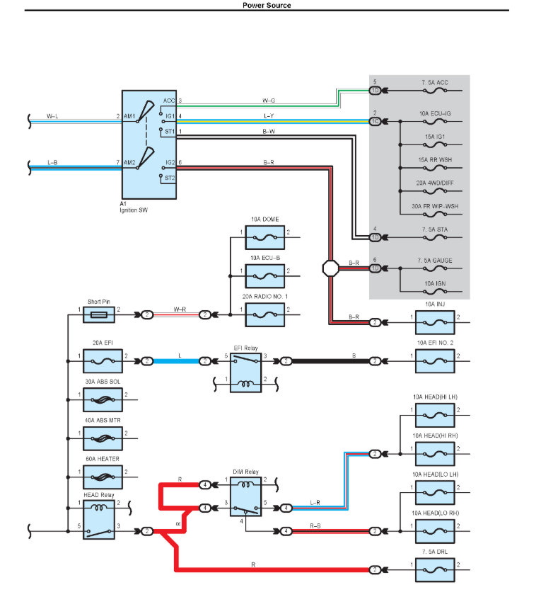
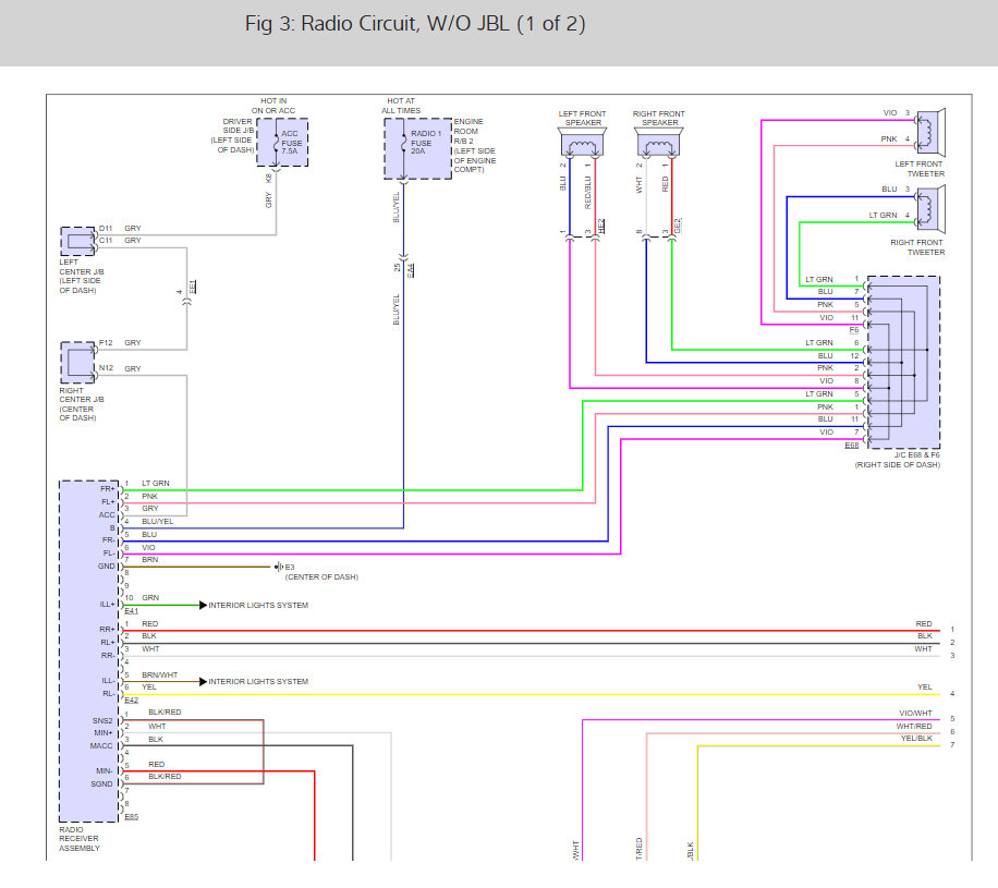
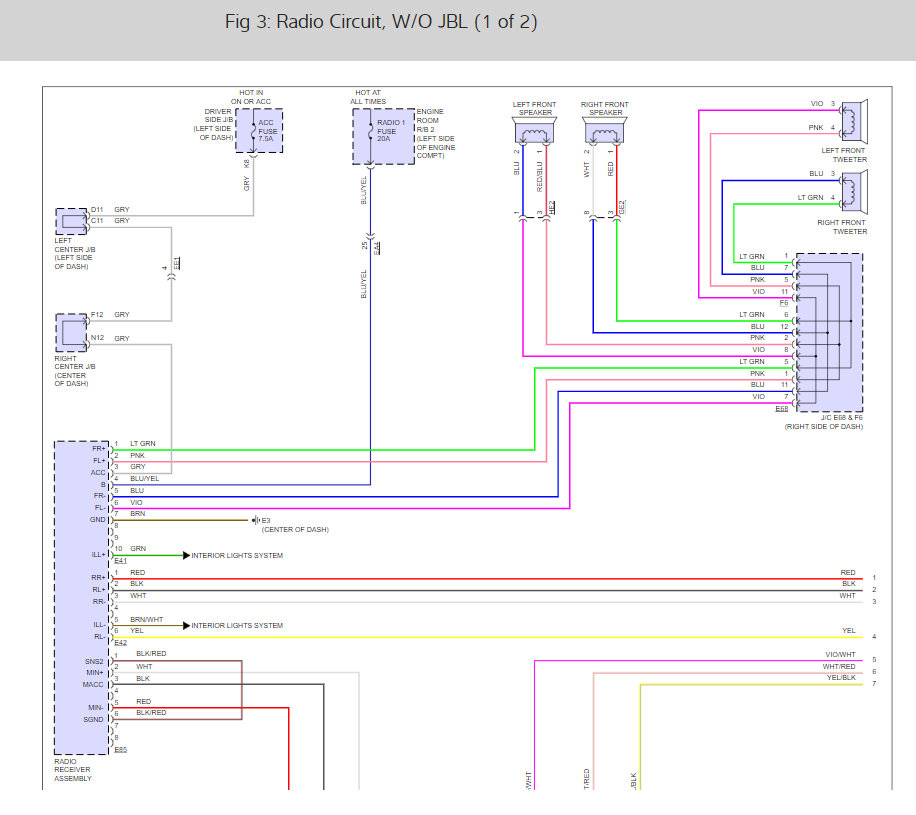
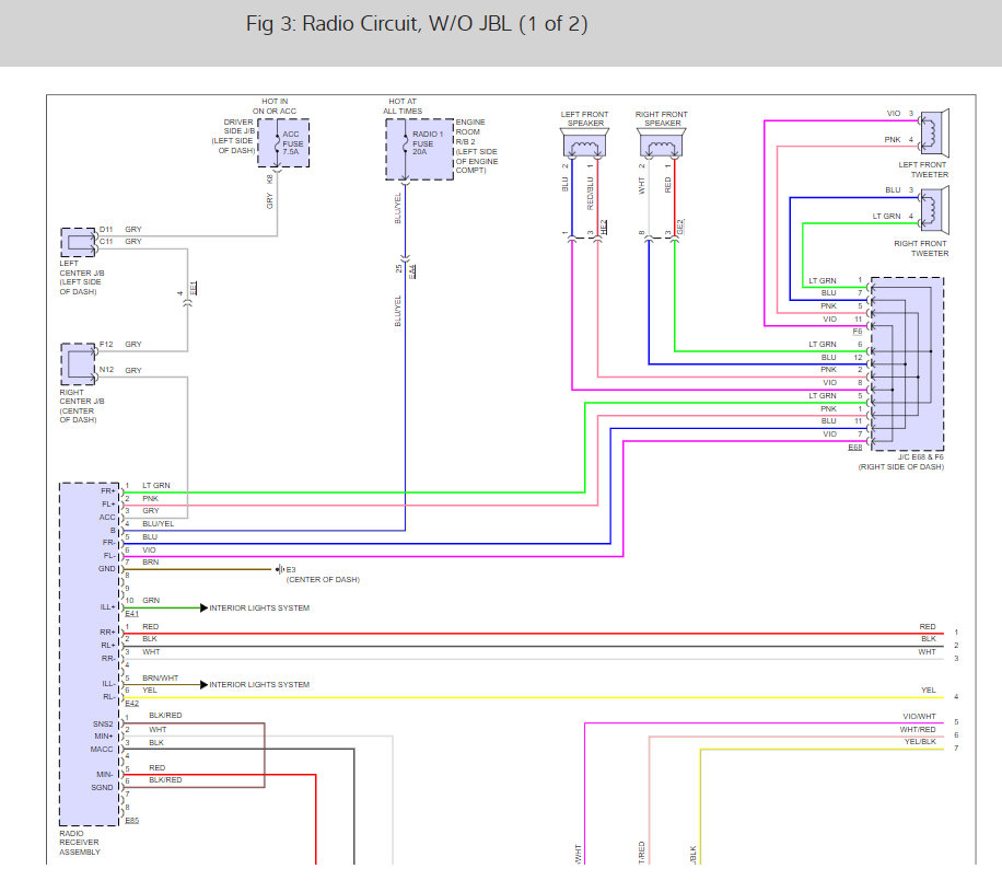
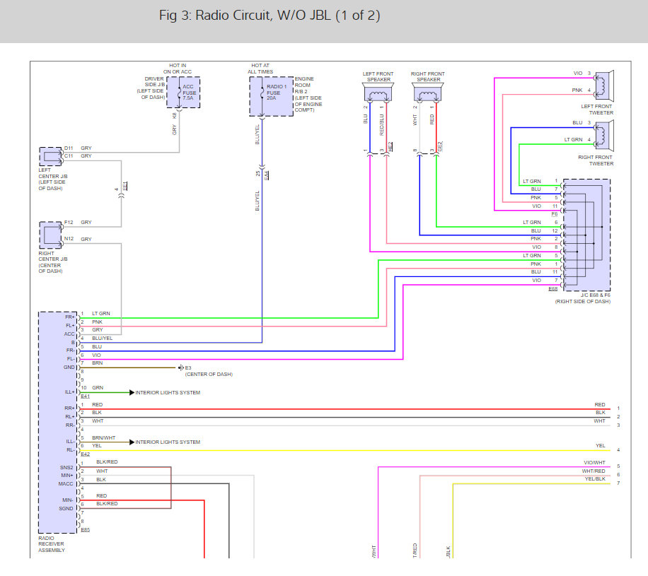
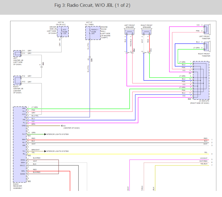
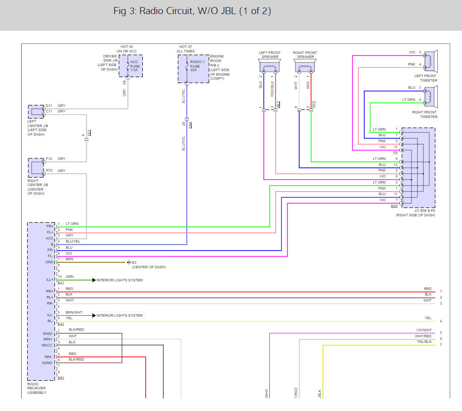
So I bought the Pioneer MVH- 4400NEX and I wanted to wire the factory backup camera to the aftermarket stereo. I cut three wires from the side panel where the airbag is and crimped them together. I then connected the RCA cable to the radio. When I put the car in reverse the radio changes to a black screen so it registers that the car is in reverse but the backup camera video does not show. It’s just a black screen. I did this on a 2014 FJ Cruiser.















