I have an intermittent but very frequent problem that seems to have started with a skip. When I found #5 cylinder skipping I put a spare wire on and seemed to fix it so I replaced the wires with AC Delco wires and double platinum plugs.
It seemed okay then I started to notice on acceleration it would pop and stumble, worse the harder I accelerated unless it downshifted removing the load. It is definitely a backfire as it has pushed off the air cleaner nozzle and even the vacuum line for the vacuum modulator.
It also seems to have a skip for 10 seconds on cold start up at times. And I believe when I caught it once it seemed to be cylinder #2 as if its jumping around?
And I couldn’t duplicate the problem driving while disabling each cylinder one at a time, both via fuel injector and spark plug wire, of course there was a skip!
Other than that she will cruise at 80 MPH no issue. Idles fine Just acceleration even light acceleration as long as there's a load!
All with no codes.
So I decided to change the crank sensor AC/Delco because I didn’t see a code listed for that sensor and it would seem to affect timing.
No change
Some other things I have changed since most without intentionally trying to solve the problem. Over the last 6 months.
I kept a spare module and coils in the car and in drilling out the rusted coil bolts I damaged a coil so I changed both the module and coils with new stainless bolts. A new PCV, alternator, mass air flow new Cardone.
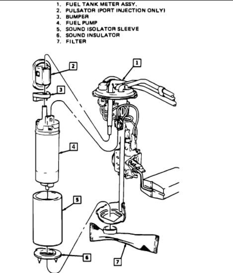
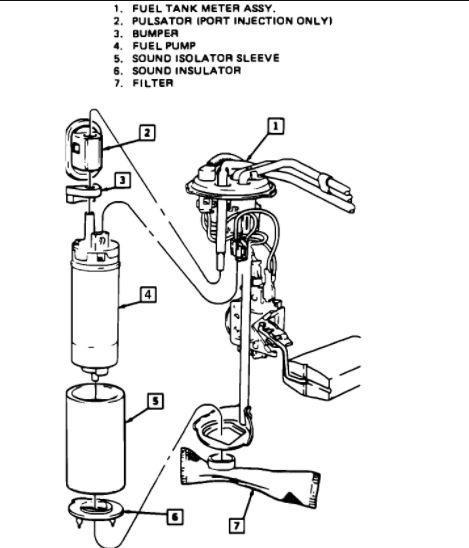
Also I put a new Delphi fuel pump with sender about a year before all this with a new filter and have about 37 PSI.
Any thoughts or opinions?
Saturday, January 23rd, 2021 AT 12:57 PM




