Lift gate and interior lights

Tiny
JOE MURANO
  • MEMBER
  • 2007 GMC YUKON
  • 6.2L
  • V8
  • 4WD
  • AUTOMATIC
  • 130,000 MILES
Lift gate will not open and interior roof lights will not go off!
Wednesday, August 29th, 2018 AT 11:57 AM

1 Reply

Tiny
KEN L
  • MASTER CERTIFIED MECHANIC
  • 55,488 POSTS
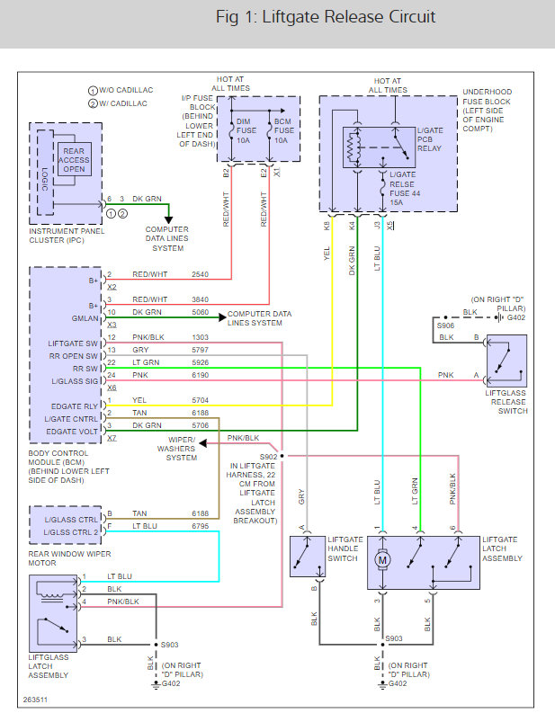
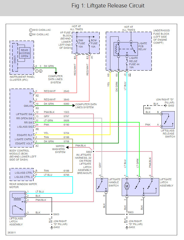
These trucks had a problem with the life gate motor going out which sounds like this is what happens to your car, but to be sure lets check the power and ground to the unit housing. This guide and the wiring diagrams below with the location of the life gate motor.

https://www.2carpros.com/articles/how-to-check-wiring

Check out the diagrams (below). Please let us know what you find. We are interested to see what it is.

Cheers, Ken
Was this
answer
helpful?
Yes
No
Friday, August 31st, 2018 AT 1:06 PM

Please login or register to post a reply.