Automatic transmission replacement?

Tiny
DILL-11
  • MEMBER
  • 2000 HONDA ACCORD
  • 3.0L
  • V6
  • FWD
  • AUTOMATIC
  • 150,000 MILES
Do I have to remove the frame to remove the transmission on my car listed above? It is a coupe.
Thursday, September 7th, 2017 AT 6:41 PM

1 Reply

Tiny
ASEMASTER6371
  • MECHANIC
  • 52,796 POSTS
Good evening,

The answer is yes, the frame must come sown to remove the transmission.

https://www.2carpros.com/articles/transmission-replacement-removal-manual

I attached the procedure below with some pictures for you.

Roy

Removal
1. Before disconnecting power, make sure you have the anti-theft code for the radio, then write down the frequencies for the radio's preset stations.
2. Disconnect the battery negative terminal, then remove the positive terminal.
3. Remove the battery hold-down bracket, then remove the battery and battery tray.
4. Remove the battery cable clamps from the battery base.
5. Loosen the mounting bolts securing the battery base bracket, then remove the battery base bracket and battery base.
6. Remove the intake air duct and air cleaner housing assembly.

imageOpen In New TabZoom/Print

7. Raise the vehicle, and make sure it is securely supported. Remove the drain plug, and drain the Automatic Transmission Fluid (ATF). Reinstall the drain plug with a new sealing washer.

imageOpen In New TabZoom/Print

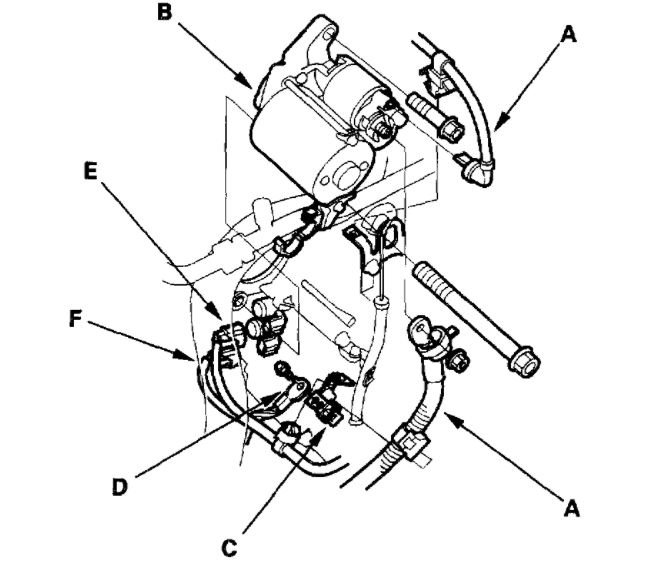
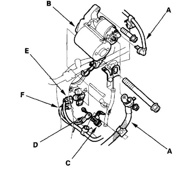
8. Remove the ATF cooler hose (A) from the clamp (B) on the starter.
9. Remove the ATF cooler hoses (A) from the ATF cooler lines (C). Turn the ends of the ATF cooler hoses up to prevent ATF from flowing out, then plug the ATF cooler hoses and lines.

NOTE: Check for any signs of leakage at the hose joints.

imageOpen In New TabZoom/Print

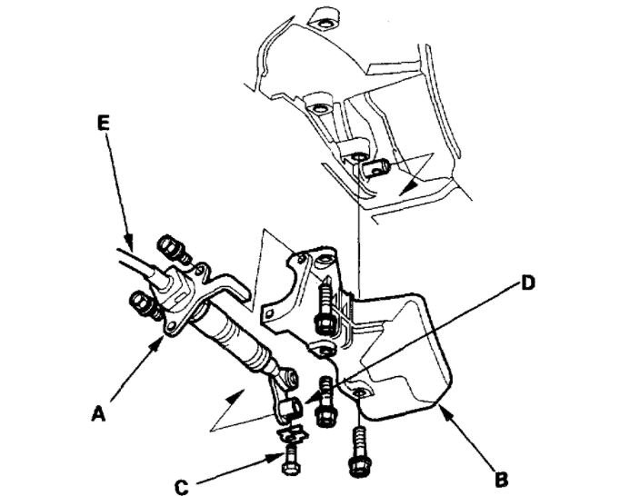
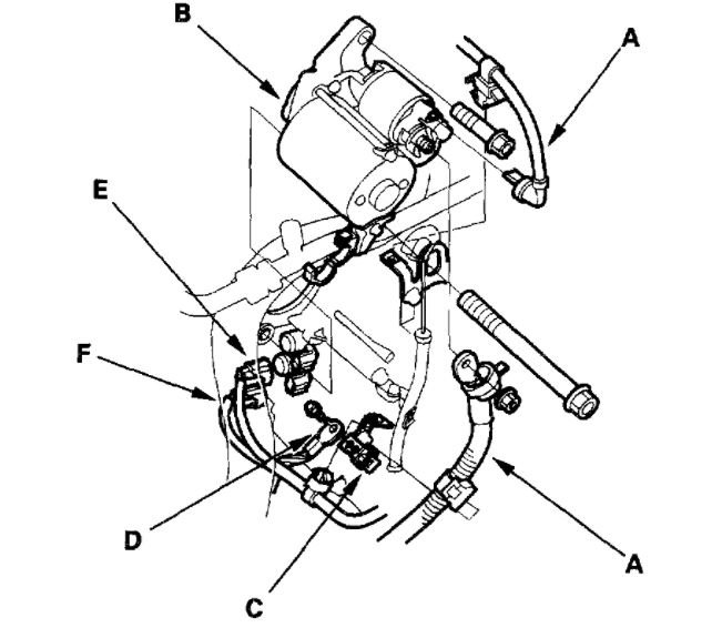
10. Remove the starter cables (A) from the starter (B) and clamp bracket (C), then remove the starter.
11. Remove the transmission ground terminal (D).
12. Disconnect the shift solenoid valve B connector (E), and C connector (F), then remove the harness clamp from the clamp bracket.

imageOpen In New TabZoom/Print

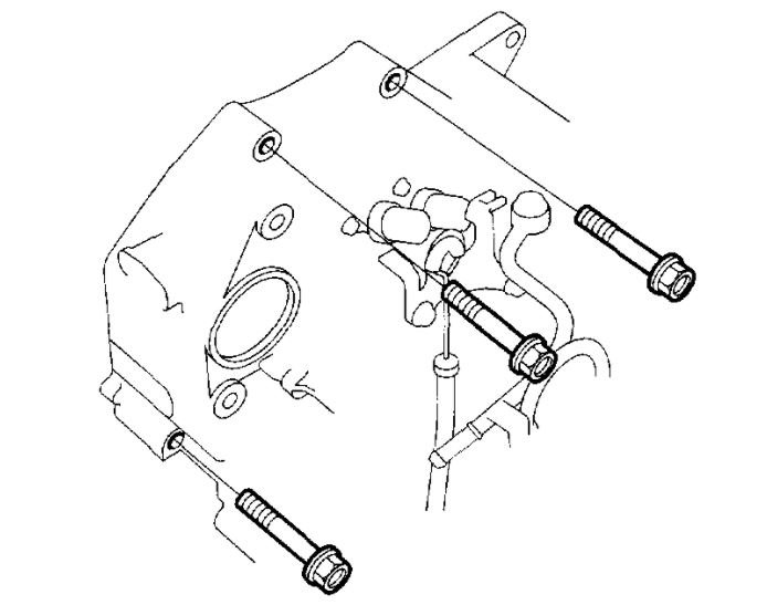
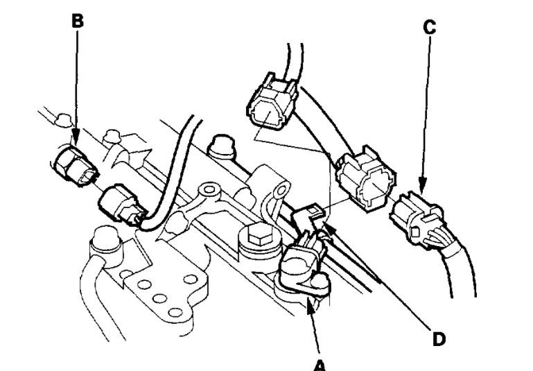
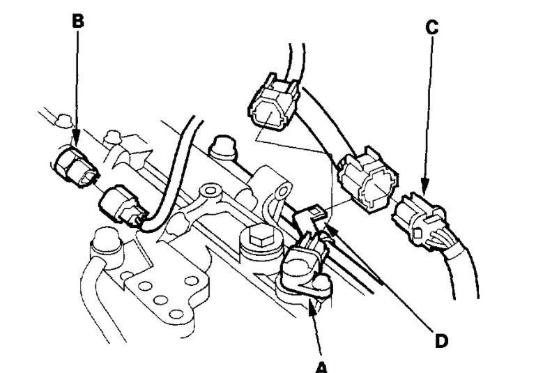
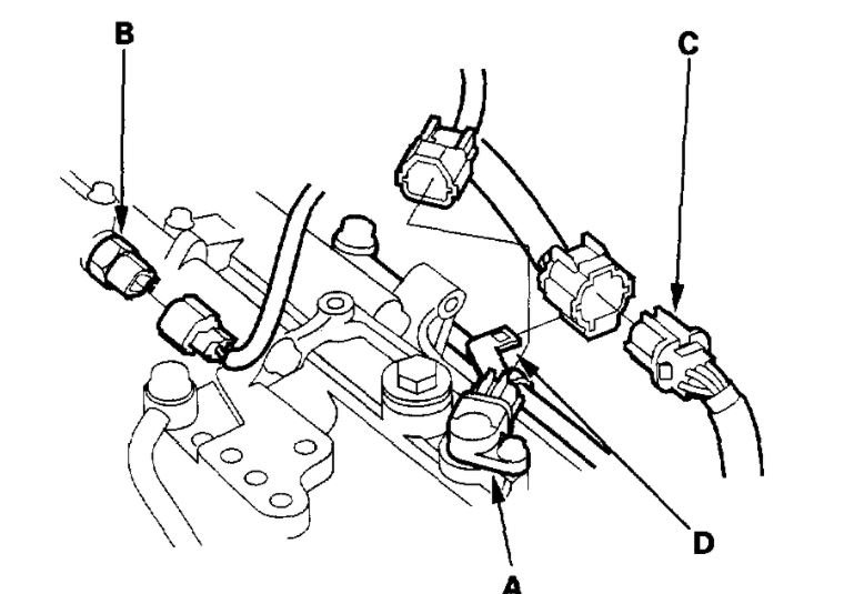
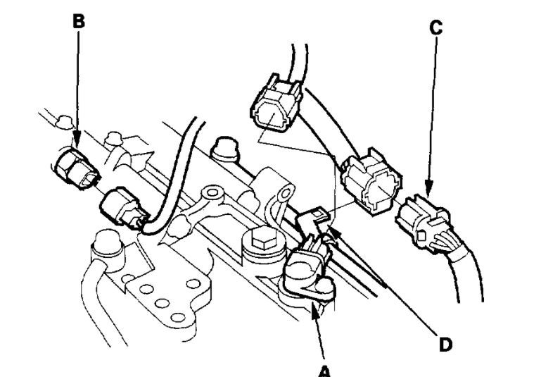
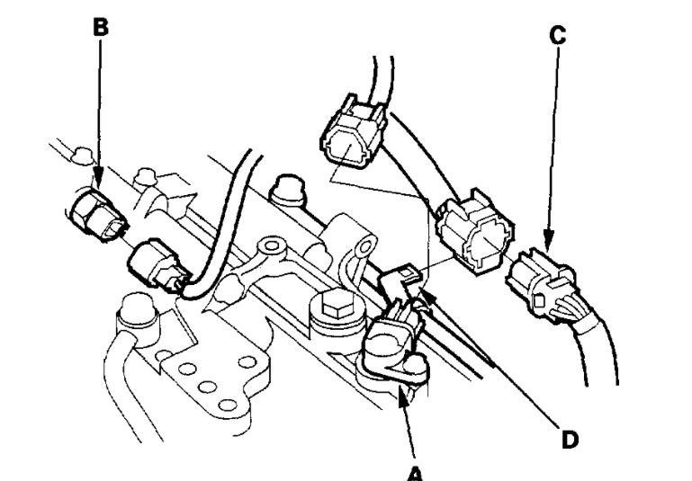
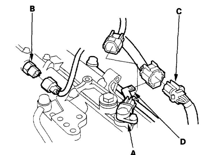
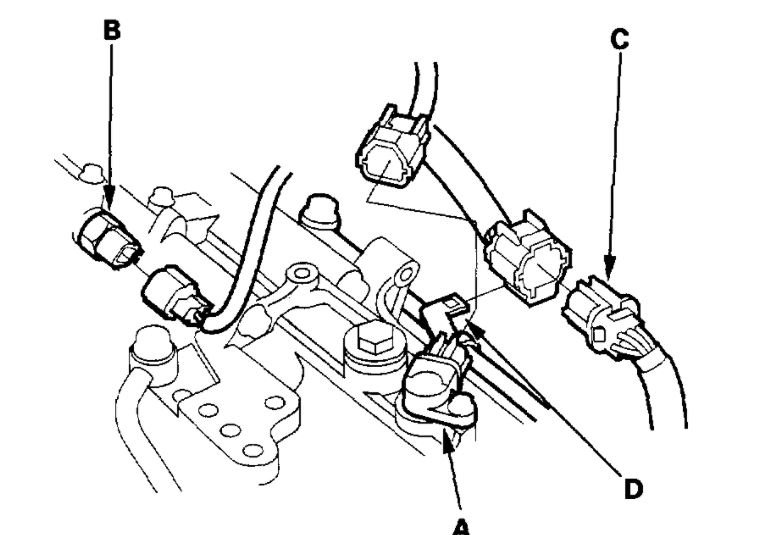
13. Disconnect the connectors from the 3rd clutch pressure switch (A), mainshaft speed sensor (B), and A/T clutch pressure control solenoid valves A and B (C), then remove the harness clamps from the clamp brackets.

imageOpen In New TabZoom/Print

14. Disconnect the connector from the torque converter clutch solenoid valve/shift solenoid valve A assembly (A), then remove the connector from harness cover (B).
15. Remove the two bolts securing the harness cover and the ignition coil bracket, and remove the ignition coil (C). ('98-99 models)
16. Push the harness cover rearward to remove from the transmission hanger (D).

imageOpen In New TabZoom/Print

17. Disconnect the connectors from the countershaft speed sensor (A), and 2nd clutch pressure switch (B).
18. Remove the transmission range switch connector (C) from the connector bracket (D), then disconnect it.

imageOpen In New TabZoom/Print

19. Remove the nut from the front mount.

imageOpen In New TabZoom/Print

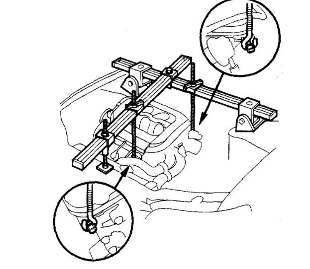
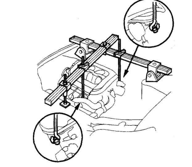
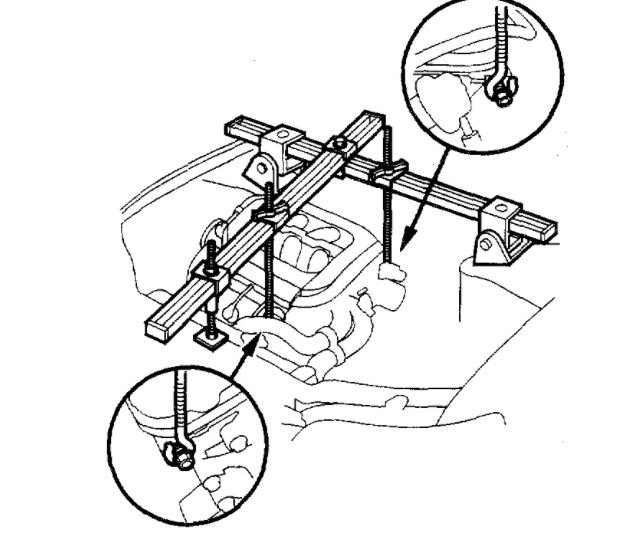
20. Lift and support the engine/transmission assembly with an engine hanger (P/N AAR-T-1256, available through the American Honda Tool and Equipment program, or equivalent).

imageOpen In New TabZoom/Print

21. Remove the splash shield.
22. Remove the cotter pins (A) and castle nuts (hex nuts) (B), and remove the damper forks (C), then separate the ball joints from the lower arms (D).

imageOpen In New TabZoom/Print

23. Remove the bolts securing the radius rods (E), then separate the radius rods from the lower arms (D).
24. Pry the driveshafts out of the differential and the intermediate shaft.

imageOpen In New TabZoom/Print

25. Make reference marks (A) across both the front beam (B) and the rear beam (C).

imageOpen In New TabZoom/Print

26. Disconnect the vacuum tube (A) on the front beam (B), and unclamp the power steering fluid pipe (C) from the clamps on the front beam.
27. Remove the nuts securing the transmission lower mounts, then remove the front beam (B).

imageOpen In New TabZoom/Print

28. Remove the transmission lower rear mount (A) from the transmission.
29. Pull on the inboard joints to remove the left driveshaft from the differential and to remove the right driveshaft from the intermediate shaft.
30. Move the left driveshaft to the front side. Coat all precision finished surfaces with clean engine oil, then tie the plastic bags (B) over the driveshaft ends.

imageOpen In New TabZoom/Print

31. Remove the intermediate shaft.
32. Coat all precision finished surfaces with clean engine oil, then tie the plastic bags over the both ends of intermediate shaft.

imageOpen In New TabZoom/Print

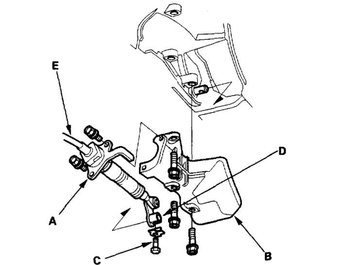
33. Remove the bolts securing shift cable holder (A), then remove shift cable cover (B).

NOTE: To prevent damage to the control lever joint, remove the bolts securing the holder before removing the bolts securing the cover.

34. Remove the lock bolt (C) securing the control lever (D), then remove the shift cable (E) with the control lever. Do not bend the shift cable excessively.

imageOpen In New TabZoom/Print

35. Install a 6 x 1.0 x 14 mm bolt (A) and nut (B) on the shift cable cover (C), then reinstall the shift cable cover to the torque converter housing. (The torque converter may stay on the engine, and the bolt head will support the torque converter, when the transmission is removed.)

imageOpen In New TabZoom/Print

36. Remove the torque converter cover (A), then remove the eight drive plate bolts (B) one at a time while rotating the crankshaft pulley.
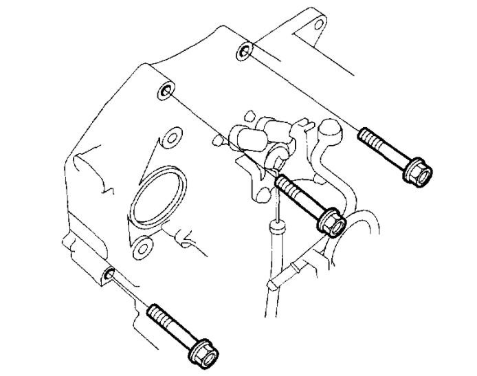
37. Remove the engine stiffener bolts (C).

imageOpen In New TabZoom/Print

38. Remove the front mount bracket.
39. Place a transmission jack under the transmission.

imageOpen In New TabZoom/Print

40. Remove the transmission housing mounting bolts.

imageOpen In New TabZoom/Print

41. Remove the transmission housing mounting bolts (A) and connector bracket bolt (B).
42. Pull the transmission away from the engine until it clears the dowel pins, then lower it on the transmission jack.

NOTE: If the torque converter is stuck to the drive plate, reach through the starter opening, and pull it toward the transmission housing.

imageOpen In New TabZoom/Print

43. Remove the shift cable cover, then remove the torque converter assembly from the torque converter housing.

imageOpen In New TabZoom/Print

44. Remove the transmission lower front mount.

imageOpen In New TabZoom/Print

45. Inspect the drive plate, and replace it if it's damaged.

imageOpen In New TabZoom/Print

46. Remove the 6 x 1.0 x 14 mm bolt (A) and nut (B) from the shift cable cover (C).
Was this
answer
helpful?
Yes
No
Friday, January 15th, 2021 AT 3:11 PM

Please login or register to post a reply.