Friday, March 24th, 2023 AT 1:28 PM
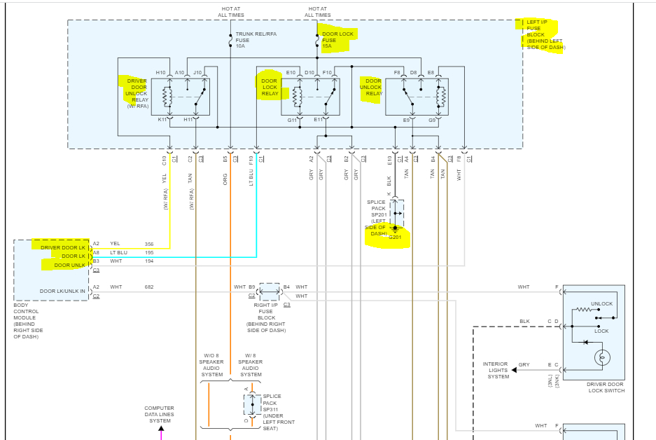
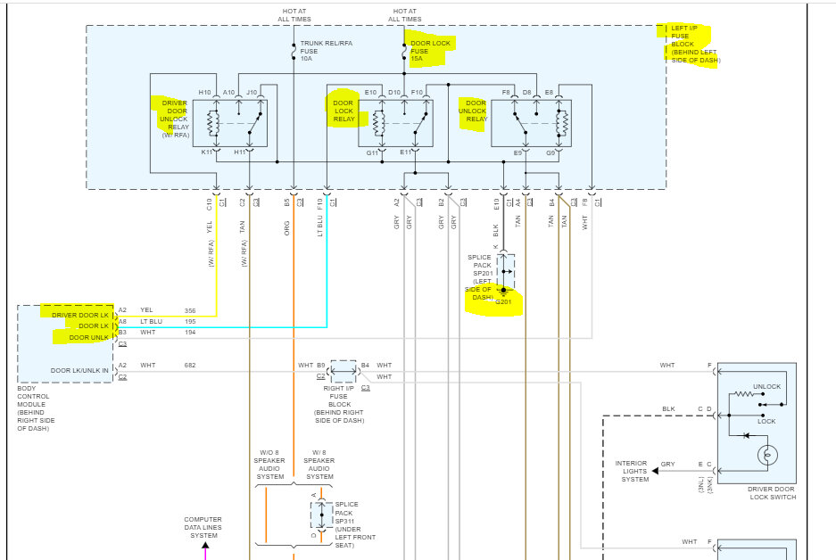
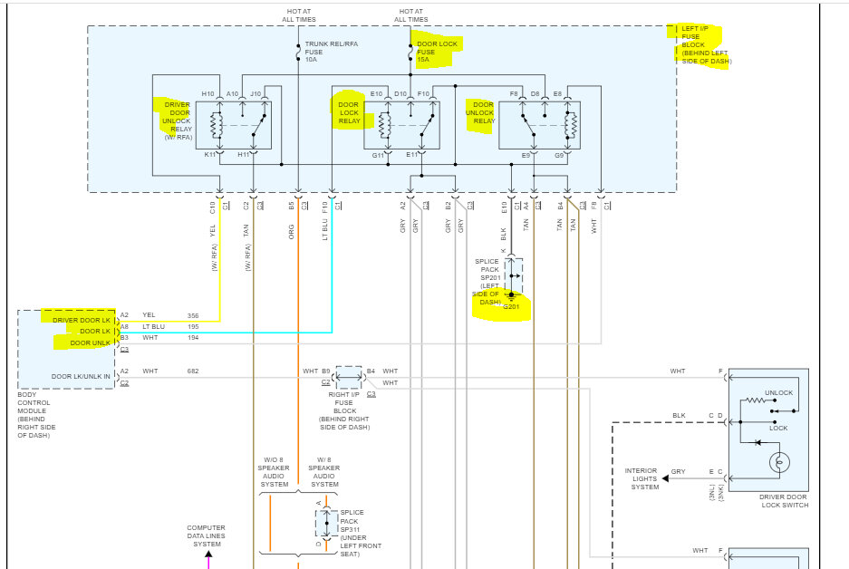
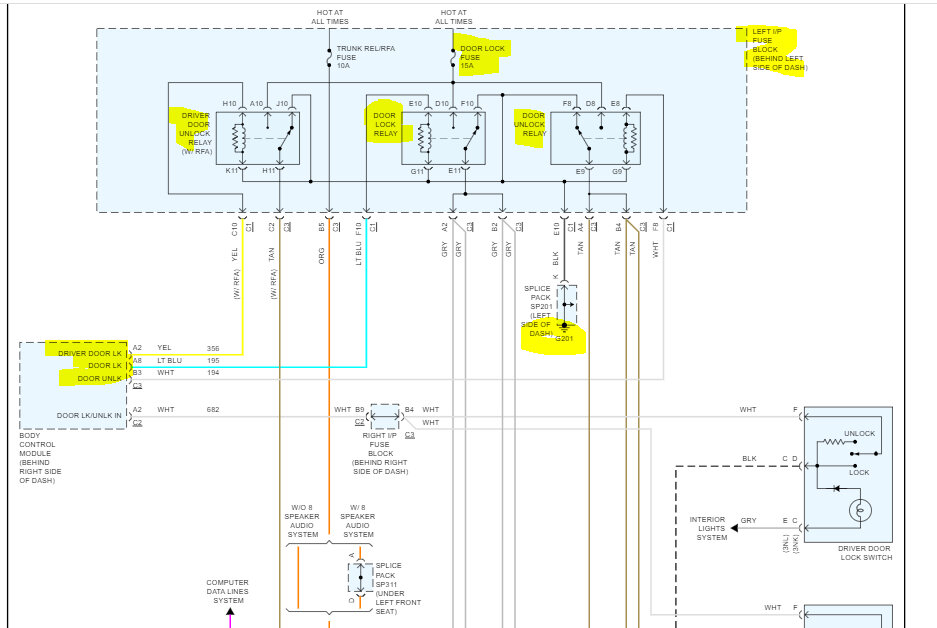
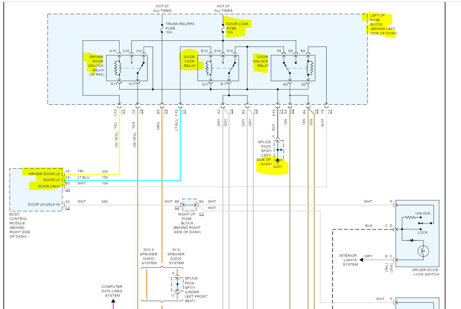
Hi, I've noticed that my automatic locking system and remote entry hasn't been working. If I want to lock or unlock my doors, I have to use my key or push the lock closed with my finger. I've tried replacing the minibuses but that hasn't helped. I have been messed over by mechanics now I want to do it myself. I need some help.
