intake air control valve?

1997 NISSAN TRUCK
177,000 MILES • 2.0L • 4 CYL • 4WD • MANUAL
Repair Safety Notice: This information is for general instructional purposes only. Vehicle repair can be dangerous. Verify all information, follow manufacturer service procedures, use proper tools and safety equipment, and consult a qualified repair shop when needed.
Advertisement
Avatar
UHSNOEBIRD
  • MEMBER
  • 342 POSTS
The distributor is known to be good, it was working when it was removed, I bought a spare one in case of a breakdown beside the road. I put the new one on for warranty reasons.
I like keeping extra parts for my truck, like alternators and distributors and so on .
I know how to install it. I have some knowledge in vehicle repair .
The truck was quitting on me again today, it's like you turn the key off at times but sometimes it gradually starts dropping the idling then all at once it jumps to zero miles per hour.
The coil is inside of the distributor and I think the cam shaft position sensor is in there also.
I'll try to get that distributor on in the next few days, I have a friend that will do it for me but I'll watch him to make sure. Let you know how it goes. thanks
Jan 29, 2020 at 8:51 PM
Avatar
UHSNOEBIRD
  • MEMBER
  • 342 POSTS
I forgot to tell you that I checked the resistance of the third injector coil and it was 8.5 ohms, the fourth one is hard to get to but I will check it sometime. I think Nissan says that the coil resistance should be 10-14 at 77 degrees Fahrenheit .
Do you think that maybe one or more of my injectors might be sticking or something similar to that ? I will change out my distributors and let you know the results. The IACV that I replaced the wiring metal connectors were smaller in length where it goes into the plug in, do you think it might be possible that the connection isn't what it should be ? This IACV when bad gives the code P0505 ,my truck had given me that code at the start but that code has not came back with this new one installed . Could it be possible that an intermittent connection at this IACV could be causing this problem or would it put the code P0505 if this connection wasn't perfect ? I appreciate all your help and it will be figured out, just don't give up on me. Thank you
Jan 30, 2020 at 6:29 AM
Avatar
JACOBANDNICKOLAS
  • CAR REPAIR CONTRIBUTOR
  • 110,190 POSTS
The IAC connection can be causing an issue. The connectors may not make contact at times. However, like you, I would think it would reset the code. Now that you described that stalling at times can slowly happen, that, once again, leads me away from an electrical issue and back to fuel.

Let me know what happens with the distributor. If that doesn't do it, we need to start from square one again.

I will watch for your reply

Joe
Jan 30, 2020 at 6:45 PM
Advertisement
Avatar
UHSNOEBIRD
  • MEMBER
  • 342 POSTS
The distributor has been put in and it's still doing the same thing. I noticed that when my headlights are on and the heater is blowing my voltage drops( idling ) down to a little over 12 volts, 12.2. 12.3, 12.4 but if I give it gas it shows it charging good. When I drive I can feel a miss in engine.
I might be getting an intermittent connection at the IACV from the short connectors, not 100% sure of that. I listened to the injectors with a pipe and they all sounded the same, no difference in sound so I assume they're okay.
I'm going to measure the inside where the connectors are to see if they are long enough to make the correct fit for a good connection. Let you know the outcome.The IACV code P0505 has not returned but it acts like it did when the valve code came on like the air flow isn't correct for gas mixture.
When I turn the AC on it doesn't do that, I will attempt to run the air tomorrow and see again. Have a good night.
Jan 30, 2020 at 8:35 PM
Avatar
UHSNOEBIRD
  • MEMBER
  • 342 POSTS
The fuel pressures are good. I have a fuel gauge connected at all times showing the correct pressure. I refilled the gas tank the other day.Prior to this I put a small bottle of fuel treatment in the tank .
Jan 31, 2020 at 5:20 AM
Avatar
UHSNOEBIRD
  • MEMBER
  • 342 POSTS
It might still be my IACV-AAC, Since it's an aftermarket, truck ran a little better today,
Reset the IAC valve pintle position by performing the following:
Depress the accelerator pedal slightly.
Start the engine and run for 5 seconds.
Turn the ignition switch to the "off" position for 10 seconds.
Restart the engine and check for proper idle operation.
www.autozone.com › ELECTRONIC-ENGINE-CONTROLS › Idle-Air-...
Idle Air Control (IAC) Valve Repair Guide - Repair Guides
Search for: How do I reset my idle air control valve?
How many ohms should a IAC valve have?
Using an ohmmeter, measure the resistance between pins 1 and 2 on the IAC valve. Resistance should be 10-14 ohms. If resistance is okay, proceed to the next step. If resistance is out of range, replace the IAC and retest.
Jan 31, 2020 at 2:36 PM
Avatar
JACOBANDNICKOLAS
  • CAR REPAIR CONTRIBUTOR
  • 110,190 POSTS
Did you get the IAC online? Do you remember the brand name? I have to be honest, I have ad issues with inexpensive online parts in the past. You may be right as far as the IAC.

Jan 31, 2020 at 7:09 PM
Avatar
UHSNOEBIRD
  • MEMBER
  • 342 POSTS
Yes, from Ebay, I drove it again this evening, it seems to be doing a little better than it was, it only attempted to quit one time. I think that the IACV might be a little stiff since it's new & needs a little time to break in or it might not be up to par compared to the ones Nissan sells, who knows.
I'm trying to be patient with it for a little while to see if it might finally start working correctly. I'm still confused on whether the two wires on the IACV have a positive and the other is negative . Once the male connectors are in the plug in it's just about impossible to remove them without totally tearing the male plug into where it's not reusable again . I did the first one that I removed that way, they may have a special tool to remove them.
Jan 31, 2020 at 7:31 PM
Avatar
UHSNOEBIRD
  • MEMBER
  • 342 POSTS
Thanks for your answers.
Jan 31, 2020 at 7:34 PM
Avatar
JACOBANDNICKOLAS
  • CAR REPAIR CONTRIBUTOR
  • 110,190 POSTS
You are very welcome. Maybe there is a chance it will start working properly. It's interesting. When we made parts in the US like this, they were much more dependable. Now, I never know what to expect. Most times, I go to a local parts store and request specific brand parts. Although most are made in other countries, the US distributors still maintain a specific level of quality. I hope you are right with the one you got. I remember you had concerns because of the wiring being reversed, but I have to be honest, I don't see how it would change it.

Take care and keep in touch. I wish I was there to help.

Joe
Feb 1, 2020 at 7:48 PM
Avatar
UHSNOEBIRD
  • MEMBER
  • 342 POSTS
I've refilled the gas tank and put a bottle of Sea Foam in the tank, it seems like it might be running a little better for now but I will run it tonight and see what happens at idle and driving it around a little bit .
The original distributor ( inside clean ) that I put back in it is an Hitachi, the one that came with the truck.
The air filter is clean, timing chain and gears are not to old, air filter is good and clean, gas filter hasn't been on that long so mostly everything should be alright there.
I ordered a PVC valve to put on since I'm probably saying that it has never been changed, I know I haven't since I've owned it for about 10 or more years. It will be a few days before I get the PVC , ordered online.
It's hidden down behind the alternator between it and the oil filter and it screws in with a hose attaching to it. Will let you know the results. Thanks
Feb 3, 2020 at 3:15 PM
Avatar
JACOBANDNICKOLAS
  • CAR REPAIR CONTRIBUTOR
  • 110,190 POSTS
Sounds like a plan. I hope it continues running better. I will watch for your reply regarding the PCV.

Take care,
Joe
Feb 4, 2020 at 7:00 PM
Avatar
UHSNOEBIRD
  • MEMBER
  • 342 POSTS
It's not fixed yet, drove it tonight doing about the same thing but it isn't quitting as much but it did once tonight. I looked on Ebay for a mounting throttle body gasket and emailed a seller about if the one he had advertised would fit this truck and haven't heard from the seller yet.
It's been raining here and more tomorrow. I'm going to take the throttle body off again and use some liquid tape to put on the metal vacuum lines to make sure there's no leaks there , going to recheck each vacuum line for leaks . Sooner or later the problem will be resolved.
On the 2 wires that's on the IACV one of them has white letters on it, the plug in has the white on one of the wires but mine is not matching up to the one on the plug in, in other words this wire with the white letters is on the ground side of the plugin, would that matter ? Should I attempt to switch these 2 wires out so the white stripe one is connected to the white striped one on the plugin connector. Are you out west, I live in Kentucky. thanks for your answers.
Feb 4, 2020 at 7:12 PM
Avatar
JACOBANDNICKOLAS
  • CAR REPAIR CONTRIBUTOR
  • 110,190 POSTS
It's hard to be confident when I'm not there. However, I do have a feeling it is vacuum related. And no, I'm not out west. A little further north east from you. I'm near Pittsburgh. And we are getting the same weather.

Joe
Feb 4, 2020 at 7:53 PM
Avatar
UHSNOEBIRD
  • MEMBER
  • 342 POSTS
Joe, be patient, received PCV valve just waiting for a warm day to put it on .
Feb 8, 2020 at 2:05 PM
Avatar
JACOBANDNICKOLAS
  • CAR REPAIR CONTRIBUTOR
  • 110,190 POSTS
No problem. I will watch for it.

Take care,
Joe
Feb 8, 2020 at 8:20 PM
Avatar
UHSNOEBIRD
  • MEMBER
  • 342 POSTS
Joe, I didn't have anywhere to answer you on page 3 so I found a place on page 2 . I interchanged the wires on the IACV and it did not help. The ebay seller told me they'd replace it if changing the wires didn't work. Installed PCV , did not fix it.
Feb 12, 2020 at 6:01 AM
Avatar
UHSNOEBIRD
  • MEMBER
  • 342 POSTS
Joe, do you have any more thoughts on what my problem might be if this other IACV-AAC doesn't fix it? I haven't received it yet. I may have to buy an Hitachi brand if this one doesn't work. I know there is a heat sensor that is on this truck that will shut the truck off it the motor gets to hot but my truck is not over heating and I don't know where that switch might be located, do you have any idea where it might be ?
Feb 12, 2020 at 1:54 PM
Avatar
JACOBANDNICKOLAS
  • CAR REPAIR CONTRIBUTOR
  • 110,190 POSTS
Are you referring to the engine coolant temperature sensor?
Feb 12, 2020 at 4:40 PM
Avatar
UHSNOEBIRD
  • MEMBER
  • 342 POSTS
No, I'm talking about a sensor that if you for example, get a water leak and your truck starts overheating it will automatically shut my truck down to keep from burning the motor up.
I had that to happen one time, one of my radiator hoses blew off and my truck quit on me when it got real hot and would not start back until it cooled off and I put some water in it. I don't know where that sensor is, do you?
Feb 12, 2020 at 5:57 PM
Avatar
JACOBANDNICKOLAS
  • CAR REPAIR CONTRIBUTOR
  • 110,190 POSTS
Honestly, I have no idea of such a sensor. The computer receives a signal from the ECT (engine coolant temperature) sensor. To the best of my knowledge, there isn't a different one to shut the engine down under these conditions.

Feb 12, 2020 at 7:11 PM
Avatar
UHSNOEBIRD
  • MEMBER
  • 342 POSTS
You may be correct on that, I've been hunting for that in the Nissan service manual for it but I think one time I read something about what I mentioned and it said that a regular diagnostic scanner will not find it but Nissan's Consult can find it. if I find that, will send it to you. Thanks
Feb 12, 2020 at 7:20 PM
Avatar
JACOBANDNICKOLAS
  • CAR REPAIR CONTRIBUTOR
  • 110,190 POSTS
Sorry I couldn't help with that one. However, if you do, I would be really interested in knowing about it.

Take care,
Joe
Feb 12, 2020 at 8:06 PM
Avatar
UHSNOEBIRD
  • MEMBER
  • 342 POSTS
On page EC 300 in the Nissan service manual it talks about overheating maybe I understood it wrong in my memory, I tried to copy ( EC 300 ) and send to you but it wouldn't allow me to.
Feb 12, 2020 at 8:31 PM
Avatar
UHSNOEBIRD
  • MEMBER
  • 342 POSTS
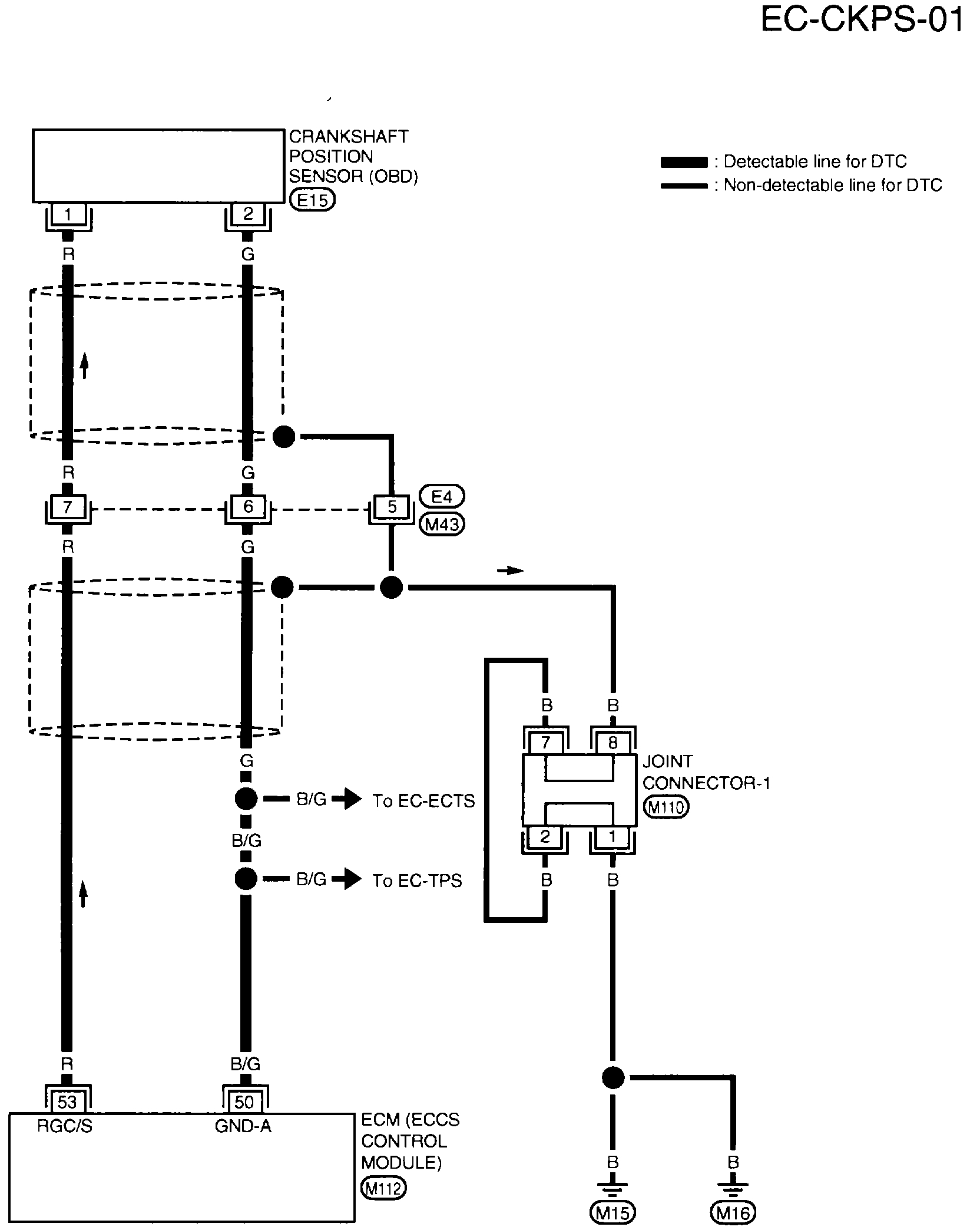
DTC 1900 is the code.
Feb 12, 2020 at 8:55 PM
Avatar
JACOBANDNICKOLAS
  • CAR REPAIR CONTRIBUTOR
  • 110,190 POSTS
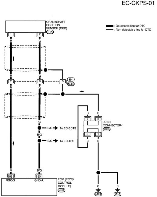
That code is related to the ECT. See the attached.

Joe
Feb 12, 2020 at 9:21 PM
Avatar
UHSNOEBIRD
  • MEMBER
  • 342 POSTS
Okay, thanks.
Feb 13, 2020 at 5:28 AM
Avatar
JACOBANDNICKOLAS
  • CAR REPAIR CONTRIBUTOR
  • 110,190 POSTS
Not a problem. If you need info on its replacement, let me know.

Take care,
Joe
Feb 13, 2020 at 7:10 PM
Avatar
UHSNOEBIRD
  • MEMBER
  • 342 POSTS
They sent me the return shipping label for one on truck and a tracking no. for the other one on the way, it will probably a week or so before I get it on, depends how log it takes to get the one they are sending, I'll holler back at you. Thanks
Feb 13, 2020 at 7:46 PM
Avatar
JACOBANDNICKOLAS
  • CAR REPAIR CONTRIBUTOR
  • 110,190 POSTS
Sounds like a plan. Take care and let me know.

Joe
Feb 14, 2020 at 2:53 PM
Avatar
UHSNOEBIRD
  • MEMBER
  • 342 POSTS
Joe, the charging voltage was dropping down to 12.3, 12.2 and sometimes down to 12.9 volts with the fan going and the park lights on so I changed the alternator today and it's charging like it should around 14 volts with the headlights on and the fan going. Another thing I done today is I used 2 jumper wires at the connector where the IACV plugs into the plug in and monitored the voltage (0 - 7 volts at 2,000 rpm's) and it seemed to be correct with what the Nissan Service manual recommended and I done this before installing the alternator. I will try my truck out tonight and see what happens, let you know the results later. I'm thinking it might be possible that it wasn't charging good enough to keep everything working correctly. Thanks
Feb 14, 2020 at 3:36 PM
Avatar
JACOBANDNICKOLAS
  • CAR REPAIR CONTRIBUTOR
  • 110,190 POSTS
Absolutely that can cause a problem. If voltage is low, it can cause all kinds of issues. Let me know. I hope that took care of the issue.

Joe
Feb 14, 2020 at 7:54 PM
Avatar
UHSNOEBIRD
  • MEMBER
  • 342 POSTS
I have driven it and it still tried to quit on me one time but it's running a little better, maybe when I install that other IACV that will help solve the problem but this alternator is keeping voltage at 14 volts while the headlights are on and the heater fan is going . Sometimes when it was quitting, it was like I just turned to key off or it just lost all the power to the ignition, I didn't have time to hit the gas pedal to keep it going, a few other times it would flood out so bad that pressing the gas pedal didn't help and it quit. Will let you know the results. Thanks
Feb 14, 2020 at 8:13 PM
Avatar
UHSNOEBIRD
  • MEMBER
  • 342 POSTS
In a prior email I sent right before the last one I made a mistake when I said it was charging at 12.9 volts, it was allowing the voltage to drop to 11.9 volts sometimes even while I was driving it but that's when the charging should be putting out the best charge.
Feb 14, 2020 at 8:30 PM
Avatar
JACOBANDNICKOLAS
  • CAR REPAIR CONTRIBUTOR
  • 110,190 POSTS
I noticed that. I just assumed it was a typo.
Feb 14, 2020 at 8:46 PM
Avatar
UHSNOEBIRD
  • MEMBER
  • 342 POSTS
I've replaced the ECT sensor plus I bypassed the plugin for the IACV and directly plugged the wires in to the plug in and my truck is flooding out so bad it will not run on it's own without me giving it some throttle.It was flooding before I bypassed the plugin. I should get the new IACV tomorrow, not sure if I can get it on since it's going to rain. Yesterday I unplugged the IACV plugin ( while it was running to see what would happen ) and later when I checked the codes it had p0505 & p0100 ( mass air flow sensor ). I erased both of those codes and it has no check engine light on now..
Can the mass air flow sensor be bad and not give a code all the time or do you know?
Feb 17, 2020 at 3:31 PM
Avatar
JACOBANDNICKOLAS
  • CAR REPAIR CONTRIBUTOR
  • 110,190 POSTS
Hi,

I would think it would throw a code. However, if it is dirty, that can cause issues. Have you tried cleaning it? The 505 is related to the IACV again. If the MAF is bad, it can be causing this. Here are the directions for testing the IACV. The two attached pics correlate with the directions.

____________________________________

1997 Nissan-Datsun Truck D21 Hardbody SE King Cab 2WD L4-2389cc 2.4L SOHC MFI (KA24E)
Component Testing Procedure
Vehicle Powertrain Management Fuel Delivery and Air Induction Sensors and Switches - Fuel Delivery and Air Induction Air Flow Meter/Sensor Testing and Inspection Component Tests and General Diagnostics Component Testing Procedure
COMPONENT TESTING PROCEDURE
COMPONENT INSPECTION
Mass Air Flow Sensor
1. Turn ignition switch "ON".
2. Start engine and warm it up sufficiently.

pic 1

3. Check voltage between terminal 1 and ground.

Conditions / Voltage, V
Ignition switch "ON" (Engine stopped.) / Less than 1.0
Idle (Engine is warmed-up sufficiently.) / 1.3 - 1.7
2,500 rpm / 1.7 - 2.3
Idle to about 4,000 rpm / 1.3 - 1.7 to Approx. 4.0

*: Check for linear voltage rise in response to increases to about 4,000 rpm in engine speed.


pic 2

4. If NG, remove mass air flow sensor from air duct. Check hot wire for damage or dust.

Let me know if that helps.

Joe
Feb 17, 2020 at 6:27 PM
Avatar
UHSNOEBIRD
  • MEMBER
  • 342 POSTS
What is the best cleaner for that MAF sensor that you know of ?
Feb 17, 2020 at 7:18 PM
Avatar
JACOBANDNICKOLAS
  • CAR REPAIR CONTRIBUTOR
  • 110,190 POSTS
Honestly, there really isn't one brand that sticks out. Whatever they have at the parts store has always worked. You may want to try the test if you get the chance as well.

I don't know if you want it, but here is a link that explains how it is done:

https://www.2carpros.com/articles/mass-air-flow-service

Let me know the results.

Joe
Feb 17, 2020 at 7:20 PM
Avatar
UHSNOEBIRD
  • MEMBER
  • 342 POSTS
Okay, I will.
Feb 17, 2020 at 7:41 PM