Anti theft system preventing car from starting

2009 CHEVROLET MALIBU
193,000 MILES • 2.4L • 4 CYL • 4WD
Avatar
MICHELLELONG741
  • MEMBER
  • 1 POST
My car lock was going up and down by itself and all of a sudden my battery acted like it wanted to die before I got home , but once I got home and shut the vehicle off it wouldn’t start anymore. I tried to get a jump that didn’t work either. so I tried to start it again once the cables was off the battery and it started but wouldn’t start anymore after that. How do I get the anti theft system off?
May 23, 2019 at 9:09 AM
Repair Safety Notice: This information is for general instructional purposes only. Vehicle repair can be dangerous. Verify all information, follow manufacturer service procedures, use proper tools and safety equipment, and consult a qualified repair shop when needed.
Advertisement
Avatar
JACOBANDNICKOLAS
  • CAR REPAIR CONTRIBUTOR
  • 110,190 POSTS
Welcome to 2CarPros.

Honestly, what you described sounds like the battery was dying as you were driving. Most often, that indicates a bad alternator. What I need you to try first is this.

Disconnect the battery and recharge it.

https://www.2carpros.com/articles/how-to-charge-your-car-battery

If you don't have a charger, remove the battery and take it to a parts store. Most will charge it and then load test if for you at no charge.

https://www.2carpros.com/articles/how-to-replace-a-car-battery

Once we confirm the battery is charged and the terminals are clean and tight, start the engine. If it starts, we need to check the alternator output which is very easily done.

https://www.2carpros.com/articles/how-to-check-a-car-alternator

Here are a few links you may find helpful:

https://www.2carpros.com/articles/how-to-use-a-voltmeter

https://www.2carpros.com/articles/how-to-check-wiring

__________________

If this doesn't indicate a bad alternator, let me know. If it does, here is a link showing how to remove and replace an alternator.

https://www.2carpros.com/articles/how-to-replace-an-alternator

Here are the specific directions. The attached pictures correlate with the directions.

Generator Replacement (LE5) (2.4L Non Hybrid)

Removal Procedure


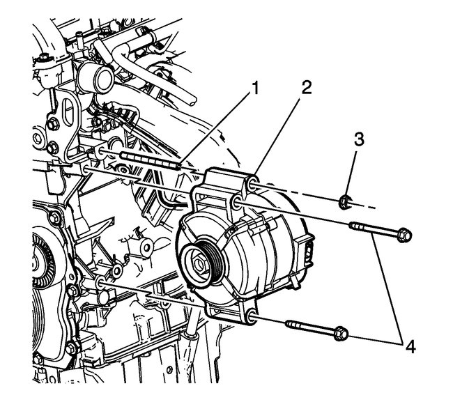
picture 1

1. Disconnect negative battery cable. Refer to Battery Negative Cable Disconnection and Connection (LZ4, LY7, and LE5) (See: Battery Cable > Removal and Replacement)Battery Negative Cable Disconnection and Connection (LAT) (See: Battery Cable > Removal and Replacement).
2. Remove the drive belt. Refer to Drive Belt Replacement (LAT) (See: Drive Belt > Removal and Replacement > Drive Belt Replacement)Drive Belt Replacement (LE5) (See: Drive Belt > Removal and Replacement > Drive Belt Replacement).
3. Disconnect the generator electrical connector (1).
4. Reposition the rubber boot (3).
5. Remove the engine harness terminal lead to generator nut (2).
6. Remove the engine harness terminal (4) from the generator stud.


picture 2

7. Remove the generator fasteners (1,3, 4).
8. Remove the generator.

Installation Procedure


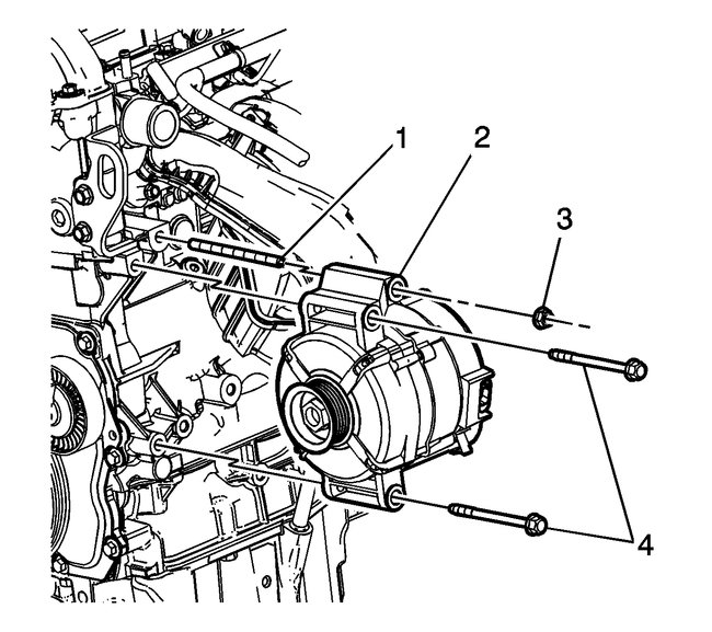
picture 3

1. Position the generator to the engine block.
2. Install the generator fasteners (4) loosely.

Caution: Refer to Fastener Caution (See: Vehicle > Vehicle Damage Warnings > Fastener Caution).

3. Install the fastener (1) and tighten to 10 Nm (89 lb in).
4. Install the fastener (3) and tighten to 22 Nm (16 lb ft).
5. Tighten the fasteners (4) to 22 Nm (16 lb ft).


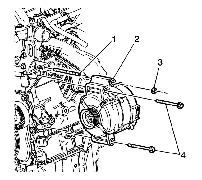
picture 4

6. Install the engine harness terminal (4) to the generator stud.
7. Install the engine harness terminal lead to generator nut (2) and tighten to 20 Nm (15 lb ft).
8. Position the rubber boot (3) over the stud.
9. Connect the generator electrical connector (1).
10. Install the drive belt. Refer to Drive Belt Replacement (LAT) (See: Drive Belt > Removal and Replacement > Drive Belt Replacement)Drive Belt Replacement (LE5) (See: Drive Belt > Removal and Replacement > Drive Belt Replacement).
11. Connect negative battery cable. Refer to Battery Negative Cable Disconnection and Connection (LZ4, LY7, and LE5) (See: Battery Cable > Removal and Replacement)Battery Negative Cable Disconnection and Connection (LAT) (See: Battery Cable > Removal and Replacement).

_____________________

Let me know if this helps.

Joe
May 23, 2019 at 5:58 PM
Advertisement