While replacing the alternator the wire sparked and now lights do not work and it will not start

Tiny
REBKEE
  • MEMBER
  • 2012 NISSAN ROGUE
  • 2.4L
  • 4 CYL
  • 2WD
  • AUTOMATIC
  • 265,000 MILES
Was changing alternator without unhooking battery alternator wire sparked on metal car has no lights and will not start.
Thursday, January 21st, 2021 AT 7:49 PM

1 Reply

Tiny
KASEKENNY
  • MECHANIC
  • 18,907 POSTS
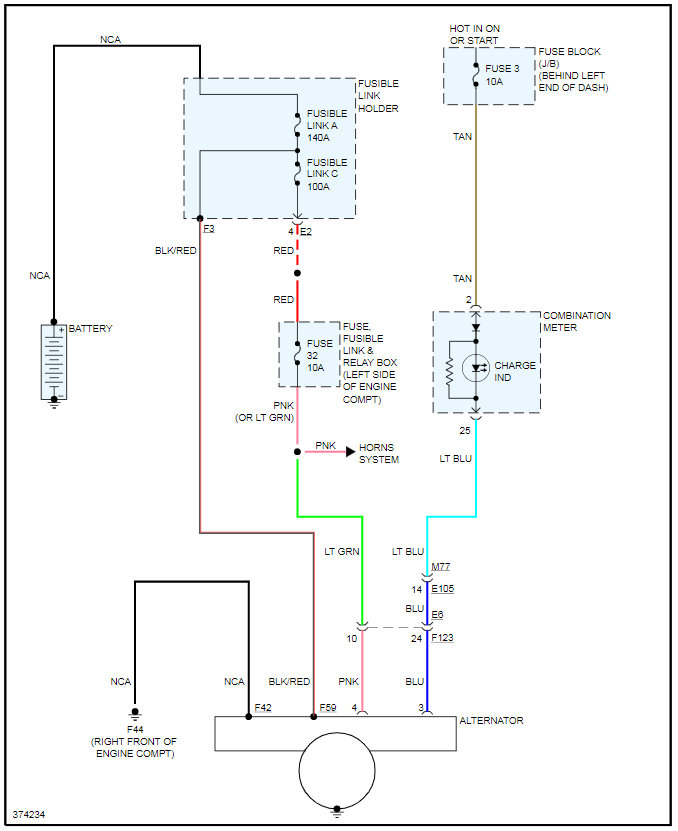
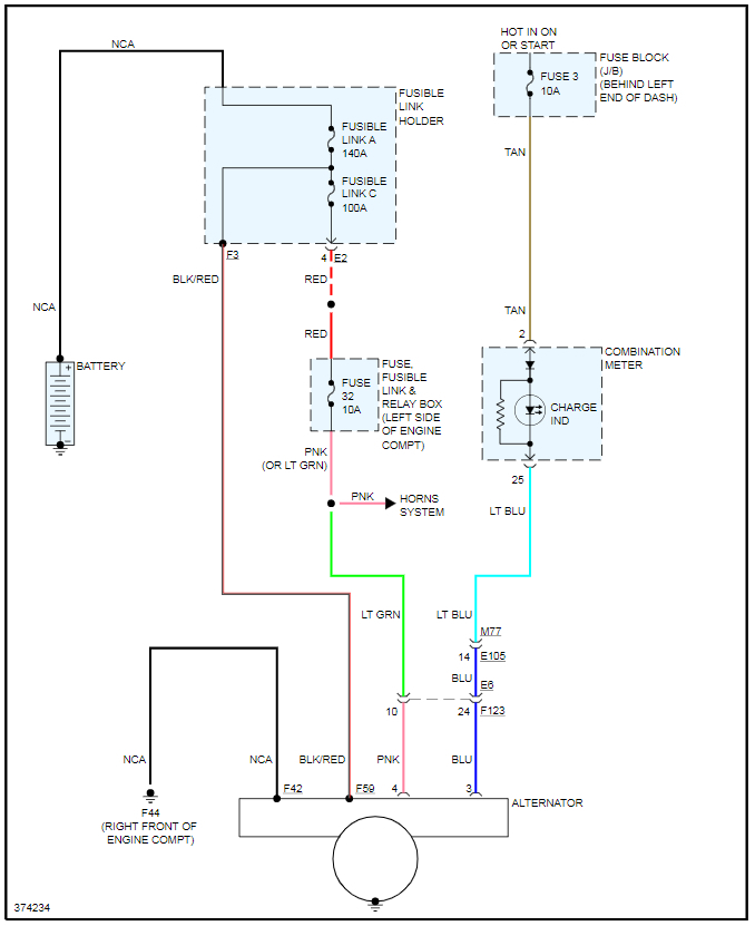
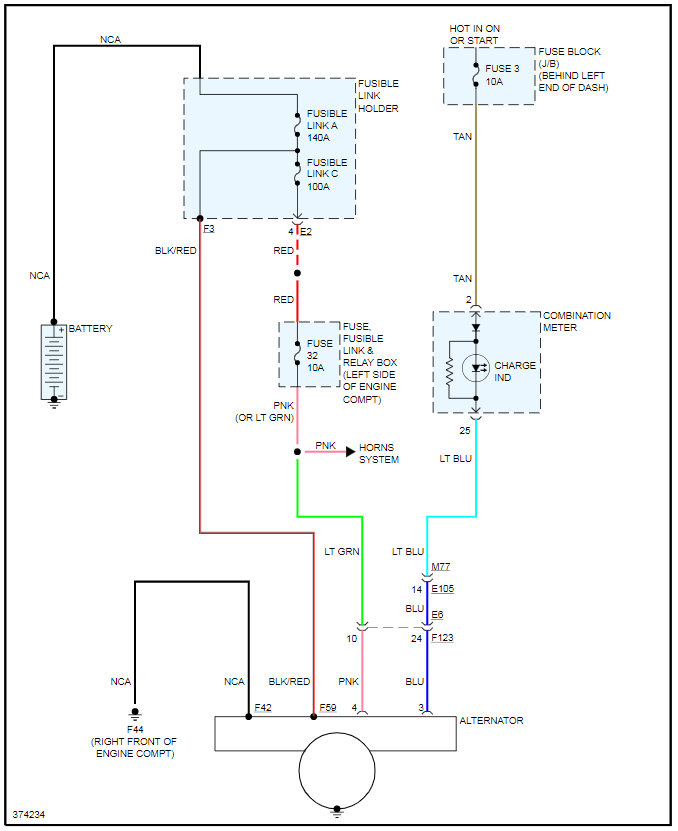
More than likely you blew a fuse. There is no guarantee which one but since you have no lights and it won't start I suspect it is one of the fusible links. Here is a guide that will help with this:

https://www.2carpros.com/articles/how-to-check-a-car-fuse

Also, below is the info on these links as you will see them on the wiring diagram.

Let us know what you find. Thanks
Was this
answer
helpful?
Yes
No
Thursday, January 21st, 2021 AT 8:14 PM

Please login or register to post a reply.